GM Service Manual Online
For 1990-2009 cars only
Makes
🢒
GMC_Truck
🢒
2007
🢒
Savana - AWD
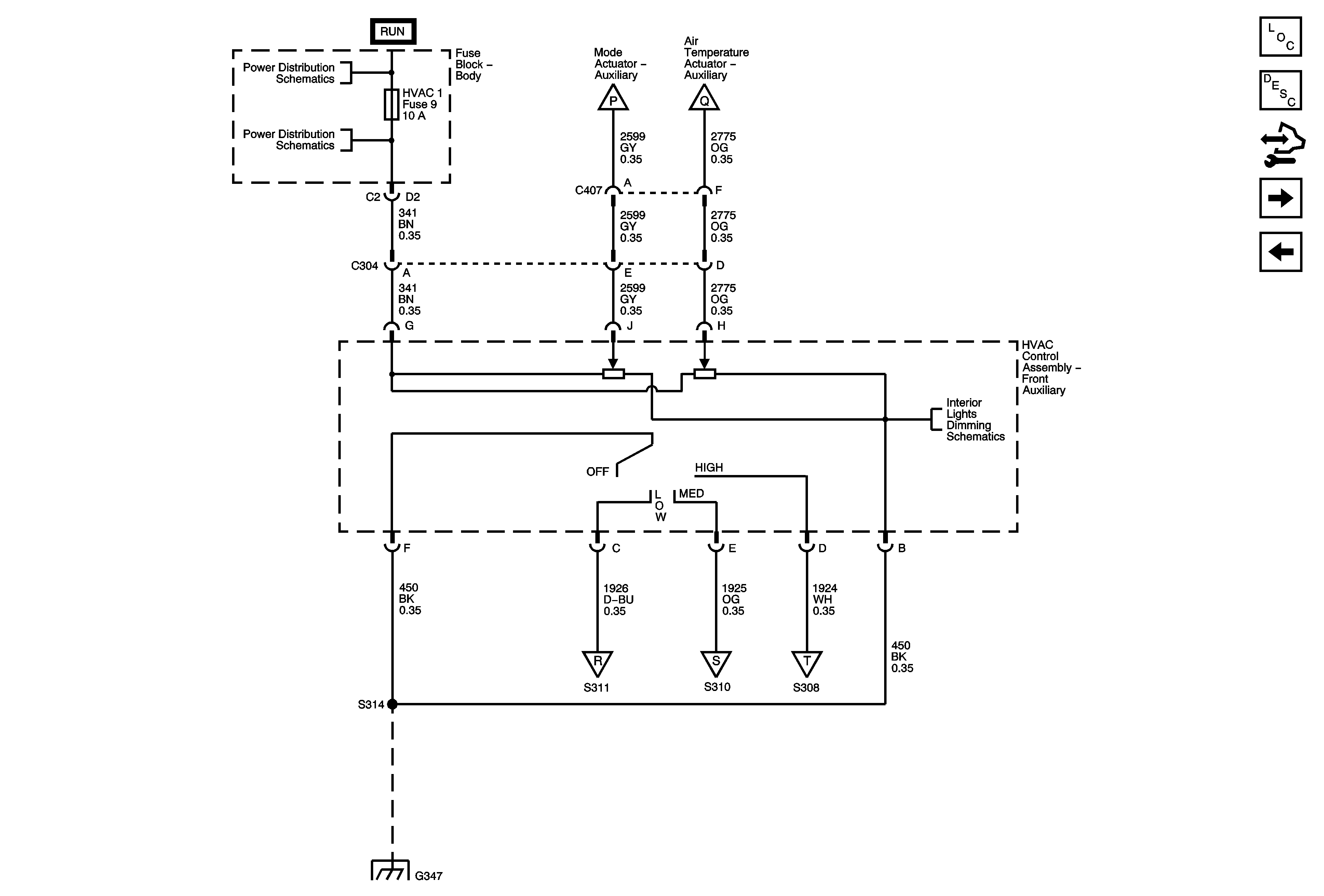
🢒 Rear HVAC w/o Rear Auxiliary Controls 1 of 2 - C69
Rear HVAC w/o Rear Auxiliary Controls 1 of 2 - C69
Rear HVAC w/o Rear Auxiliary Controls (C69) 1 of 2
Master Electrical Component List
Air Delivery Description and Operation
Control Module References
Rear HVAC w/o Rear Auxiliary Controls 2 of 2 - C69
Rear HVAC with Rear Auxiliary Controls 3 of 3 - C69
Ignition Switch - ACCY/RUN/START, RUN, START Bus Bars and IGN A Fuse
HVAC 1 Fuse
Rear HVAC w/o Rear Auxiliary Controls 2 of 2 - C69
Rear HVAC w/o Rear Auxiliary Controls 2 of 2 - C69
I/P Dimming Supply Voltage - 3 of 3
Rear HVAC w/o Rear Auxiliary Controls 2 of 2 - C69
Rear HVAC w/o Rear Auxiliary Controls 2 of 2 - C69
Rear HVAC w/o Rear Auxiliary Controls 2 of 2 - C69
G347 - 1 of 3