GM Service Manual Online
For 1990-2009 cars only
Makes
🢒
GMC_Truck
🢒
2007
🢒
Savana - AWD
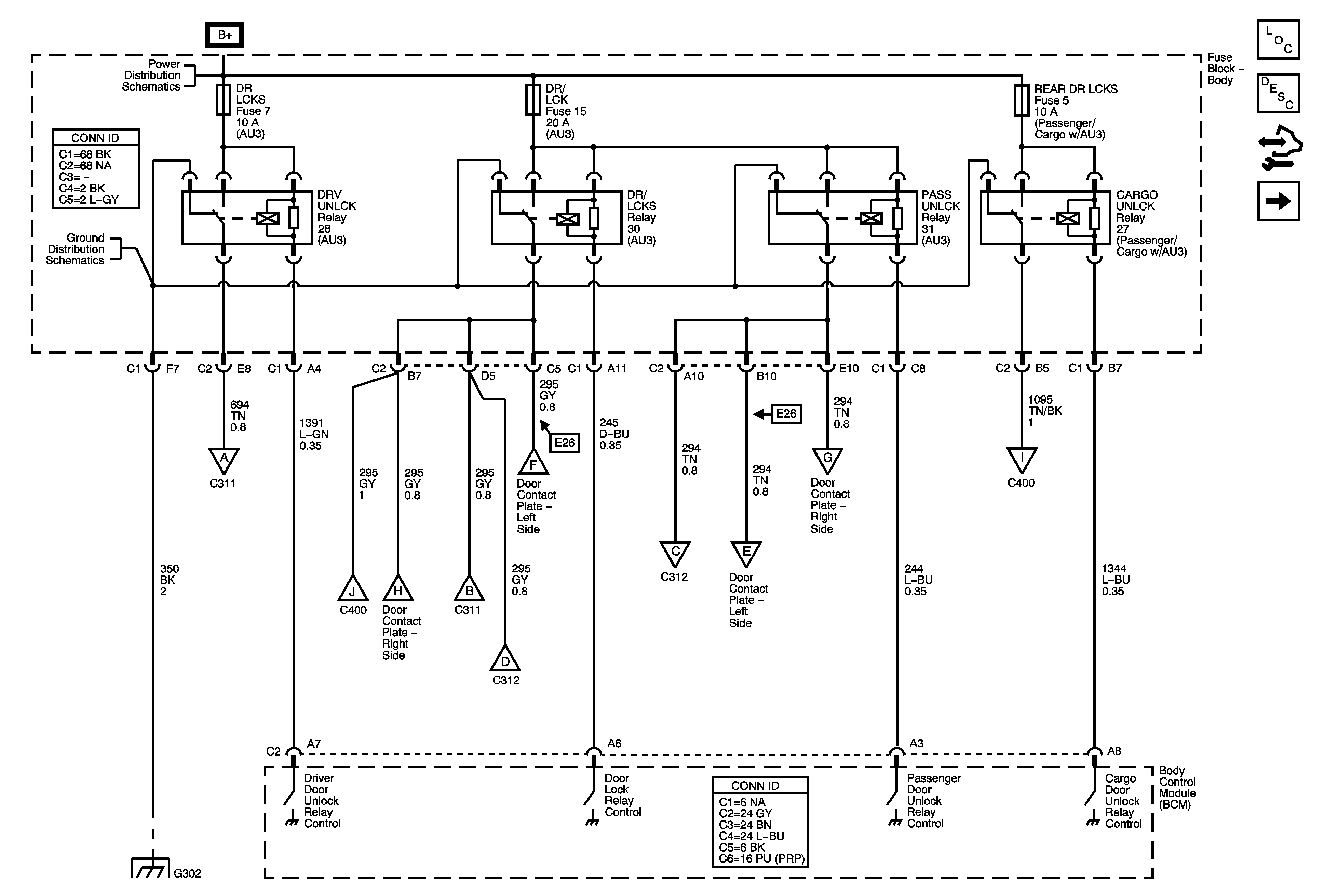
🢒 Lock and Unlock Control
Lock and Unlock Control
Lock and Unlock Control
Master Electrical Component List
Power Door Locks Description and Operation
Control Module References
Door Latches and Actuators
B+ Bus - Body Fuse Block
G302
Door Latches and Actuators
Door Latches and Actuators
Door Latches and Actuators
Door Latches and Actuators
Door Latches and Actuators
Door Latches and Actuators
Door Latches and Actuators
Door Latches and Actuators
Door Latches and Actuators
Door Latches and Actuators
G302