GM Service Manual Online
For 1990-2009 cars only
Makes
🢒
GMC_Truck
🢒
2007
🢒
Savana - AWD
🢒 Switches
Switches
Switches
Master Electrical Component List
Power Door Locks Description and Operation
Control Module References
Door Latches and Actuators
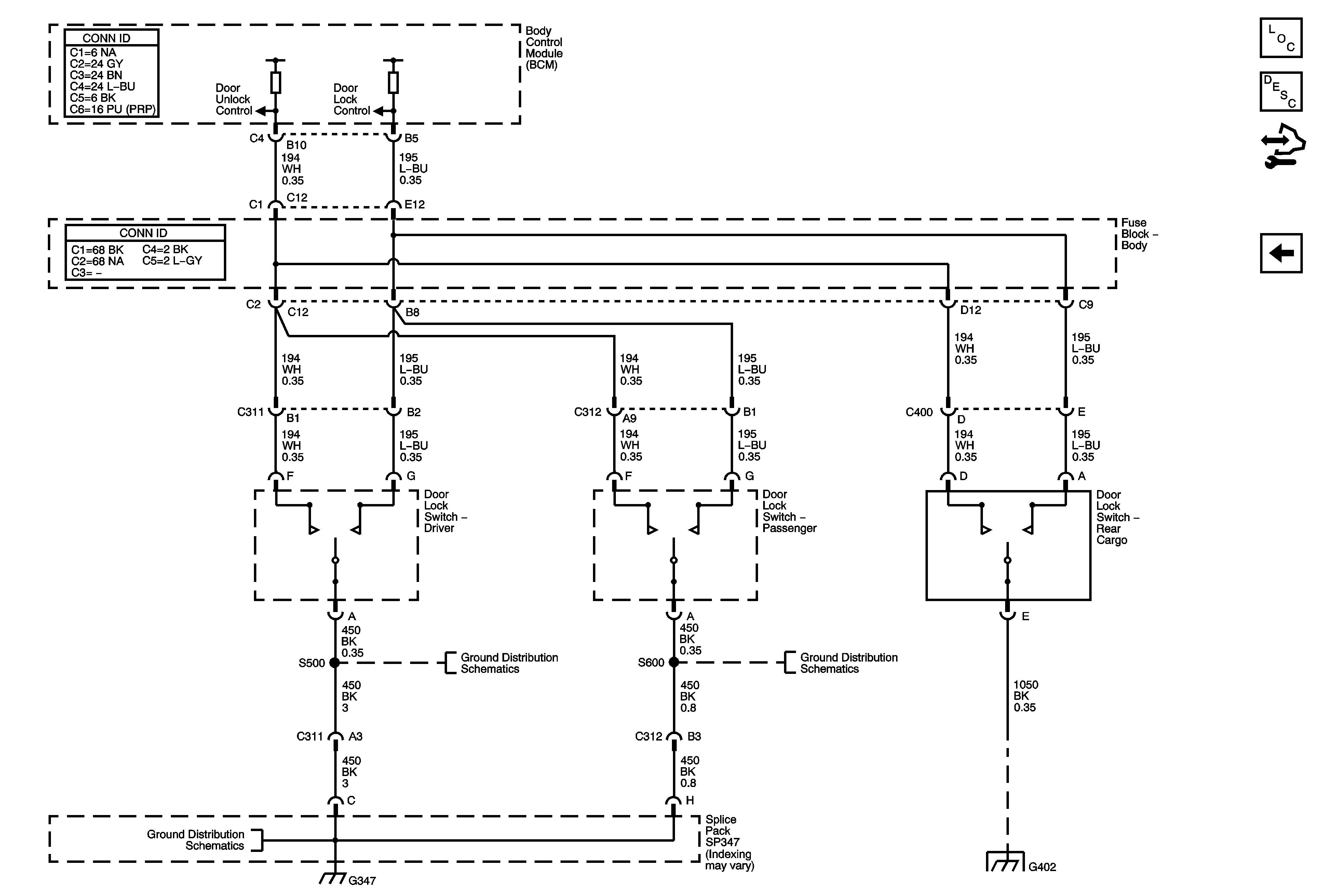
G347 - 1 of 3
G347 - 1 of 3
G347 - 2 of 3
G401 - Passenger/Cargo and G403 - PRP