GM Service Manual Online
For 1990-2009 cars only
Makes
🢒
GMC_Truck
🢒
2007
🢒
Savana - AWD
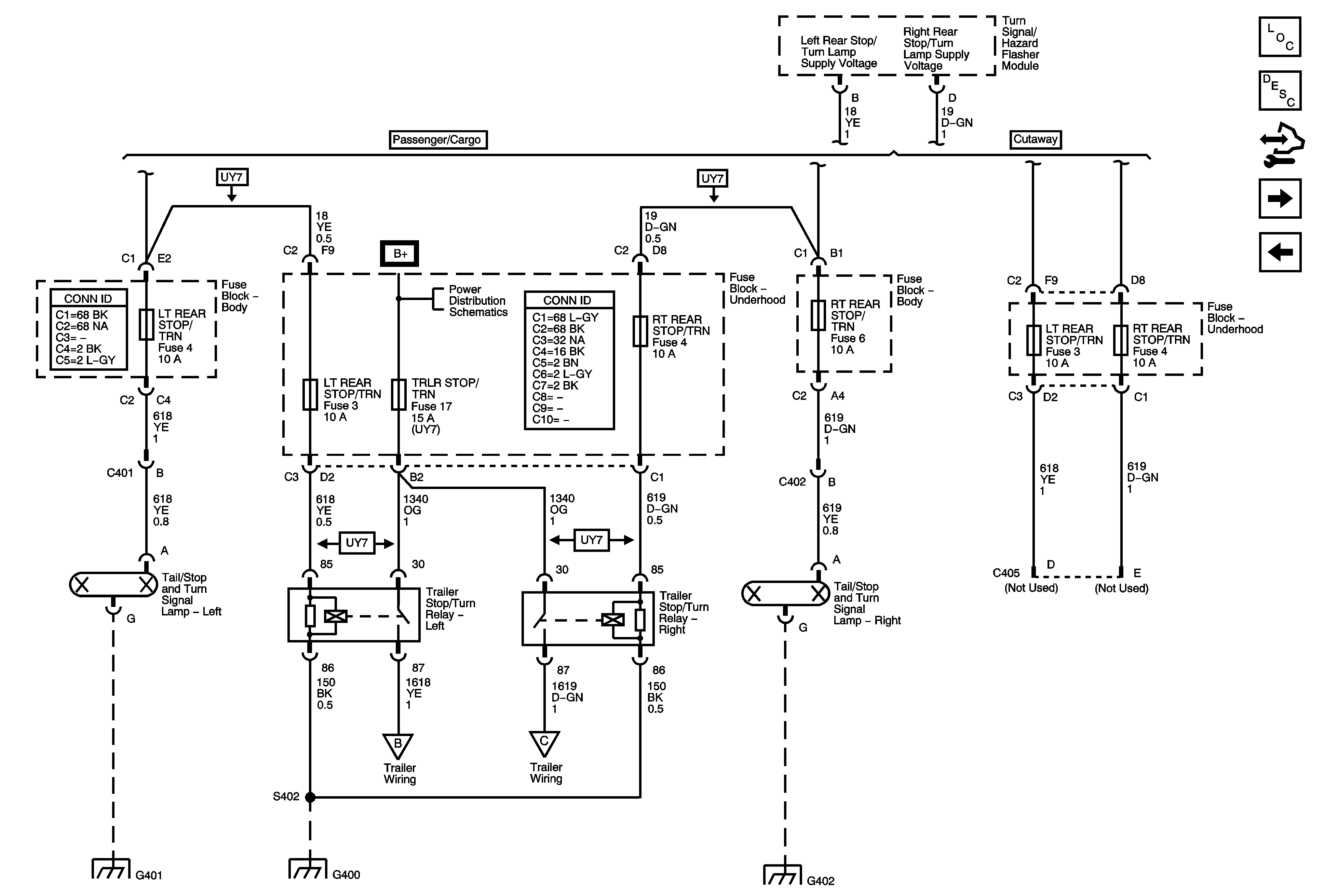
🢒 Stop Lamps
Stop Lamps
Stop Lamps
Master Electrical Component List
Exterior Lighting Systems Description and Operation
Control Module References
Backup Lamps and Trailer Wiring
License and Rear Park Lamps
B+ Bus - Underhood Fuse Block - Gas
G401 - Passenger/Cargo
G400
Backup Lamps and Trailer Wiring
Backup Lamps and Trailer Wiring
G401 - Passenger/Cargo and G403 - PRP