GM Service Manual Online
For 1990-2009 cars only
Makes
🢒
GMC_Truck
🢒
2007
🢒
Savana - AWD
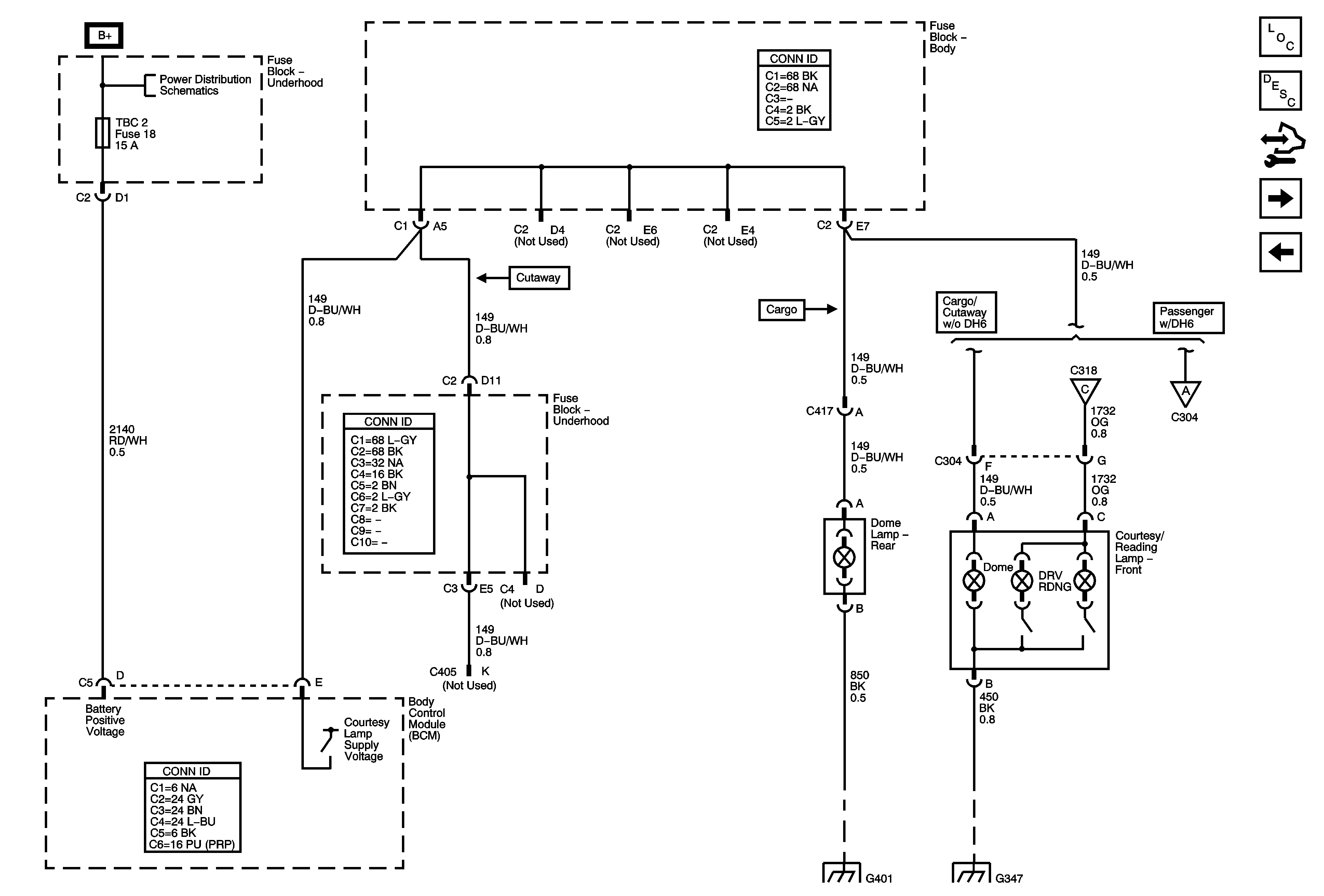
🢒 Courtesy Lamps - w/o YF7 - 1 of 2
Courtesy Lamps - w/o YF7 - 1 of 2
Courtesy Lamps (w/o YF7) 1 of 2
Master Electrical Component List
Interior Lighting Systems Description and Operation
Control Module References
Courtesy Lamps - w/o YF7 - 2 of 2
Courtesy Lamps - YF7
B+ Bus - Underhood Fuse Block - Gas
Underhood/Vanity Lamps and Door Jamb Switches
Courtesy Lamps - w/o YF7 - 2 of 2
G401 - Passenger/Cargo
G347 - 3 of 3