GM Service Manual Online
For 1990-2009 cars only
Makes
🢒
GMC_Truck
🢒
2007
🢒
Savana - AWD
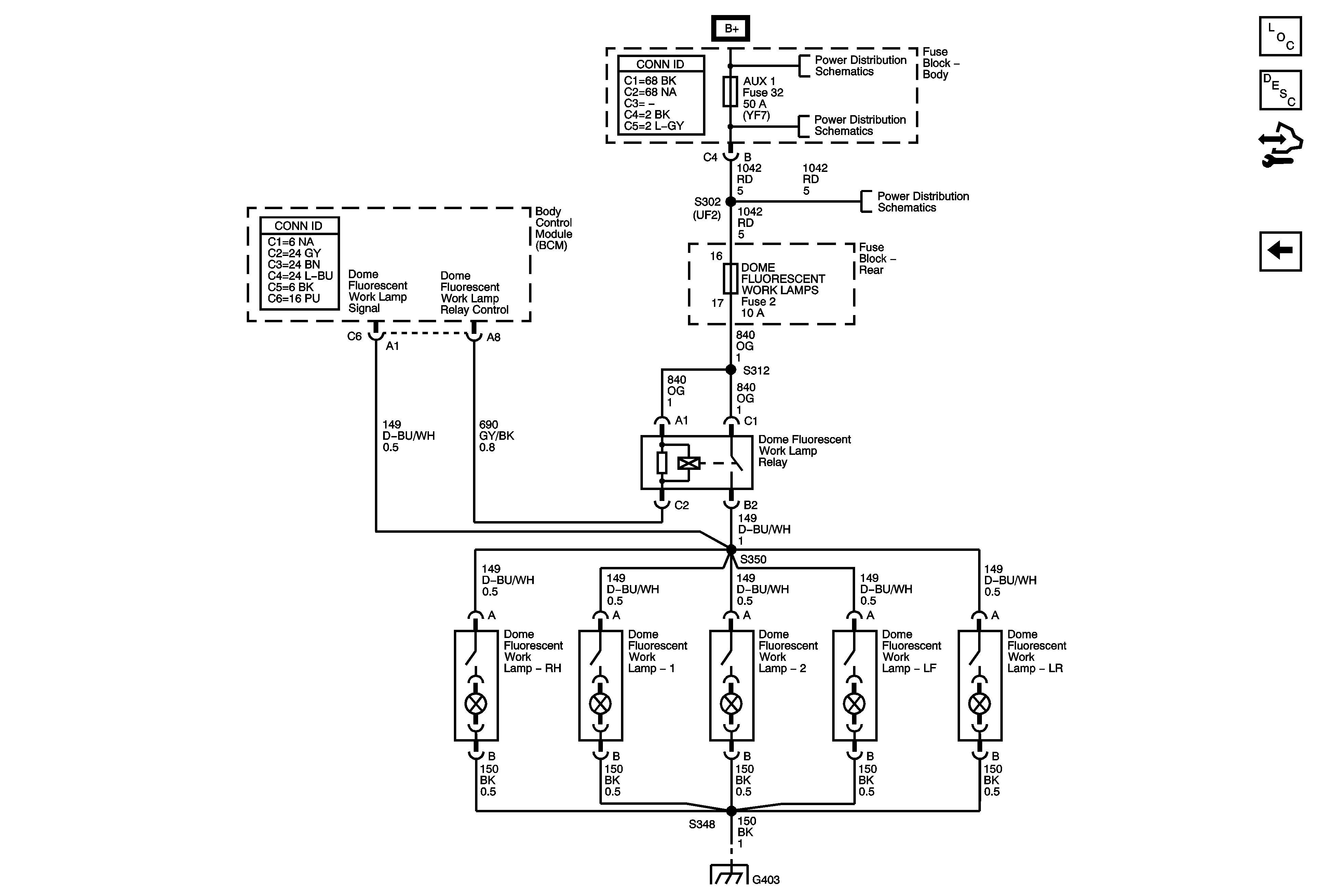
🢒 Dome Fluorescent Work Lamps - PRP w/ UF2
Dome Fluorescent Work Lamps - PRP w/ UF2
Dome Fluorescent Work Lamps - PRP (UF2)
Master Electrical Component List
Interior Lighting Systems Description and Operation
Control Module References
Underhood/Vanity Lamps and Door Jamb Switches
B+ Bus - Body Fuse Block
AUX 1, OSRVM, REAR BLWR and SPARE Fuses
DOME FLUORESCENT WORK LAMPS and PANEL ACTUATOR Fuses
G401 - Passenger/Cargo and G403 - PRP