GM Service Manual Online
For 1990-2009 cars only
Makes
🢒
GMC_Truck
🢒
2007
🢒
Savana - AWD
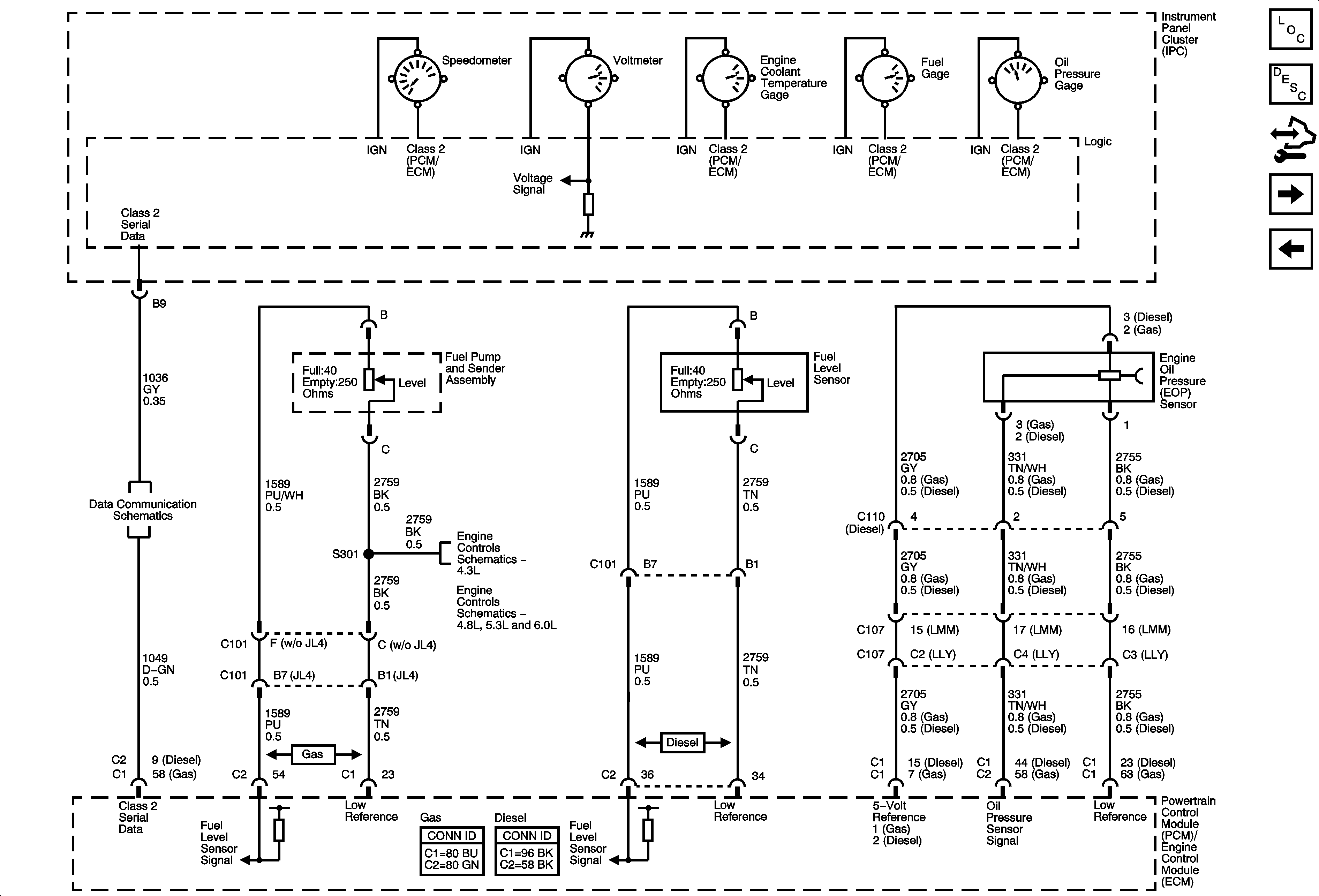
🢒 Gages
Gages
Gages
Master Electrical Component List
Instrument Cluster Description and Operation
Control Module References
Indicators
Power, Ground and Serial Data
Power, Ground and Serial Data
Fuel Controls - Fuel Pump Controls
Fuel Controls - Fuel Pump Controls