GM Service Manual Online
For 1990-2009 cars only
Makes
🢒
GMC_Truck
🢒
2007
🢒
Sierra Classic - 4WD
🢒
Suspension
🢒
Selectable Ride
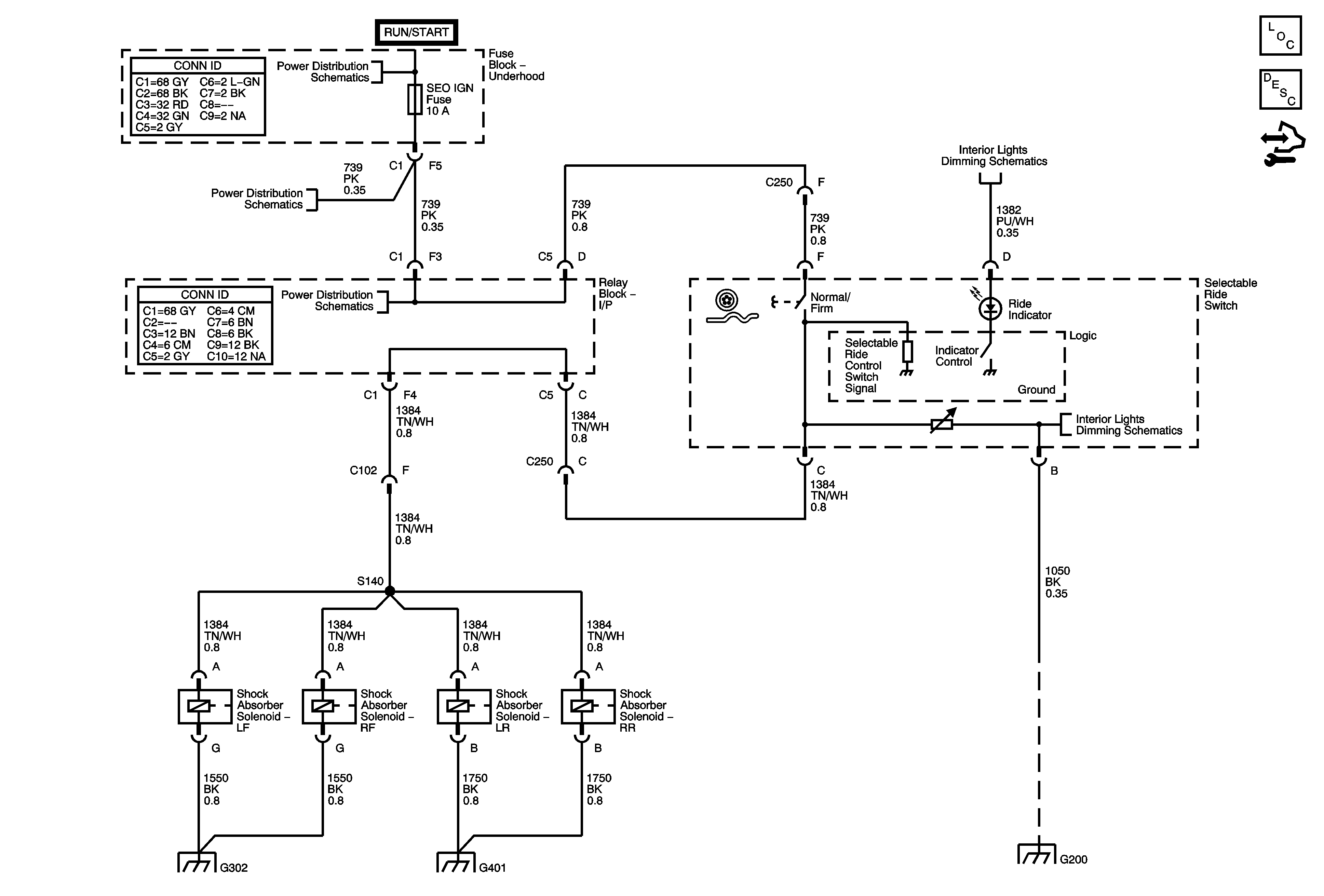
🢒 Selectable Ride Control Schematics
Master Electrical Component List
Selectable Ride Description and Operation
Control Module References
LED Dimming Supply - 2 of 2
LED Dimming Supply - 2 of 2
Ignition Switch - ACC/RUN and RUN/START BUS BARS and IGN B Fuse
B/U LP, BTSI, O2A, O2B, TBC IGN 1, and TRL B/U Fuses
B/U LP, BTSI, O2A, O2B, TBC IGN 1, and TRL B/U Fuses
G302
G401
G200 - 2 of 2