GM Service Manual Online
For 1990-2009 cars only
Makes
🢒
GMC_Truck
🢒
2007
🢒
Sierra - 2WD
🢒
Diagnostic Navigation
🢒
Vehicle Diagnostic Information
🢒 Starting and Charging Schematics
Figure
1:
Starting
Master Electrical Component List
Starting System Description and Operation
Control Module References
Charging - Gas
A/C CMPRSR, FRT WASH, FUEL PUMP, HORN, HTD MIR, REAR DEFOG and STRTR Fuses
Battery Supply
Battery Supply
High Speed Bus - 3 of 3 (Diesel)
G106 (4.3L) and G103
G102, G107 (4.3L), G104, G108
G101
G106 (4.3L) and G103
Figure
2:
Charging (Gas)
Master Electrical Component List
Charging System Description and Operation
Control Module References
Charging - Diesel
Starting
ECM-BATT, HDLP WASH, HVAC BATT, IPC, LTR, S/ROOF and TCM-BATT Fuses
High Speed Bus - 1 of 3
G106 (4.3L) and G103
G101
G106 (4.3L) and G103
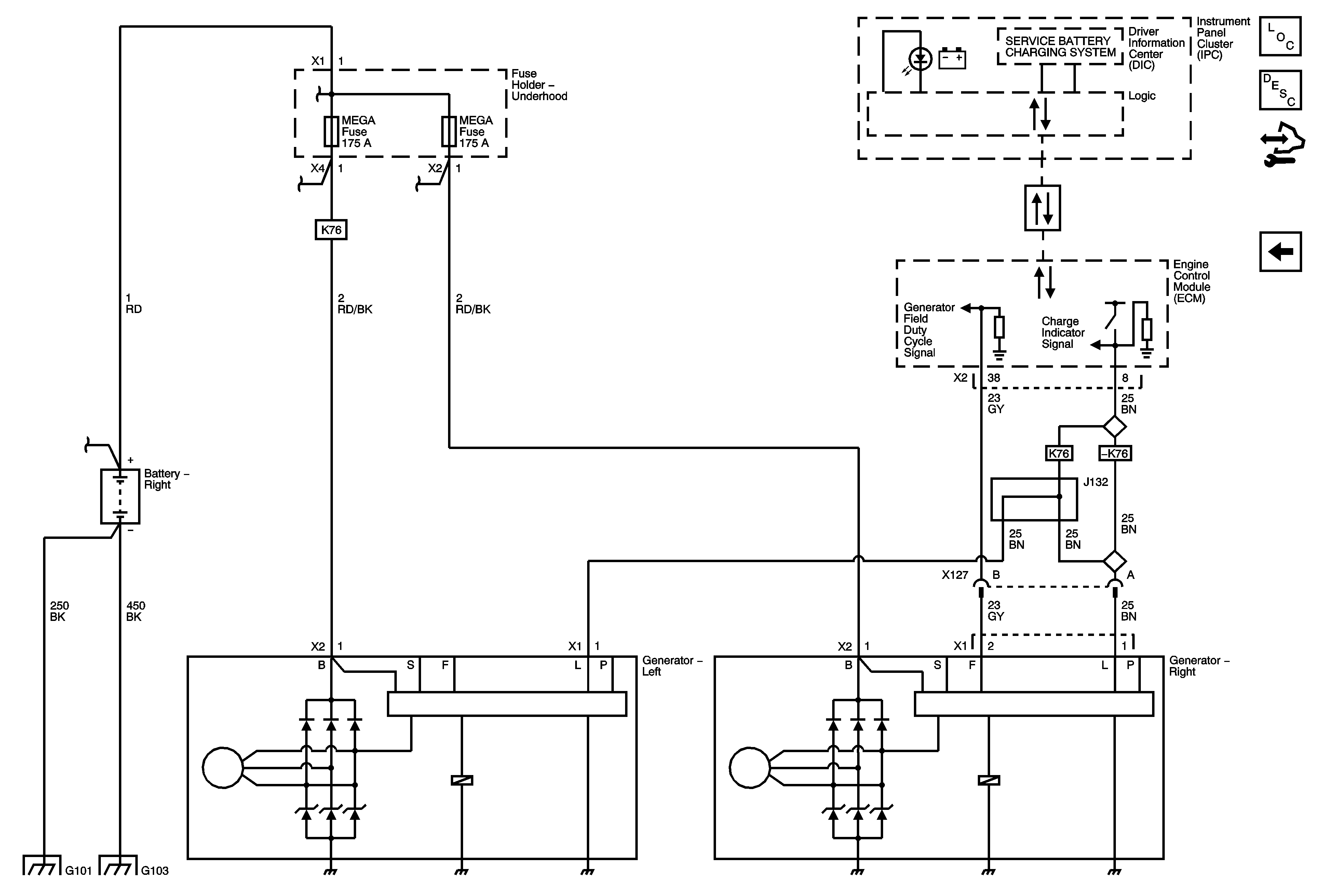
Figure
3:
Charging (Diesel)
Master Electrical Component List
Charging System Description and Operation
Control Module References
Charging - Gas
Battery Supply
Battery Supply
High Speed Bus - 1 of 3
G101
G106 (4.3L) and G103