GM Service Manual Online
For 1990-2009 cars only
Figure 1:

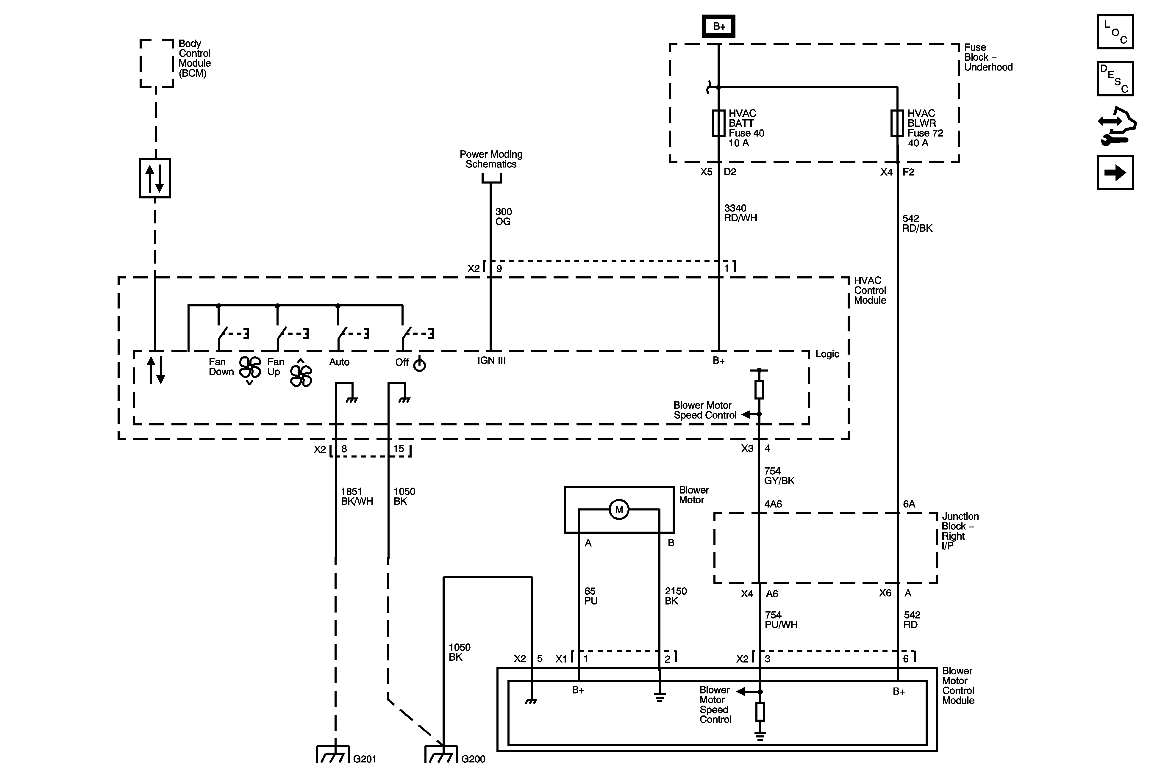
Module Power, Ground, Serial Data and Blower Controls


Object Number: 1844388  Size: FS
Master Electrical Component List
Air Delivery Description and Operation
Control Module References
Mode Controls
ECM-BATT, HDLP WASH, HVAC BATT, IPC, LTR, S/ROOF and TCM-BATT Fuses
ABS-1, ABS-2, HEAVY DUTY ABS, HVAC BLWR, STUD 1, STUD 2 and WSW/HTR Fuses
Low Speed Bus - 1 of 3
Ignition III Voltage and Accessory Voltage
G201 1 of 2
G200 1 of 2
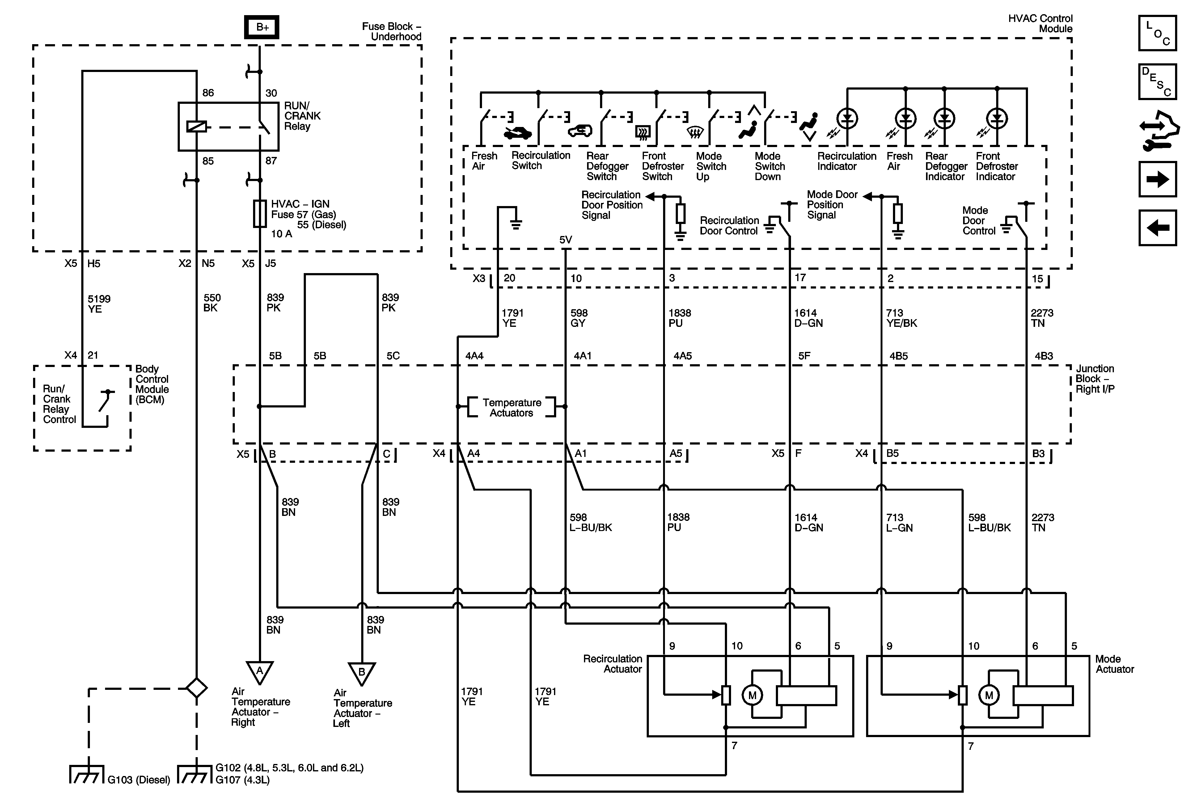
Figure 2:

Mode Controls


Object Number: 1844389  Size: FS
Master Electrical Component List
Air Delivery Description and Operation
Control Module References
Temperature Controls
Module Power, Ground, Serial Data and Blower Controls
RUN/CRANK BUS - AUX HVAC- IGN and HVAC-IGN Fuses
Temperature Controls
Temperature Controls
Temperature Controls
G106 (4.3L) and G103
G102, G107 (4.3L), G104, G108
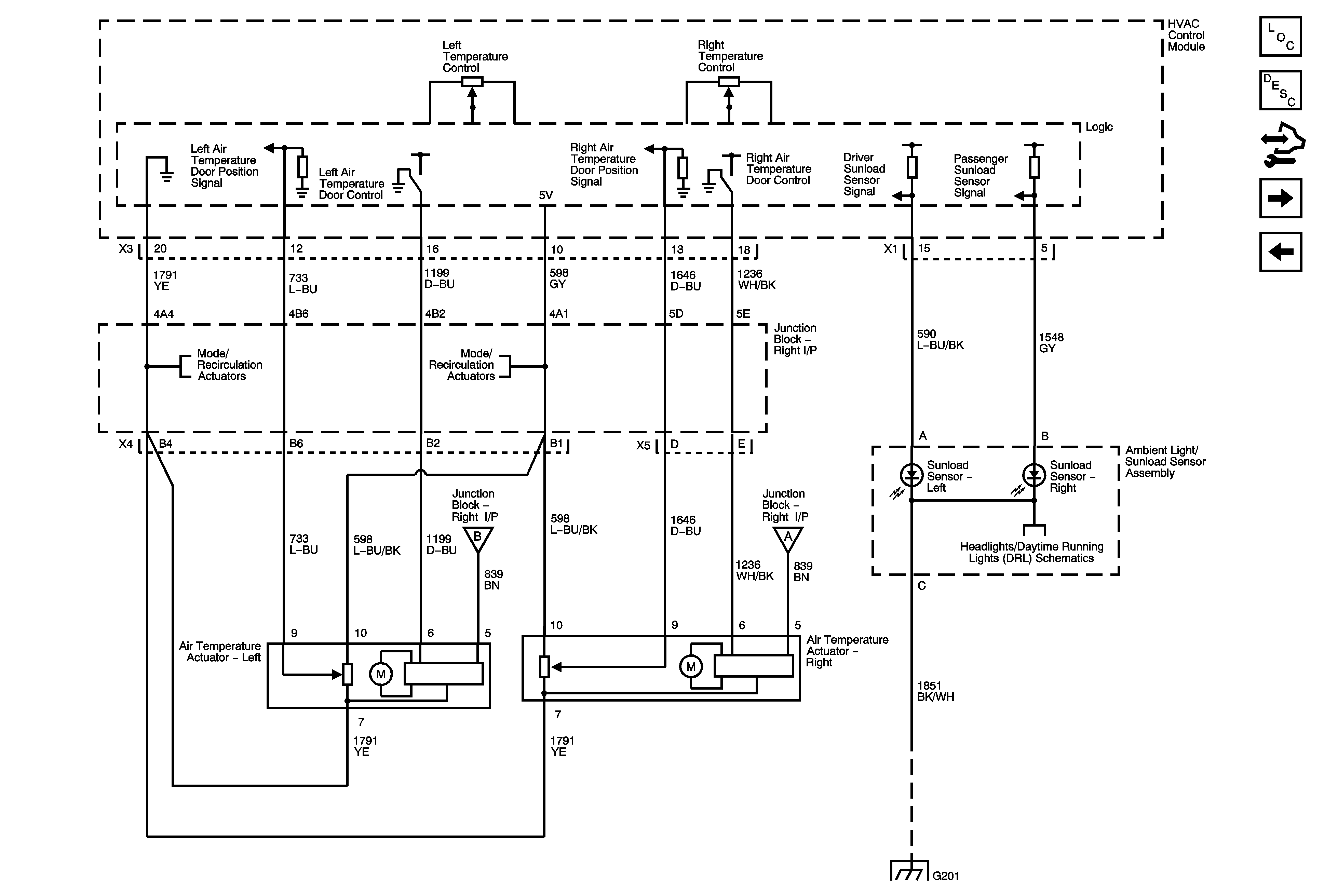
Figure 3:

Temperature Controls


Object Number: 1844390  Size: FS
Master Electrical Component List
Air Temperature Description and Operation
Control Module References
Temperature Sensors
Mode Controls
Mode Controls
Mode Controls
Mode Controls
Mode Controls
Headlight and Daytime Running Light Control
G201 1 of 2
Figure 4:

Temperature Sensors


Object Number: 1844391  Size: FS
Master Electrical Component List
Air Temperature Description and Operation
Control Module References
A/C Compressor Controls
Temperature Controls
G200 1 of 2
Figure 5:

A/C Compressor Controls


Object Number: 1844392  Size: FS
Master Electrical Component List
Air Temperature Description and Operation
Control Module References
Temperature Sensors
A/C CMPRSR, FRT WASH, FUEL PUMP, HORN, HTD MIR, REAR DEFOG and STRTR Fuses
Low Speed Bus - 1 of 3
G106 (4.3L) and G103
G106 (4.3L) and G103
G102, G107 (4.3L), G104, G108