GM Service Manual Online
For 1990-2009 cars only
Makes
🢒
GMC_Truck
🢒
2007
🢒
Sierra - 2WD
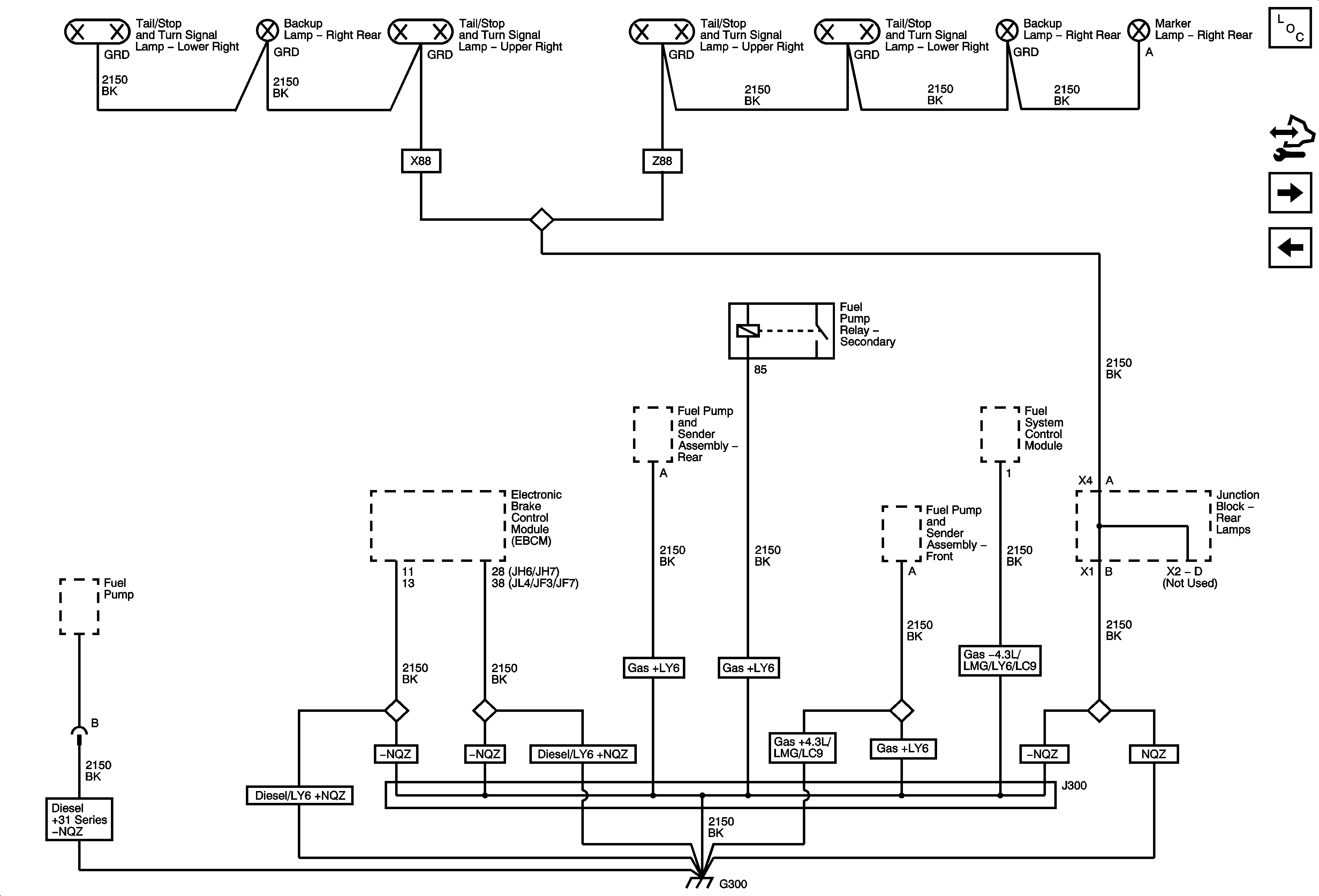
🢒 G300
G300
G300
Master Electrical Component List
Control Module References
G301
G201 2 of 2