GM Service Manual Online
For 1990-2009 cars only
Makes
🢒
GMC_Truck
🢒
2007
🢒
Sierra - 2WD
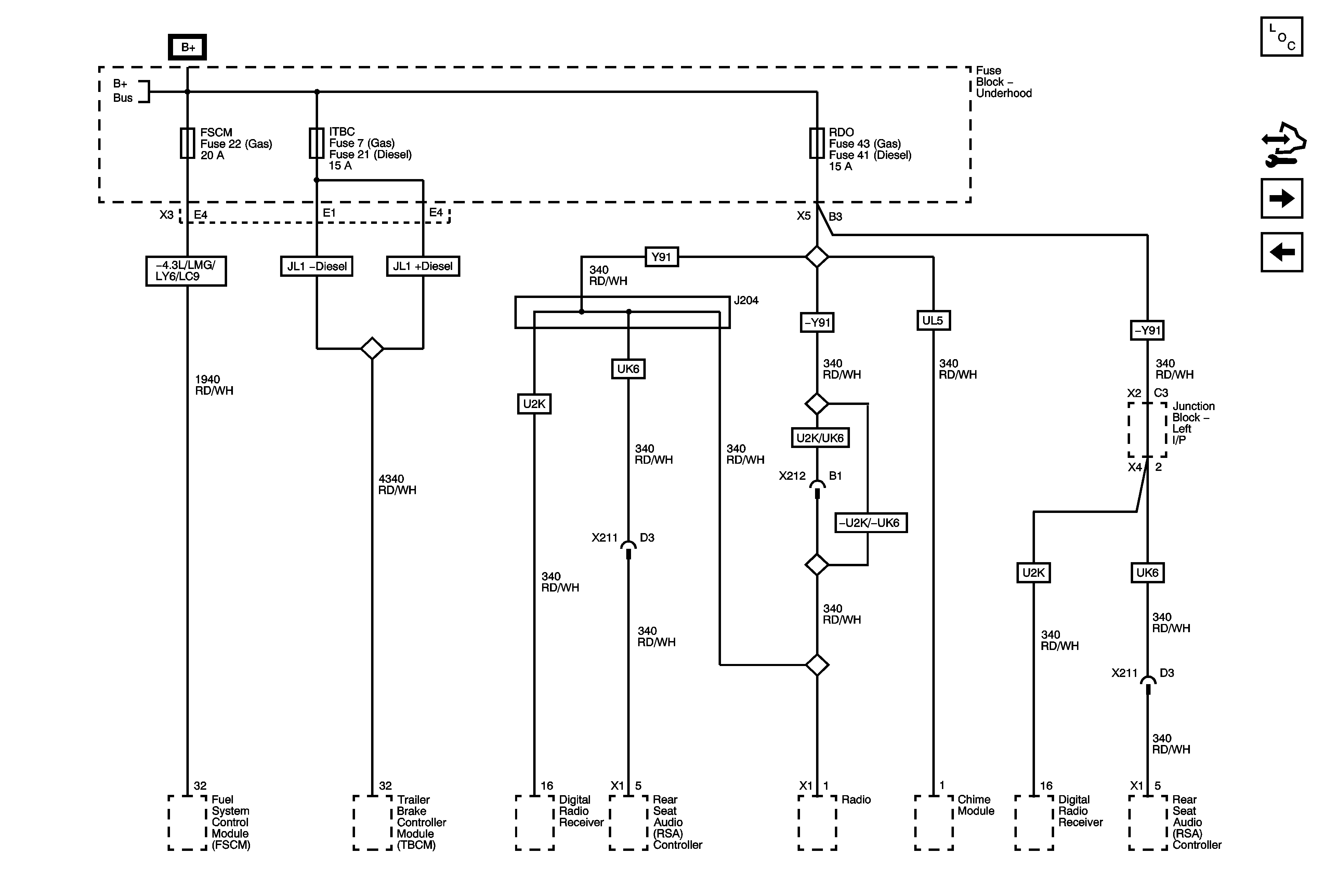
🢒 FSCM, ITBC and RDO Fuses
FSCM, ITBC and RDO Fuses
FSCM, ITBC and RDO Fuses
Master Electrical Component List
Control Module References
ABS-1, ABS-2, HEAVY DUTY ABS, HVAC BLWR, STUD 1, STUD 2 and WSW/HTR Fuses
AMP, ELEC RUN BOARD, ESC/ALC EXH, EXP/PTO, INFOTMNT, and TREC Fuses
B+ Bus - 1 of 3