GM Service Manual Online
For 1990-2009 cars only
Makes
🢒
GMC_Truck
🢒
2007
🢒
Sierra - 2WD
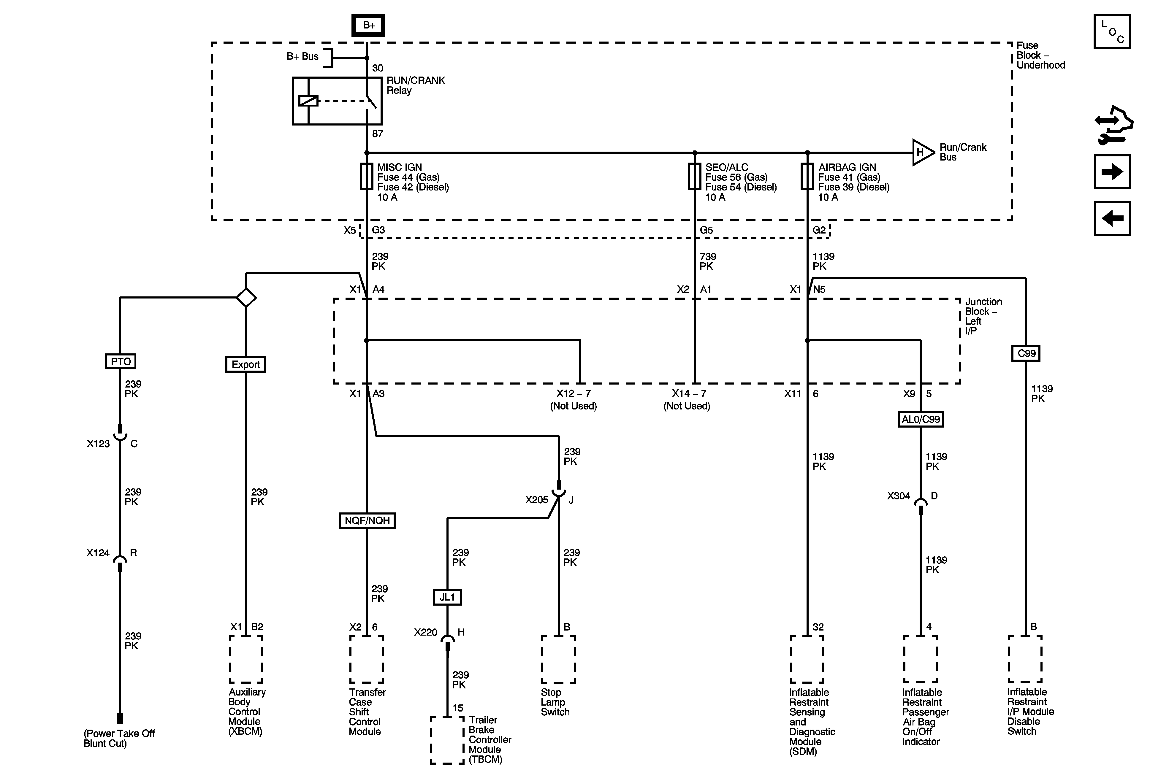
🢒 RUN/CRANK BUS - AIRBAG IGN, MISC IGN and SEO/ALC Fuses
RUN/CRANK BUS - AIRBAG IGN, MISC IGN and SEO/ALC Fuses
RUN/CRANK BUS - AIRBAG IGN, MISC IGN and SEO/ALC Fuses
Master Electrical Component List
Control Module References
RUN/CRANK BUS - ECM-IGN and TRANS IGN 1 Fuses
PWR/TRN BUS - INJ-A and INJ-B Fuses
B+ Bus - 3 of 3
RUN/CRANK BUS - ECM-IGN and TRANS IGN 1 Fuses