GM Service Manual Online
For 1990-2009 cars only
Makes
🢒
GMC_Truck
🢒
2007
🢒
Sierra - 2WD
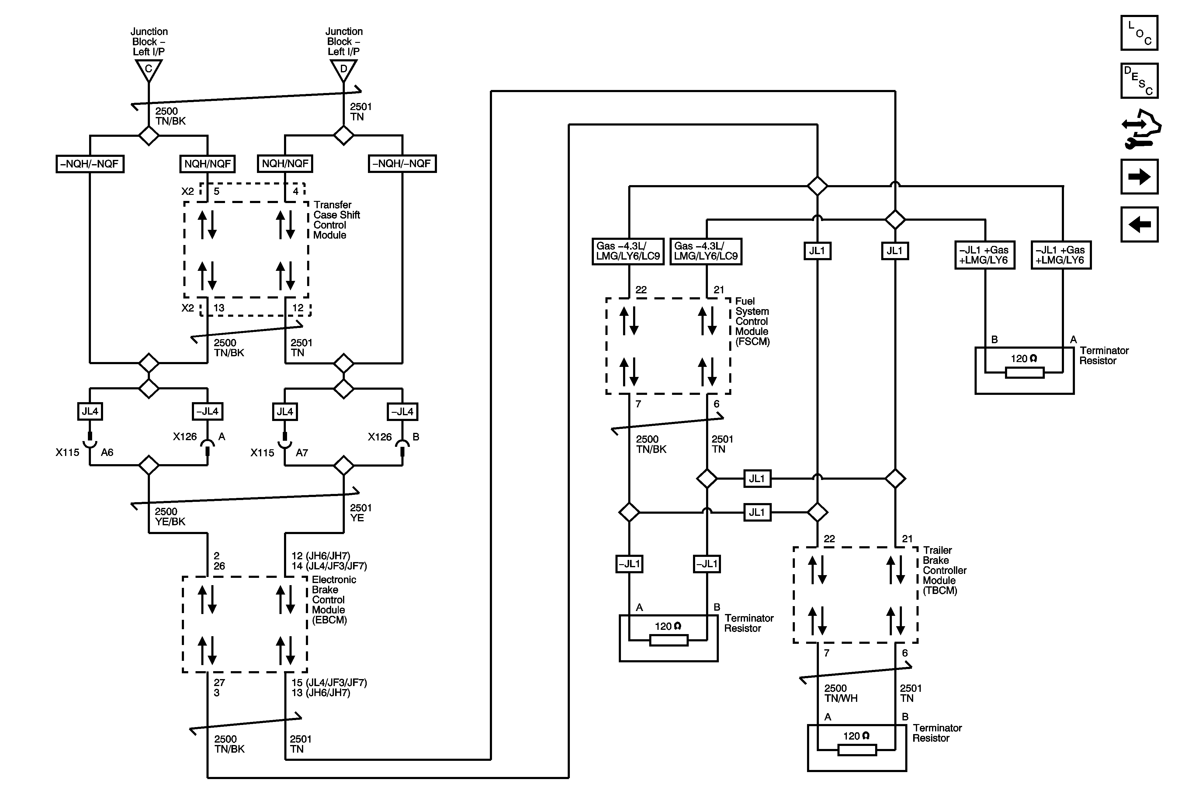
🢒 High Speed Bus - 2 of 3
High Speed Bus - 2 of 3
High Speed Bus - 2 of 3
Master Electrical Component List
Data Link Communications Description and Operation
Control Module References
High Speed Bus - 3 of 3 (Diesel)
High Speed Bus - 1 of 3
High Speed Bus - 1 of 3
High Speed Bus - 1 of 3