GM Service Manual Online
For 1990-2009 cars only
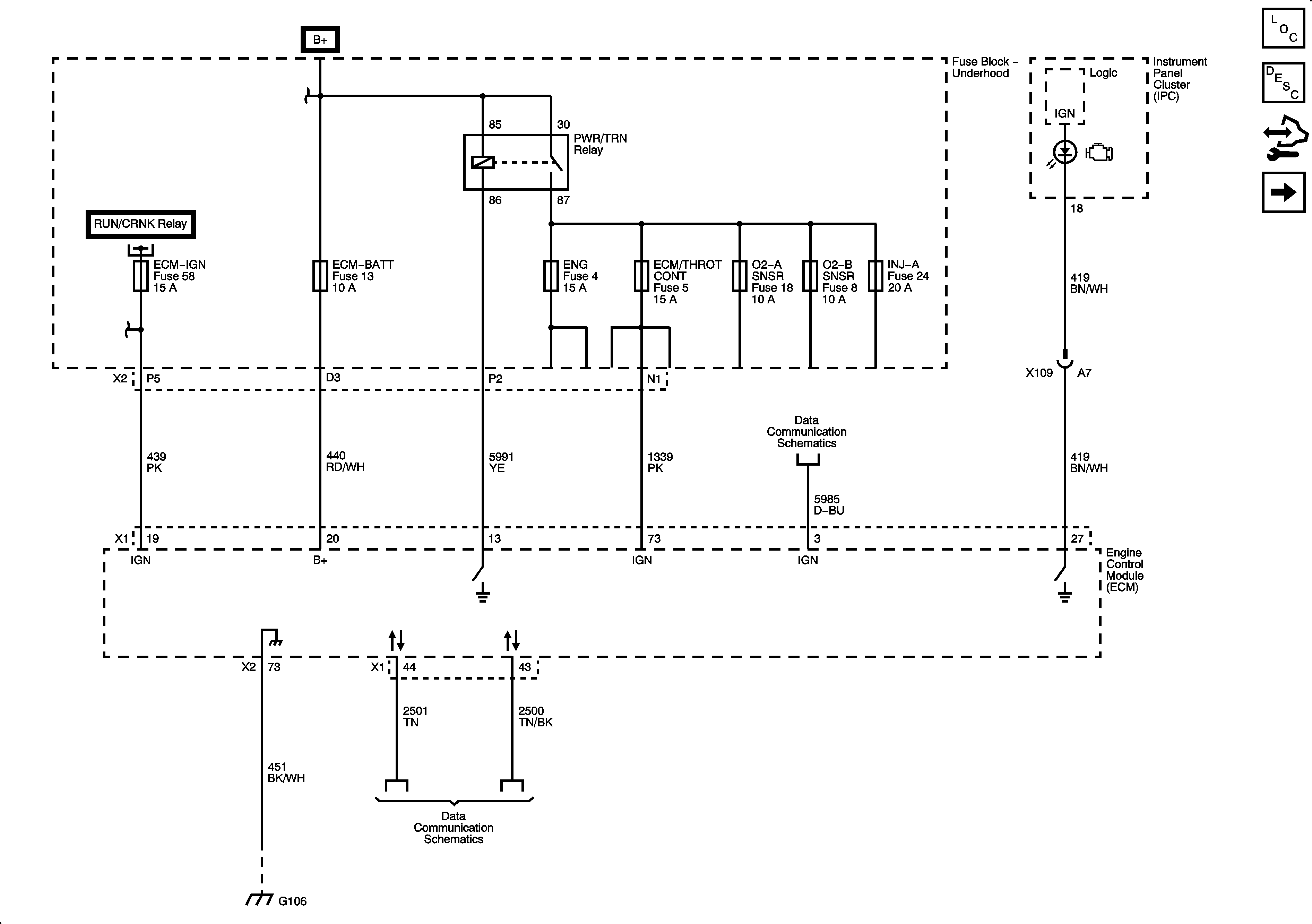
Figure 1:

Module Power, Ground, and Serial Data


Object Number: 2064707  Size: FS
Figure 2:

5-Volt and Low Reference


Object Number: 2064709  Size: FS
Figure 3:

Engine Data Sensors - Pressure and Temperature


Object Number: 2064711  Size: FS
Figure 4:

Engine Data Sensors - Heated Oxygen Sensors


Object Number: 2064713  Size: FS
Figure 5:

Engine Data Sensors - Throttle Controls


Object Number: 2064715  Size: FS
Figure 6:

Ignition Controls - Ignition Control Module


Object Number: 2064718  Size: FS
Figure 7:

Ignition Controls - Sensors


Object Number: 2064720  Size: FS
Figure 8:

Fuel Pump Controls


Object Number: 2064724  Size: FS
Figure 9:

Fuel Controls - Fuel Injectors


Object Number: 2064726  Size: FS
Figure 10:

Fuel Controls - EVAP Controls


Object Number: 2064729  Size: FS
Figure 11:

Controlled/Monitored Subsystem References


Object Number: 2064732  Size: FS