GM Service Manual Online
For 1990-2009 cars only
Figure 1:

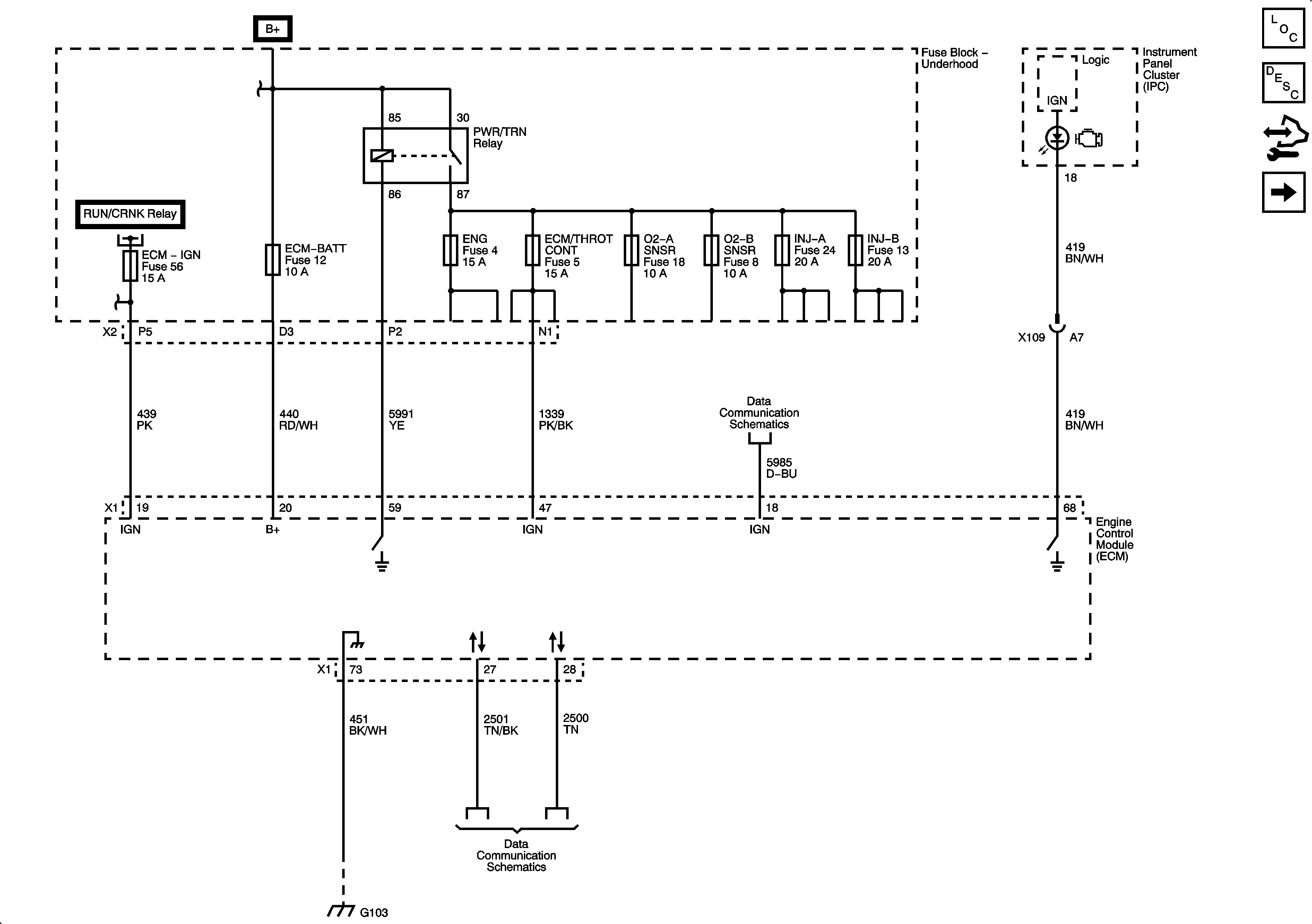
Module Power, Ground and Serial Data


Object Number: 2064741  Size: FS
Figure 2:

5-Volt and Low Reference


Object Number: 2064744  Size: FS
Figure 3:

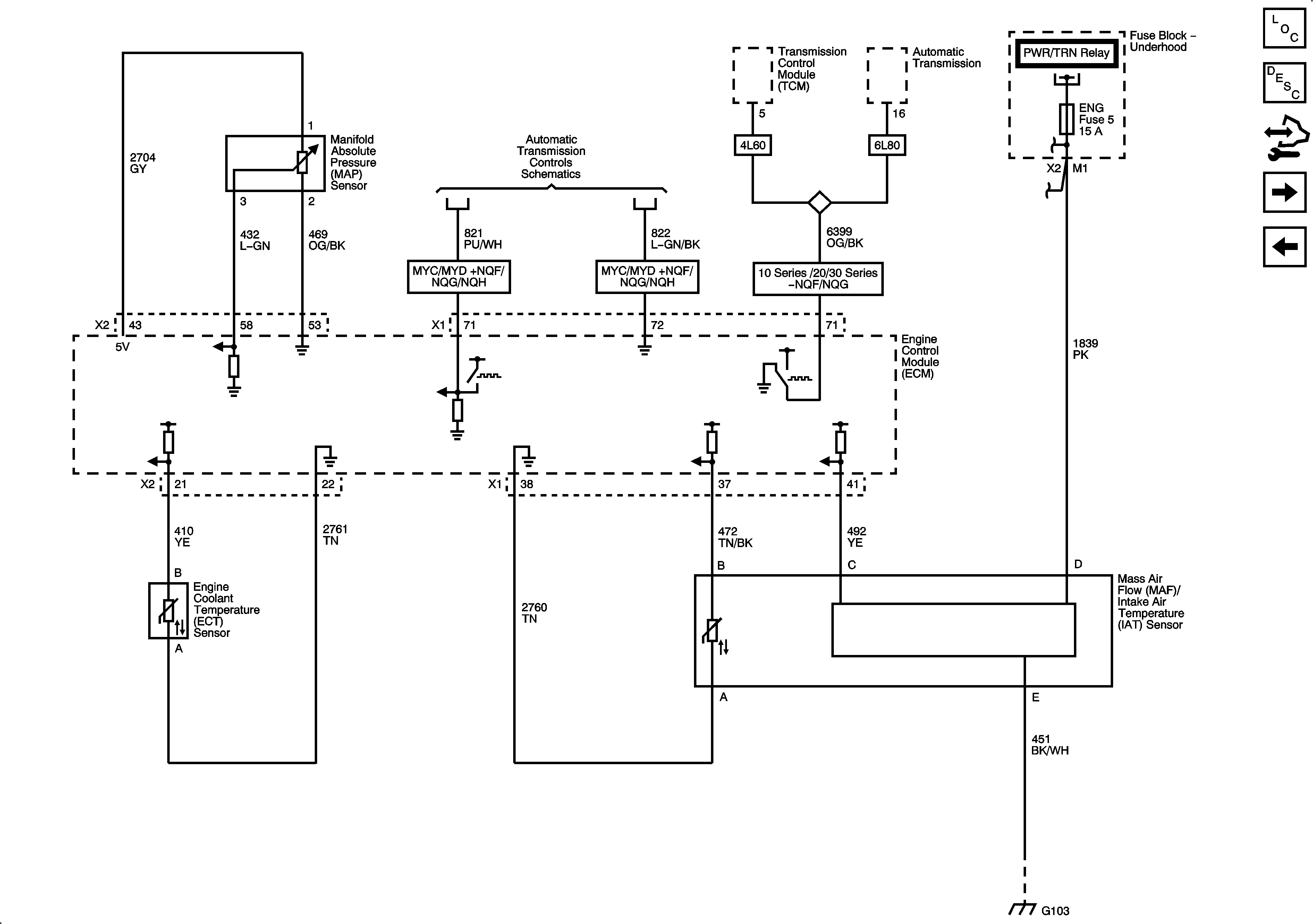
Engine Data Sensors - Pressure and Temperature


Object Number: 2064746  Size: FS
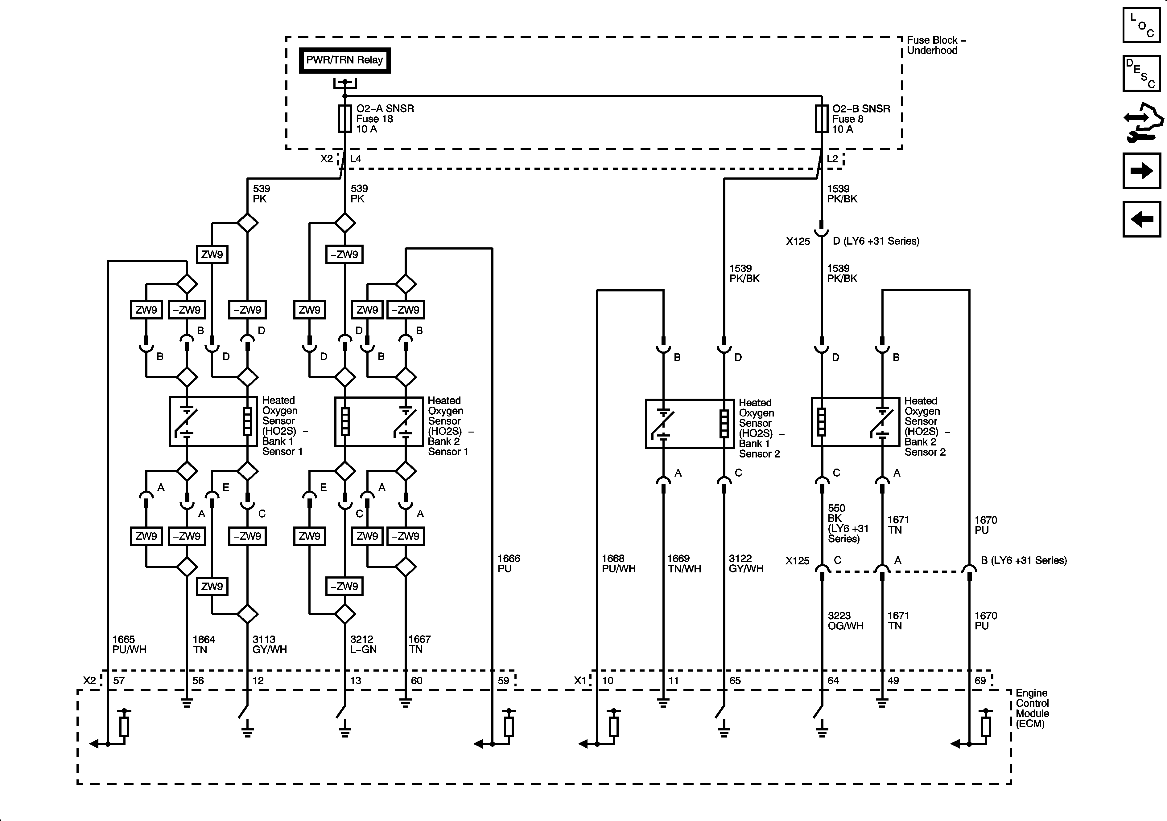
Figure 4:

Engine Data Sensors - Heated Oxygen Sensors


Object Number: 2064833  Size: FS
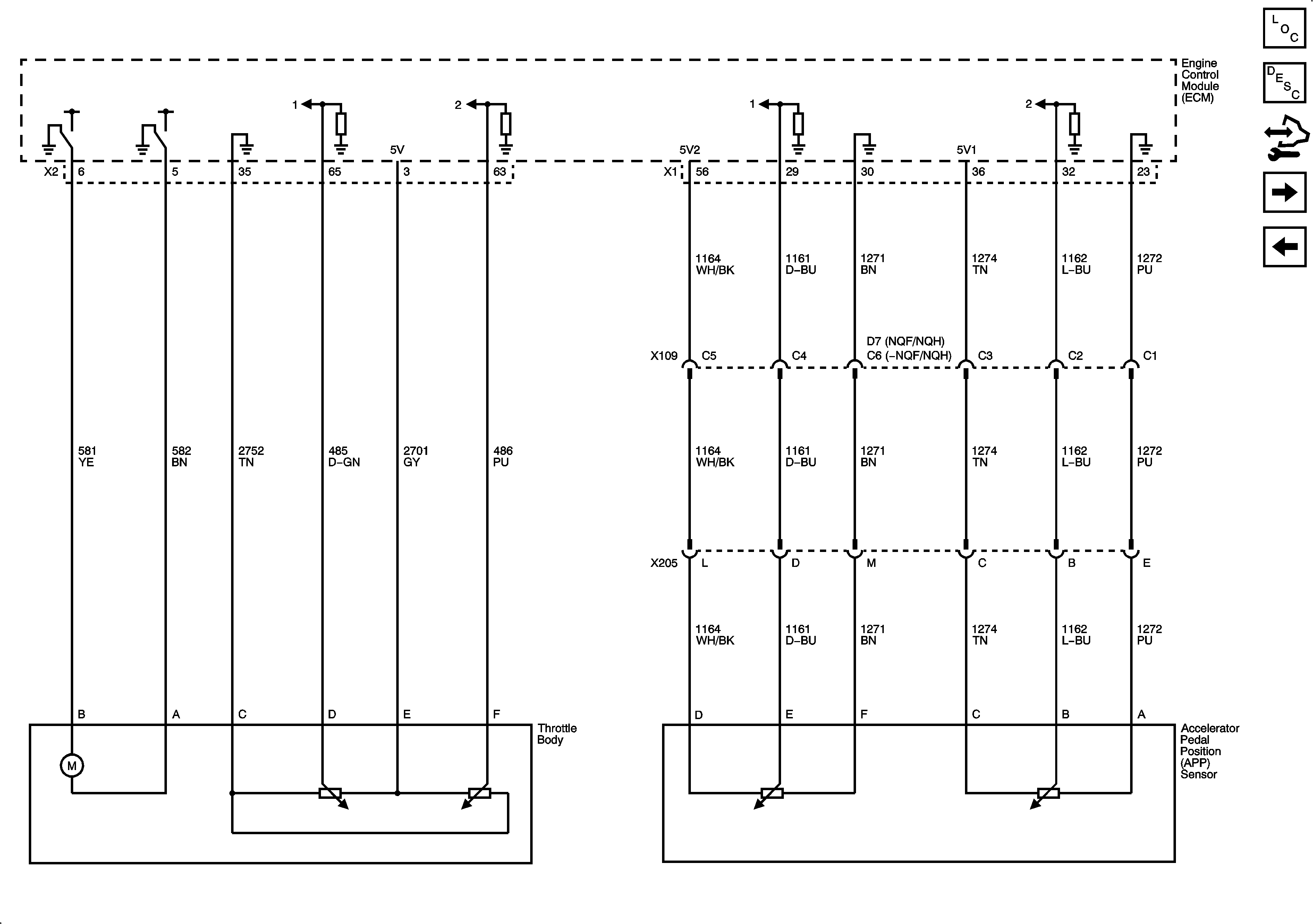
Figure 5:

Engine Data Sensors - Throttle Controls


Object Number: 2064835  Size: FS
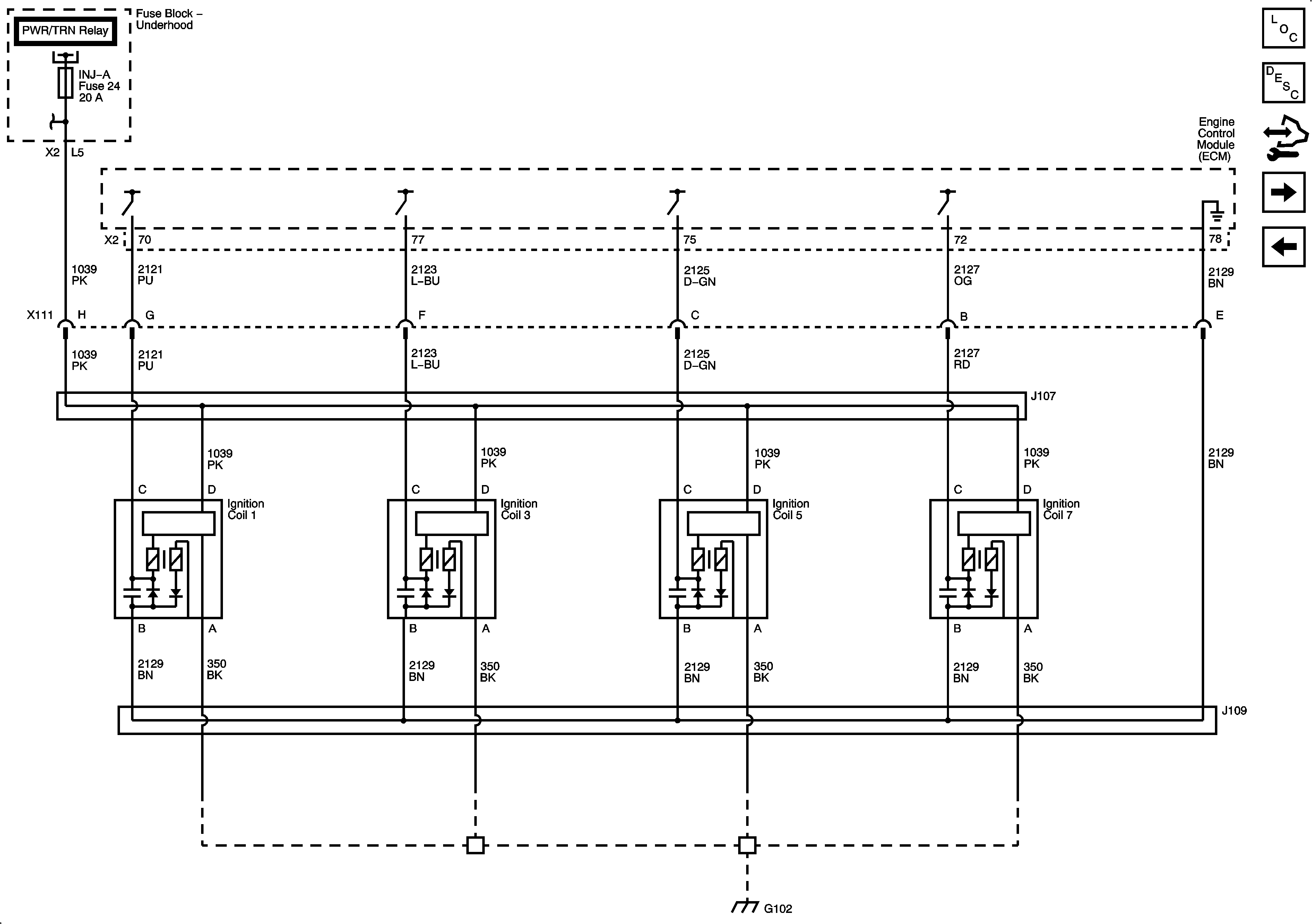
Figure 6:

Ignition Controls - Ignition System Coils 1, 3, 5 and 7


Object Number: 2064837  Size: FS
Figure 7:

Ignition Controls - Ignition System Coils 2, 4, 6 and 8


Object Number: 2064839  Size: FS
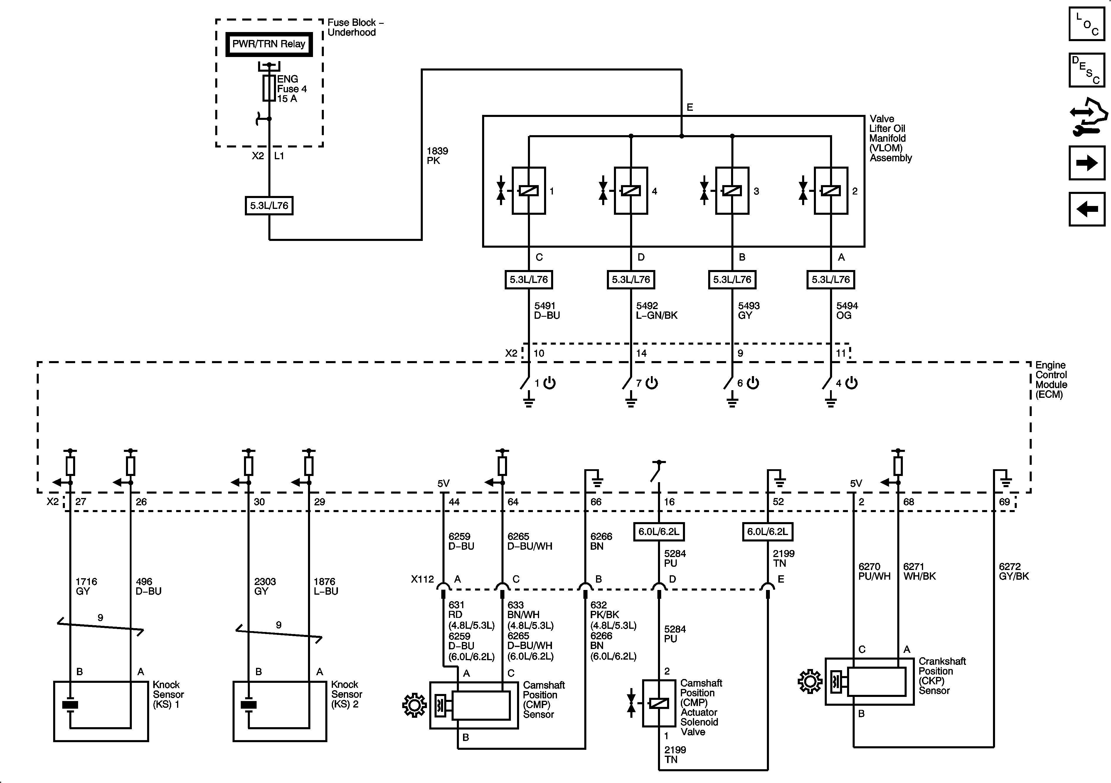
Figure 8:

Ignition Controls - Sensors


Object Number: 2064841  Size: FS
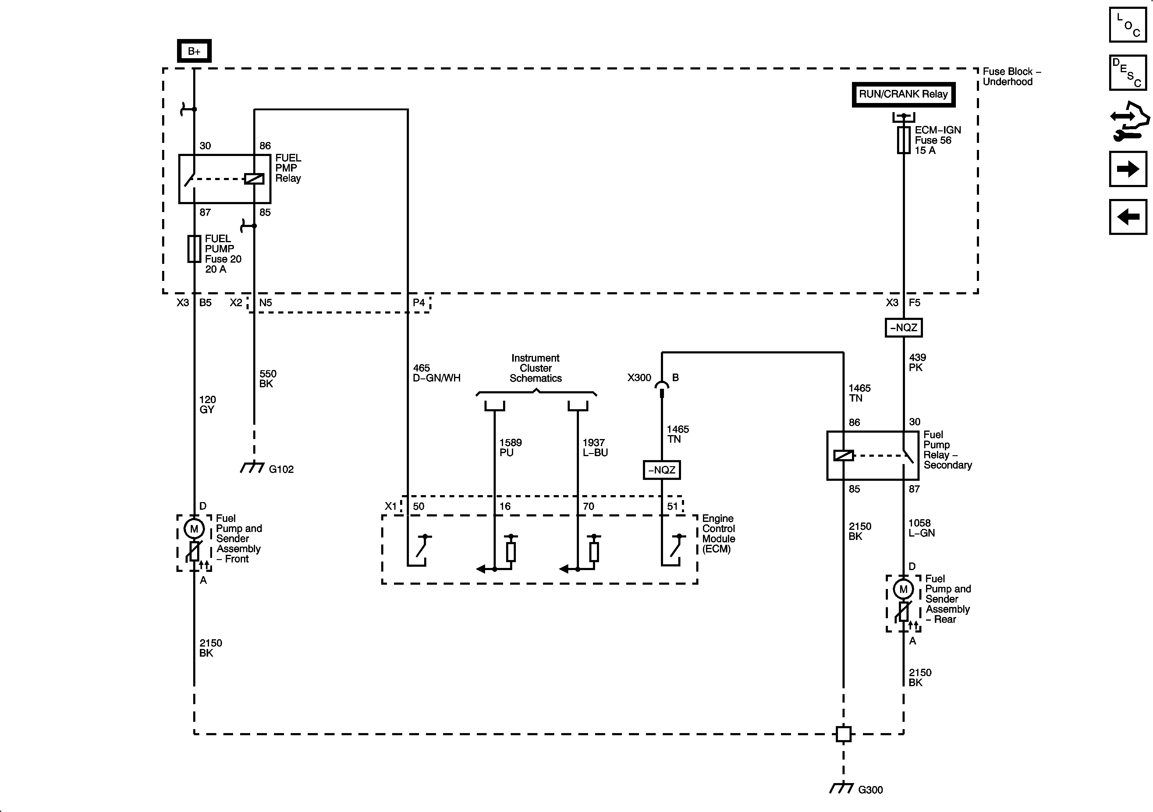
Figure 9:

Fuel Pump Controls (except LY6)


Object Number: 2064843  Size: FS
Figure 10:

Fuel Pump Controls (LY6)


Object Number: 2064845  Size: FS
Figure 11:

Fuel Controls - Fuel Injectors


Object Number: 2064847  Size: FS
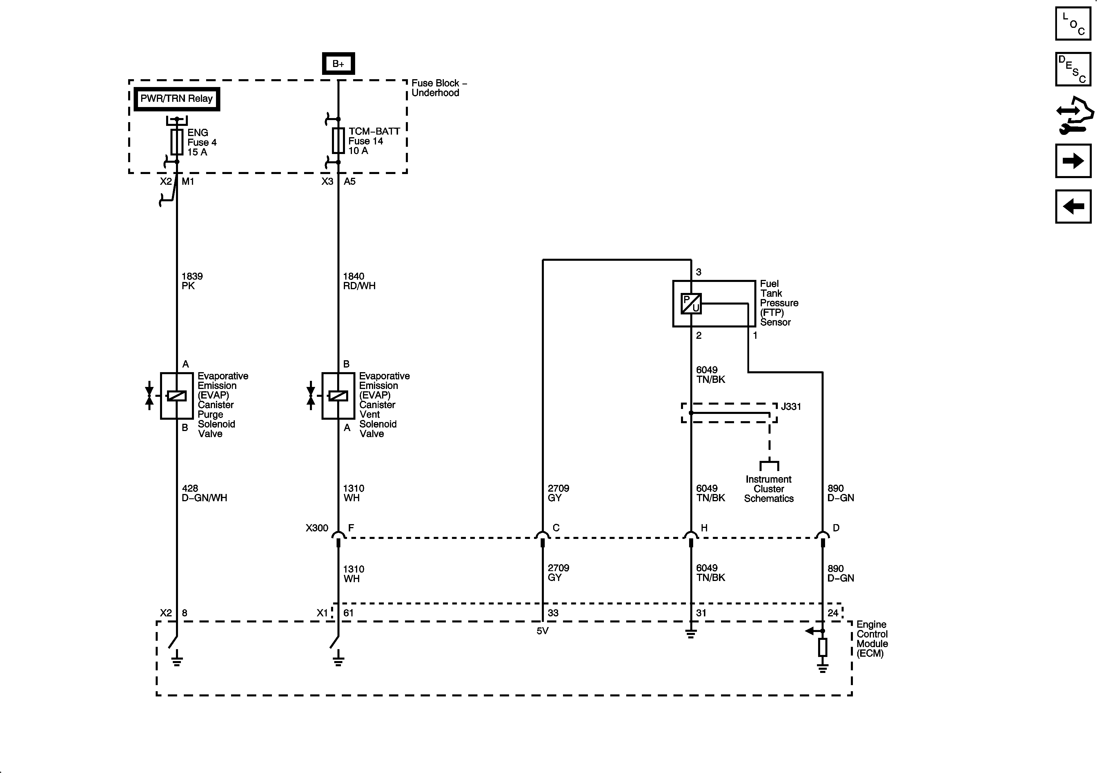
Figure 12:

Fuel Controls - EVAP Controls


Object Number: 2064849  Size: FS
Figure 13:

Controlled/Monitored Subsystem References


Object Number: 2064851  Size: FS