GM Service Manual Online
For 1990-2009 cars only
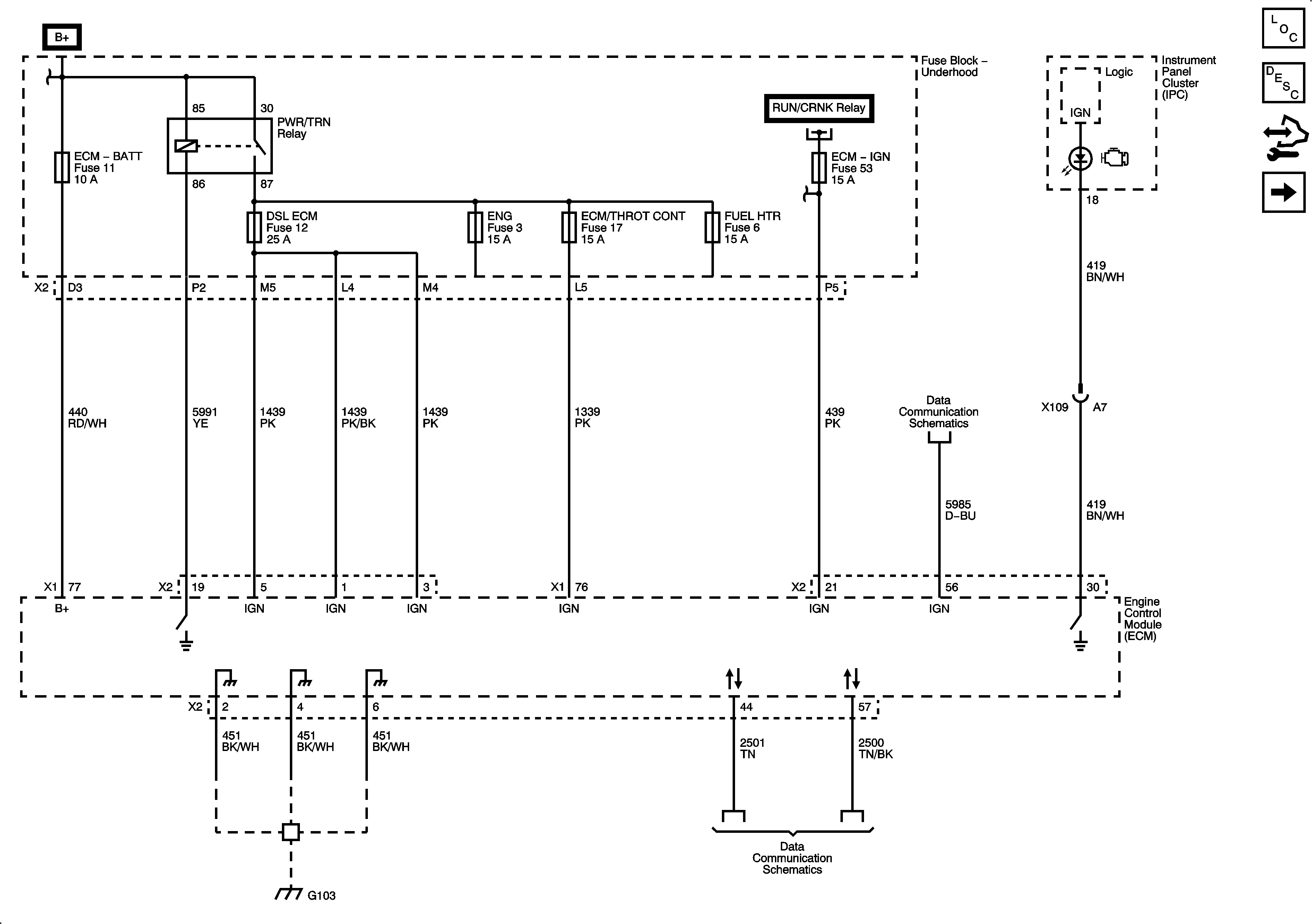
Figure 1:

Module Power, Ground, Serial Data and MIL


Object Number: 2064856  Size: FS
Figure 2:

Engine Data Sensors - 5-Volt and Low References - 1 of 2


Object Number: 2064858  Size: FS
Figure 3:

Engine Data Sensors - 5-Volt and Low References - 2 of 2


Object Number: 2064860  Size: FS
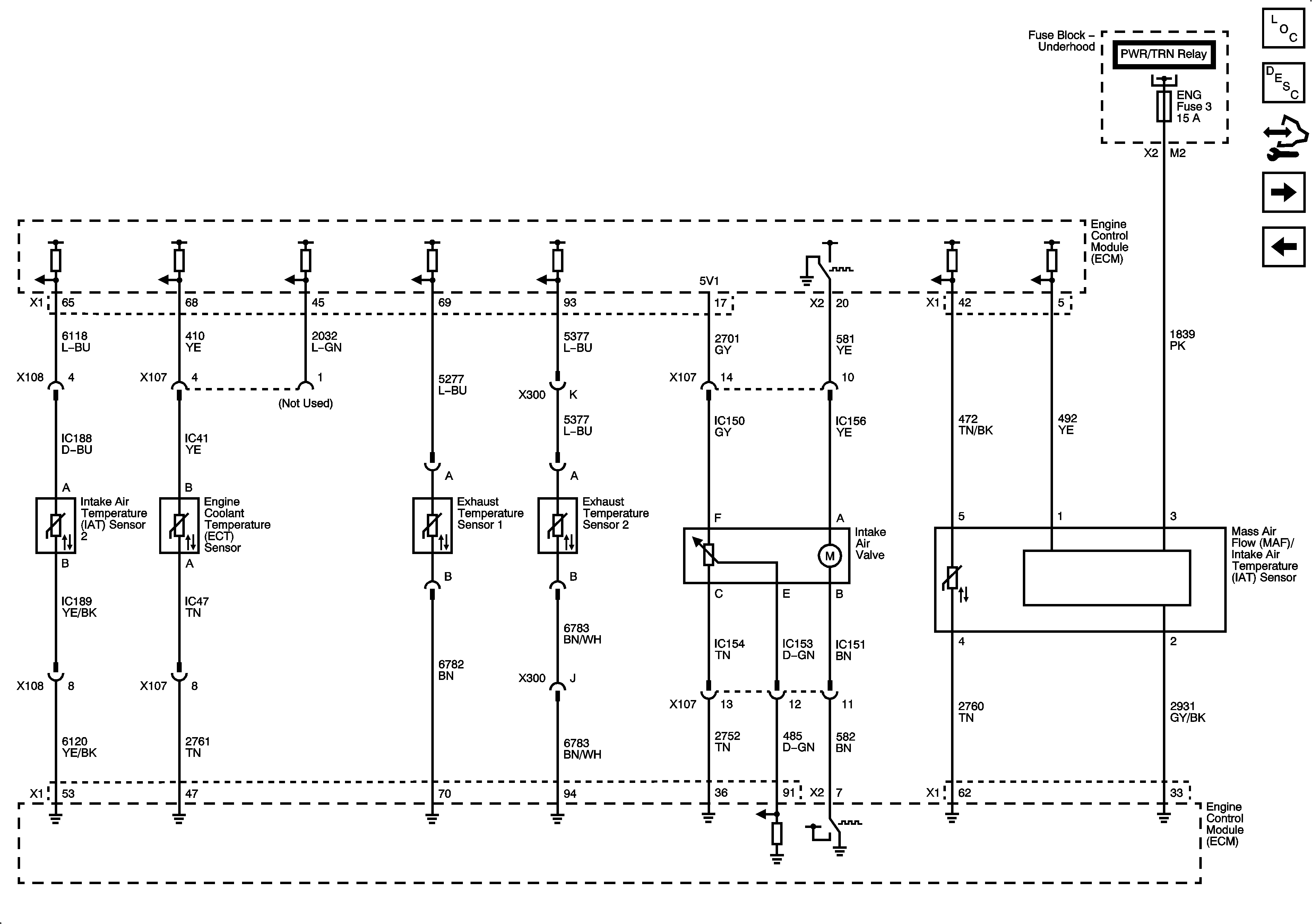
Figure 4:

Engine Data Sensors - Temperature and MAF


Object Number: 2064862  Size: FS
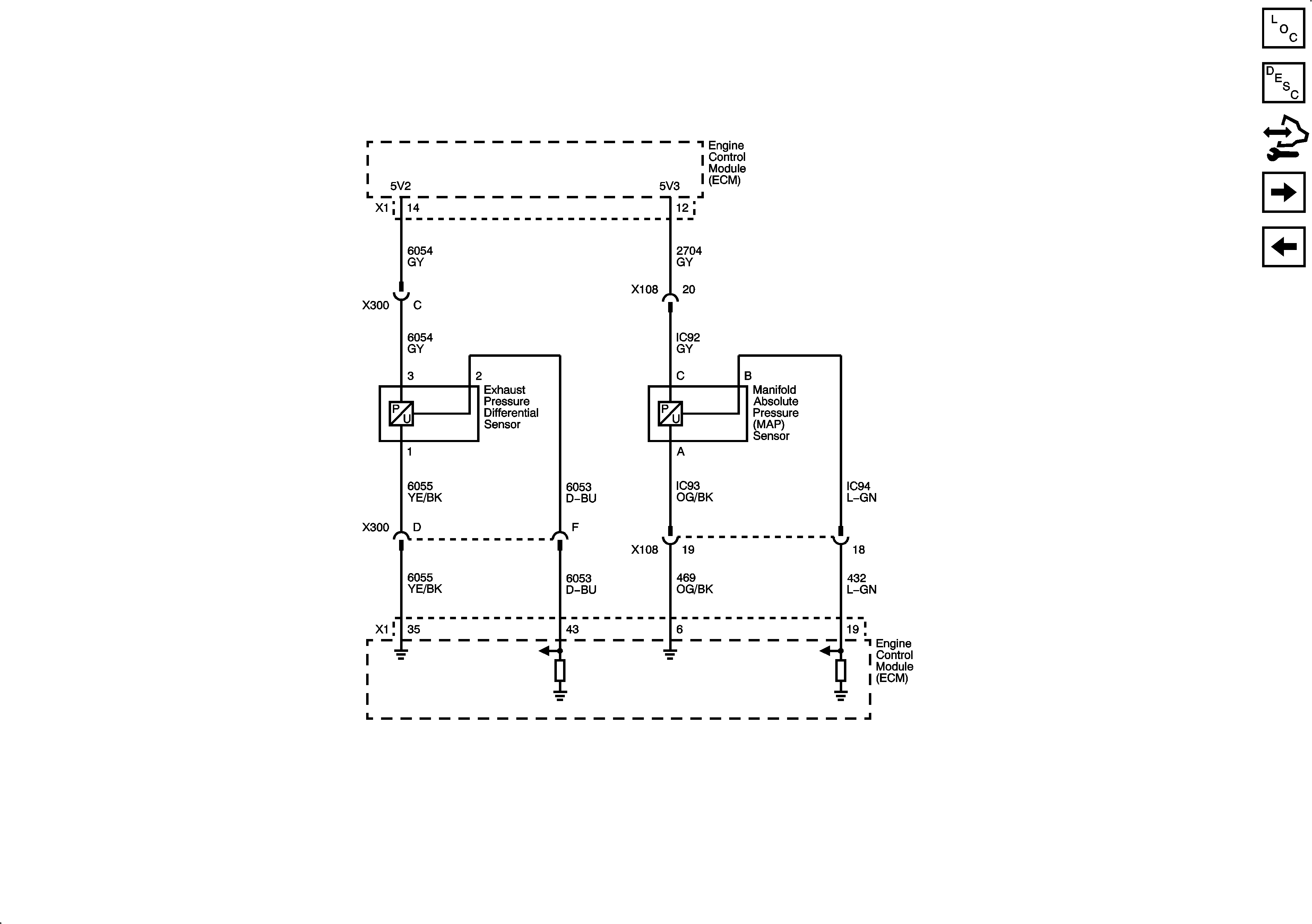
Figure 5:

Engine Data Sensors - Pressure


Object Number: 2064864  Size: FS
Figure 6:

EGR and Turbocharger Controls


Object Number: 2064868  Size: FS
Figure 7:

Pedal Position and Injector Timing


Object Number: 2064870  Size: FS
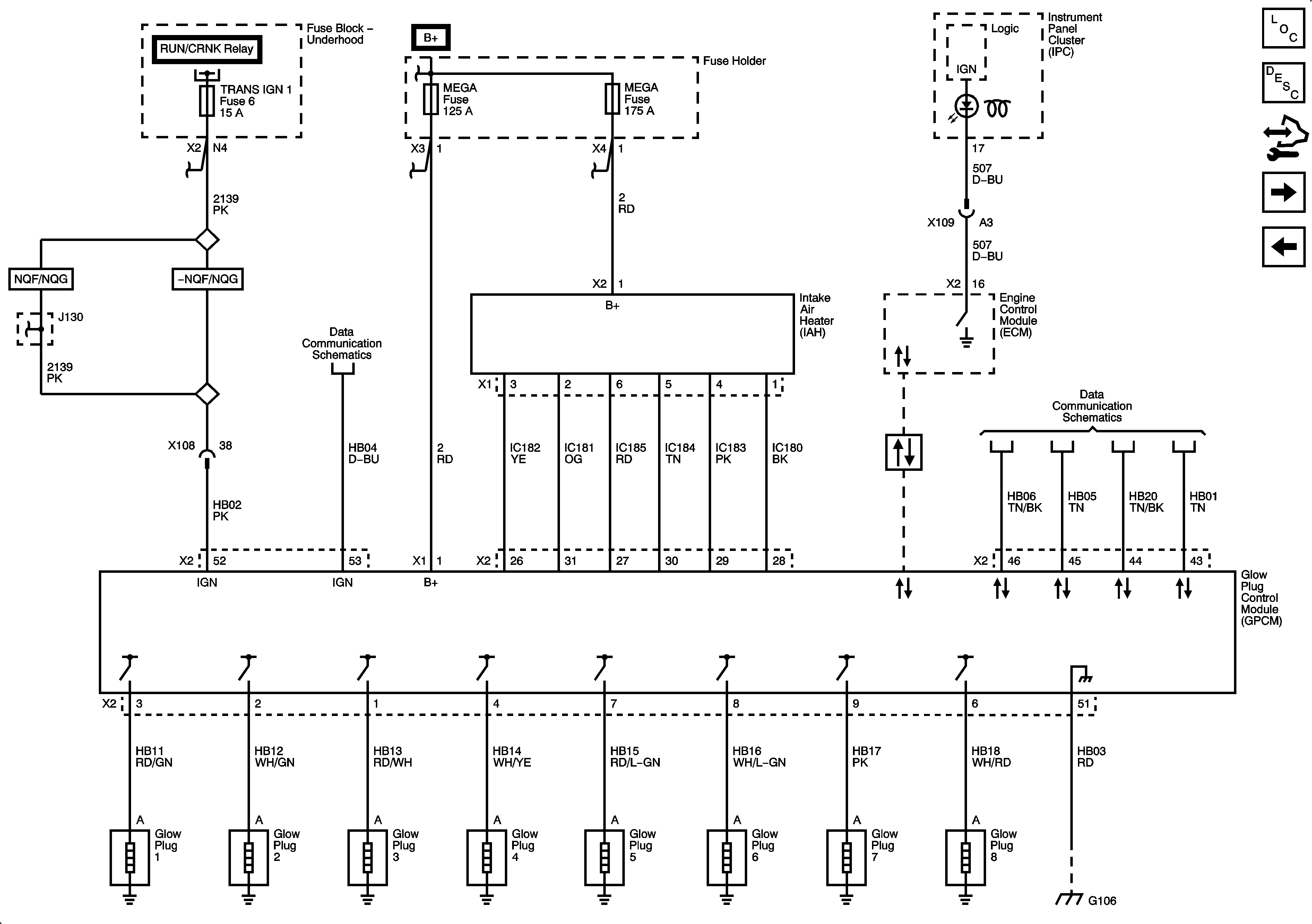
Figure 8:

Engine Data Sensors - Glow Plug Controls and Intake Air Heater


Object Number: 2064872  Size: FS
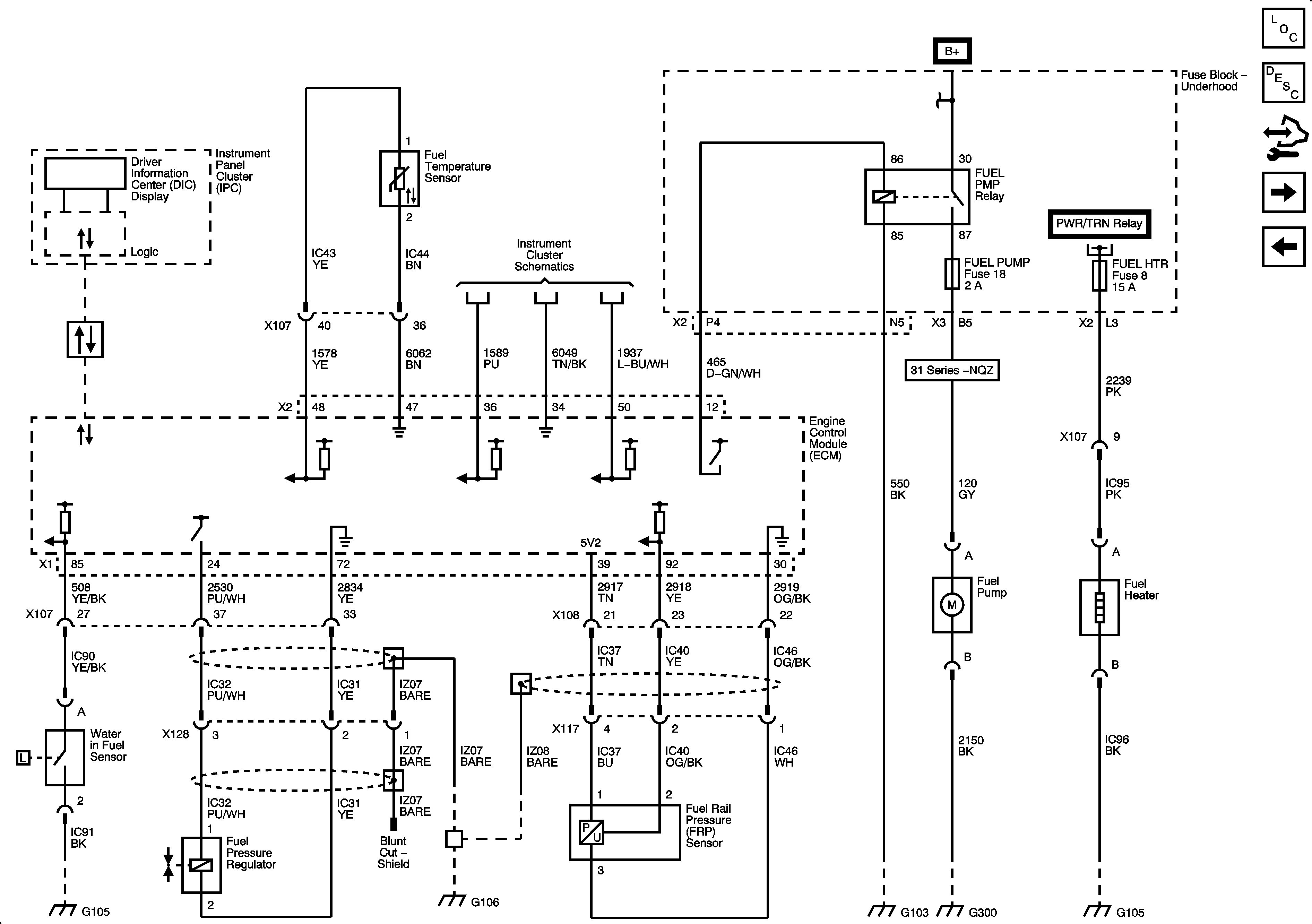
Figure 9:

Fuel Controls - Fuel Pump, Temperature and Pressure Controls


Object Number: 2064876  Size: FS
Figure 10:

Fuel Controls - Fuel Injectors


Object Number: 2064879  Size: FS
Figure 11:

Controlled/Monitored Subsystem References


Object Number: 2064881  Size: FS