GM Service Manual Online
For 1990-2009 cars only
Makes
🢒
GMC_Truck
🢒
2009
🢒
Sierra - 2WD
🢒
Engine
🢒
Engine Cooling
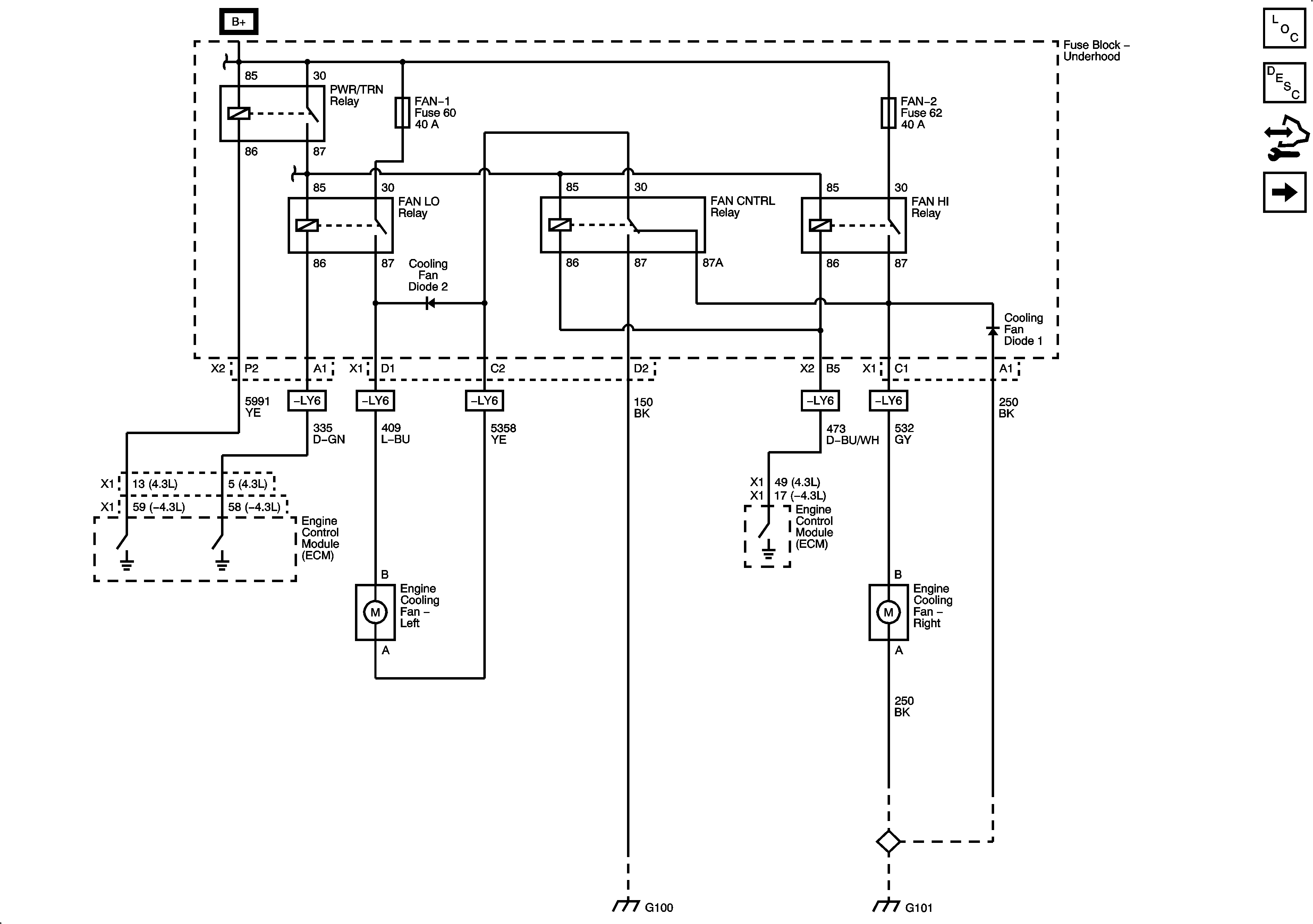
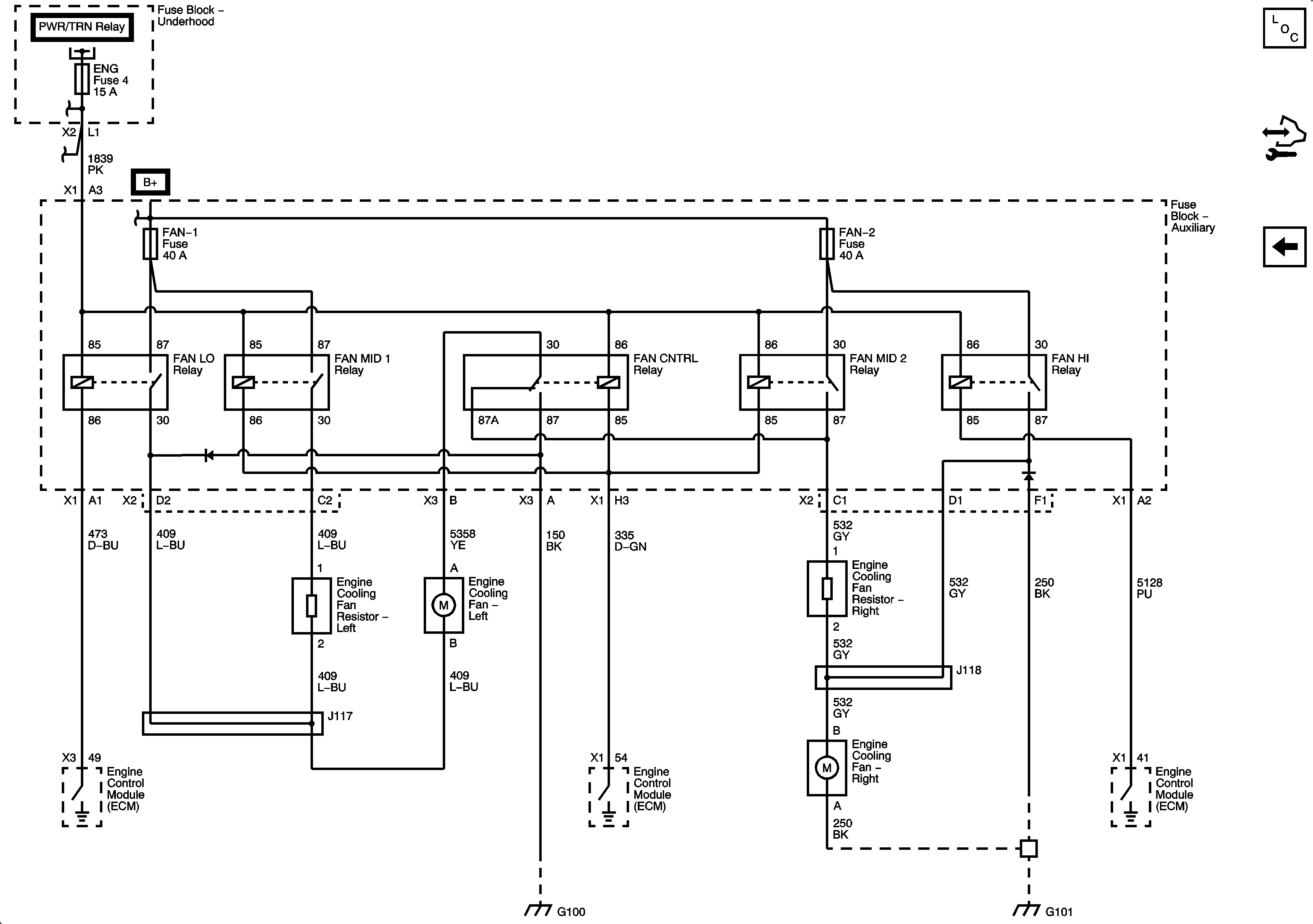
🢒 Engine Cooling Schematics
Figure
1:
Gas (Except HP2)
Figure
2:
Gas (HP2)
Figure
3:
Diesel