GM Service Manual Online
For 1990-2009 cars only
Figure 1:

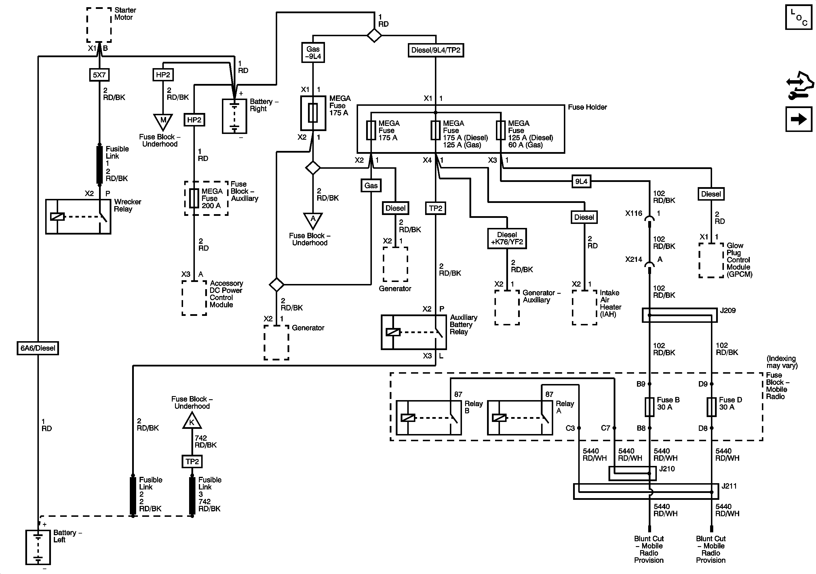
Battery Supply


Object Number: 2064986  Size: FS
Figure 2:

B+ Bus - 1 of 3


Object Number: 2064988  Size: FS
Figure 3:

B+ Bus - 2 of 3


Object Number: 2064992  Size: FS
Figure 4:

B+ Bus - 3 of 3


Object Number: 2064995  Size: FS
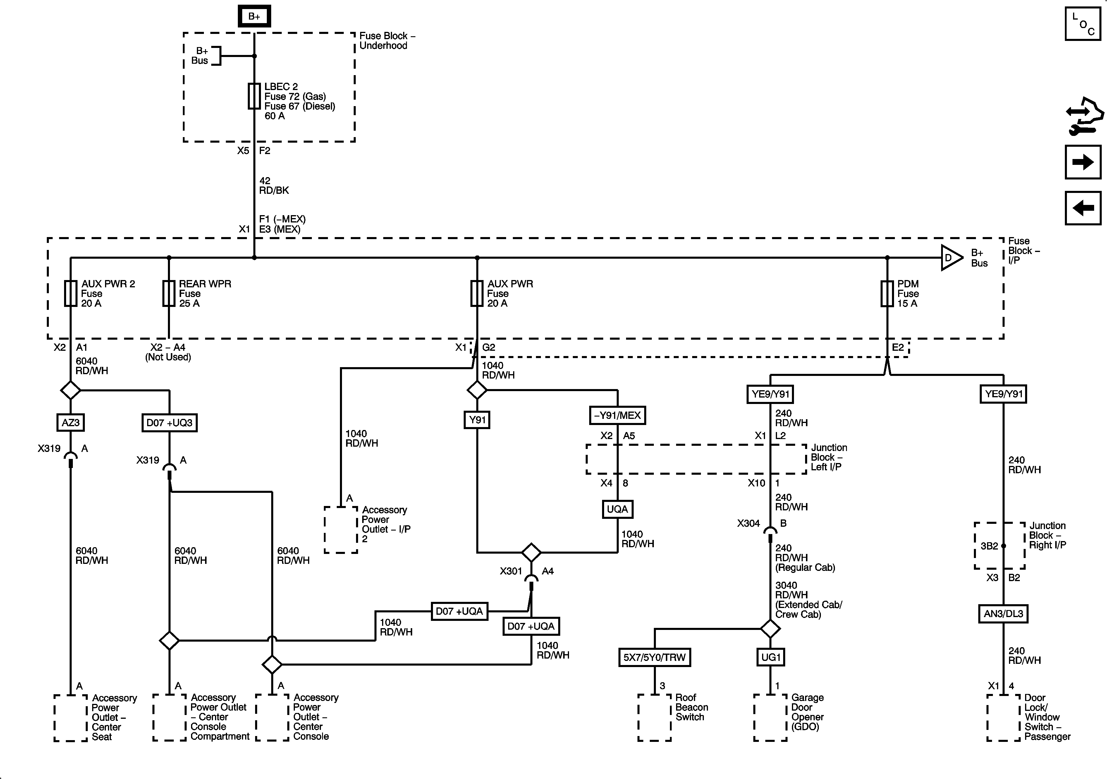
Figure 5:

AUX PWR, AUX PWR 2, LBEC 2, PDM and REAR WPR Fuses


Object Number: 2065000  Size: FS
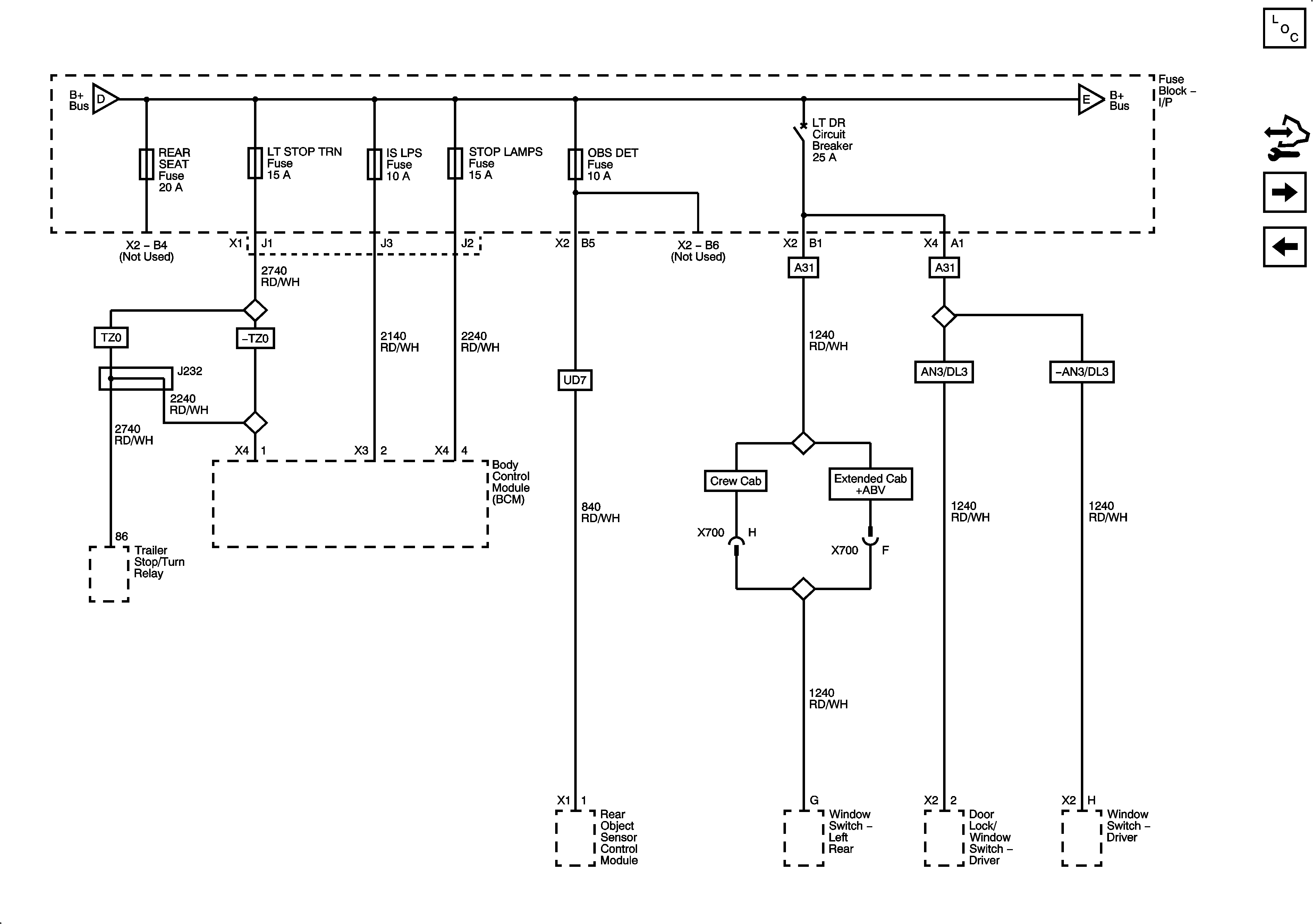
Figure 6:

IS LPS, LT STOP TRN, OBS DET, REAR SEAT and STOP LAMPS Fuses, LT DR Circuit Breaker


Object Number: 2065009  Size: FS
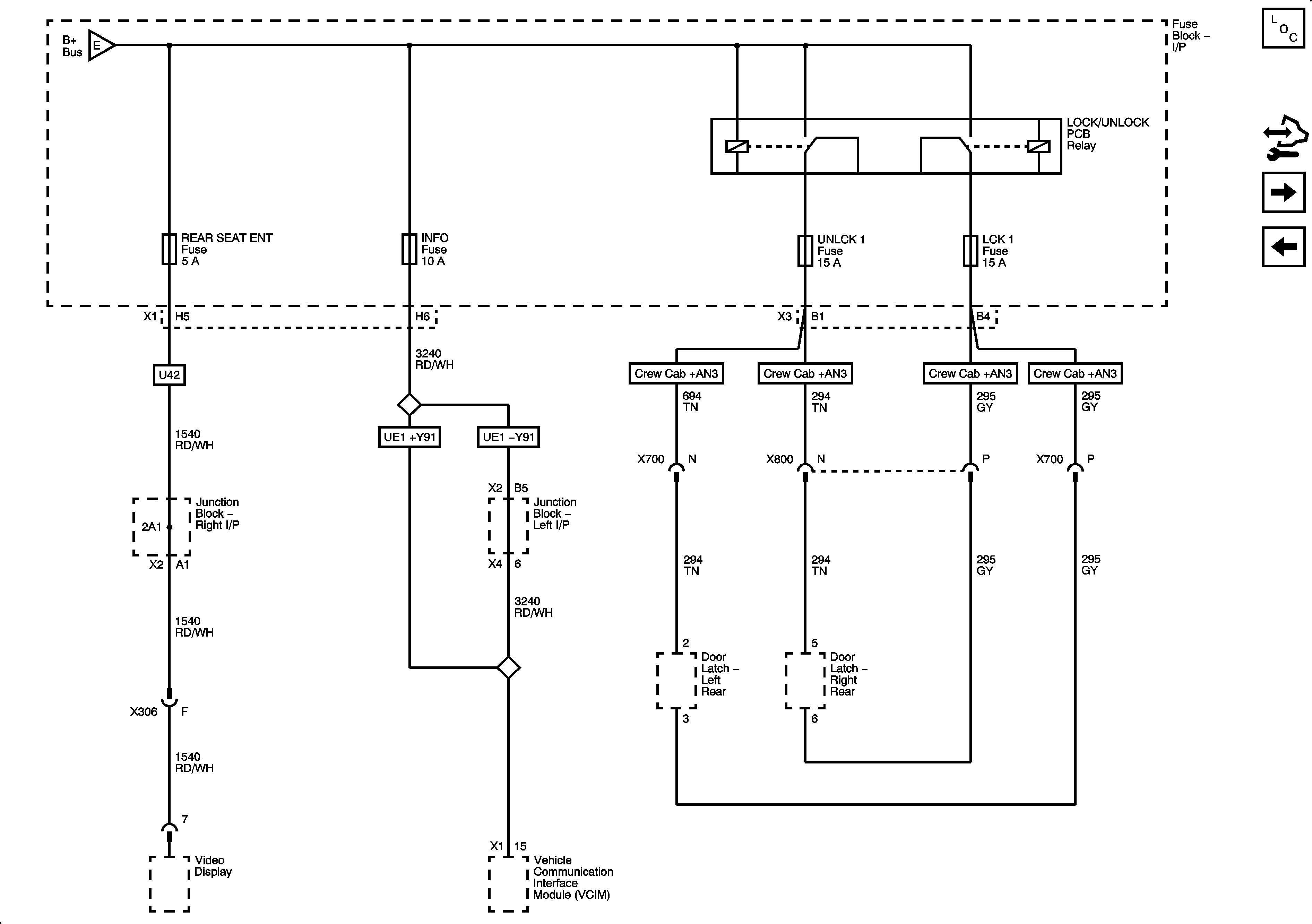
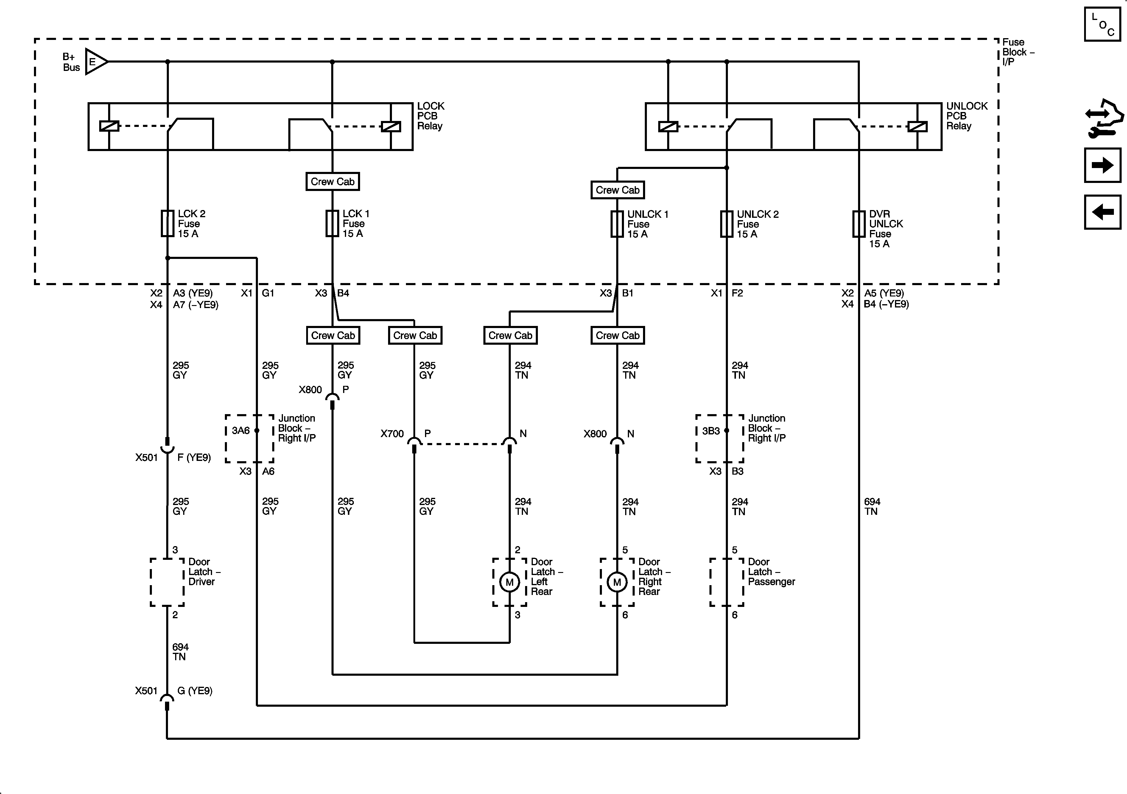
Figure 7:

LCK 1 and UNLCK 1 Fuses (Crew Cab with AN3) and INFO and REAR SEAT ENT Fuses


Object Number: 2065044  Size: FS
Figure 8:

DVR UNLCK, LCK 1, LCK 2, UNLCK 1 and UNLCK 2 Fuses (AU3 without AN3/DL3)


Object Number: 2065046  Size: FS
Figure 9:

BCM, COOLED SEATS, CTSY, DDM, DIM, DSM, LBEC 1, PWR MIR, REAR HVAC and RT STOP TRN Fuses


Object Number: 2065049  Size: FS
Figure 10:

MBEC1 Fuse, DRIVER SEAT 2, PASS SEAT 1, PWR REAR WNDW and RT DOORS Circuit Breakers


Object Number: 2065052  Size: FS
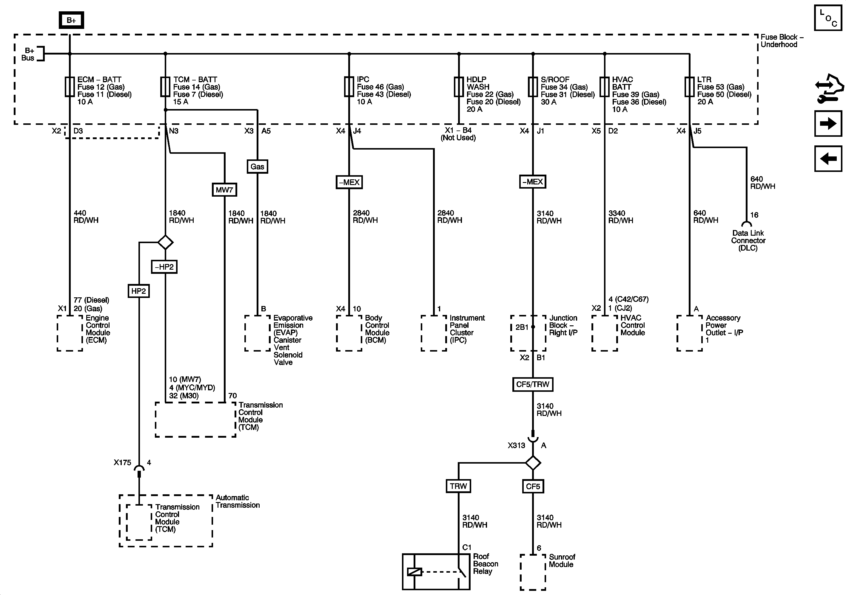
Figure 11:

ECM-BATT, HDLP WASH, HVAC BATT, IPC, LTR, S/ROOF and TCM-BATT Fuses


Object Number: 2065056  Size: FS
Figure 12:

AMP, ELEC RUN BOARD, ESC/ALC EXH, EXP/PTO, INFOTMNT, and TREC Fuses


Object Number: 2065058  Size: FS
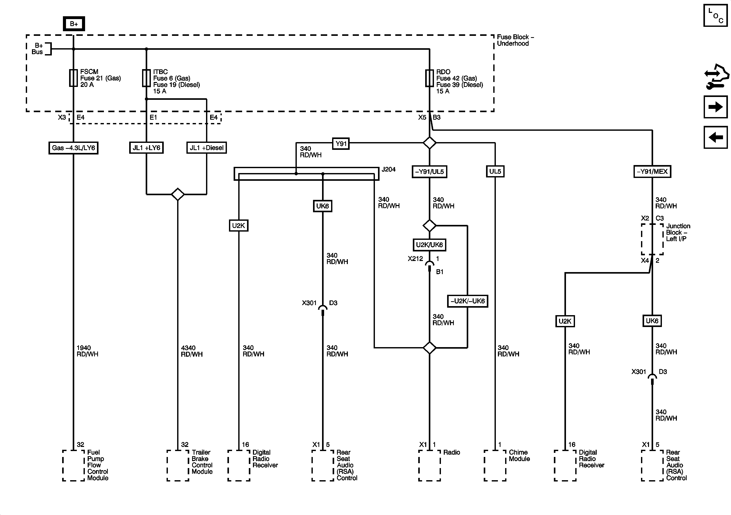
Figure 13:

FSCM, ITBC and RDO Fuses


Object Number: 2065060  Size: FS
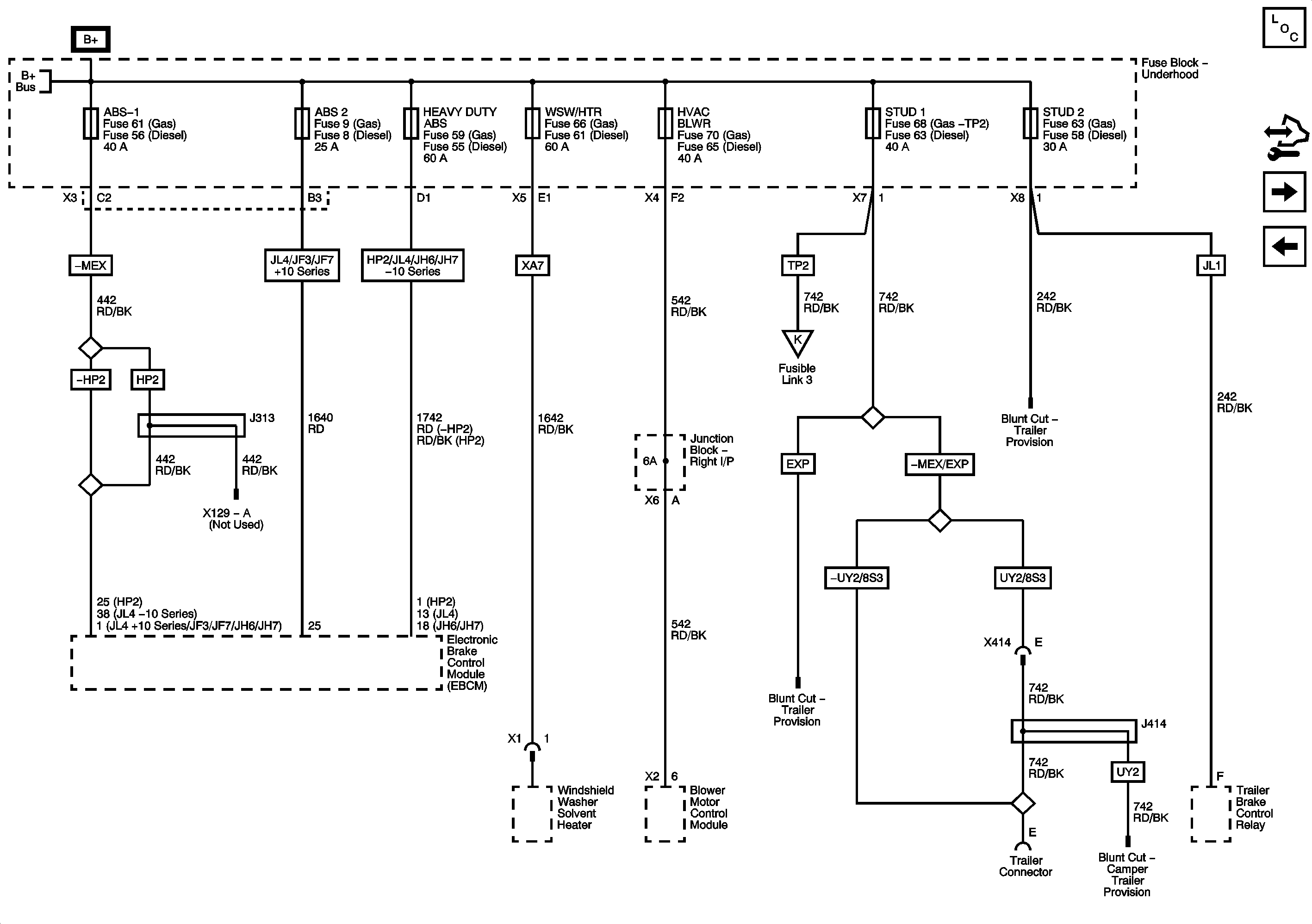
Figure 14:

ABS-1, ABS-2, HEAVY DUTY ABS, HVAC BLWR, STUD 1, STUD 2 and WSW/HTR Fuses


Object Number: 2065062  Size: FS
Figure 15:

AIRBAG BATT, ALC COMP, EAP, LGM, SEO B1 and SEO B2 Fuses


Object Number: 2065064  Size: FS
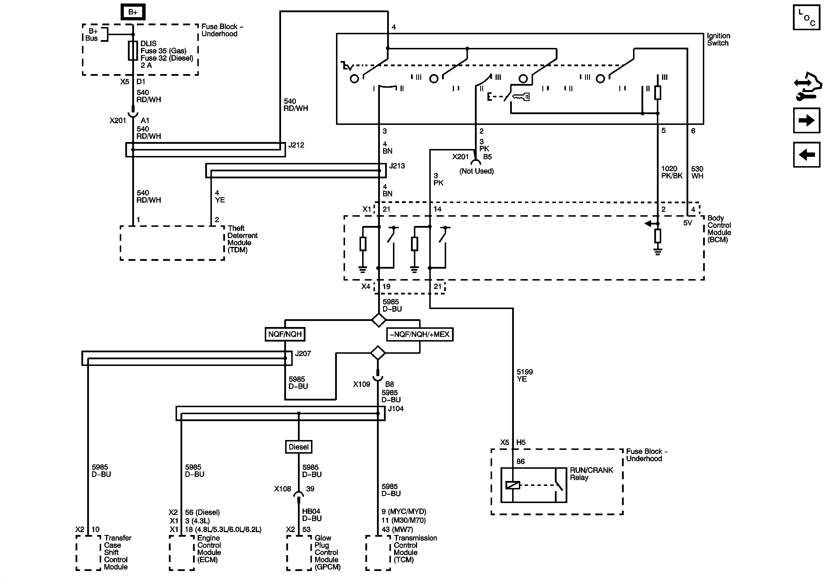
Figure 16:

DLIS Fuse and Ignition Switch


Object Number: 2065066  Size: FS
Figure 17:

PWR/TRN BUS - ECM/THROT CONT and ENG Fuses


Object Number: 2065068  Size: FS
Figure 18:

PWR/TRN BUS - DSL ECM, FUEL HTR, O2-A SNSR and O2-B SNSR Fuses


Object Number: 2065071  Size: FS
Figure 19:

PWR/TRN BUS - INJ-A and INJ-B Fuses


Object Number: 2065075  Size: FS
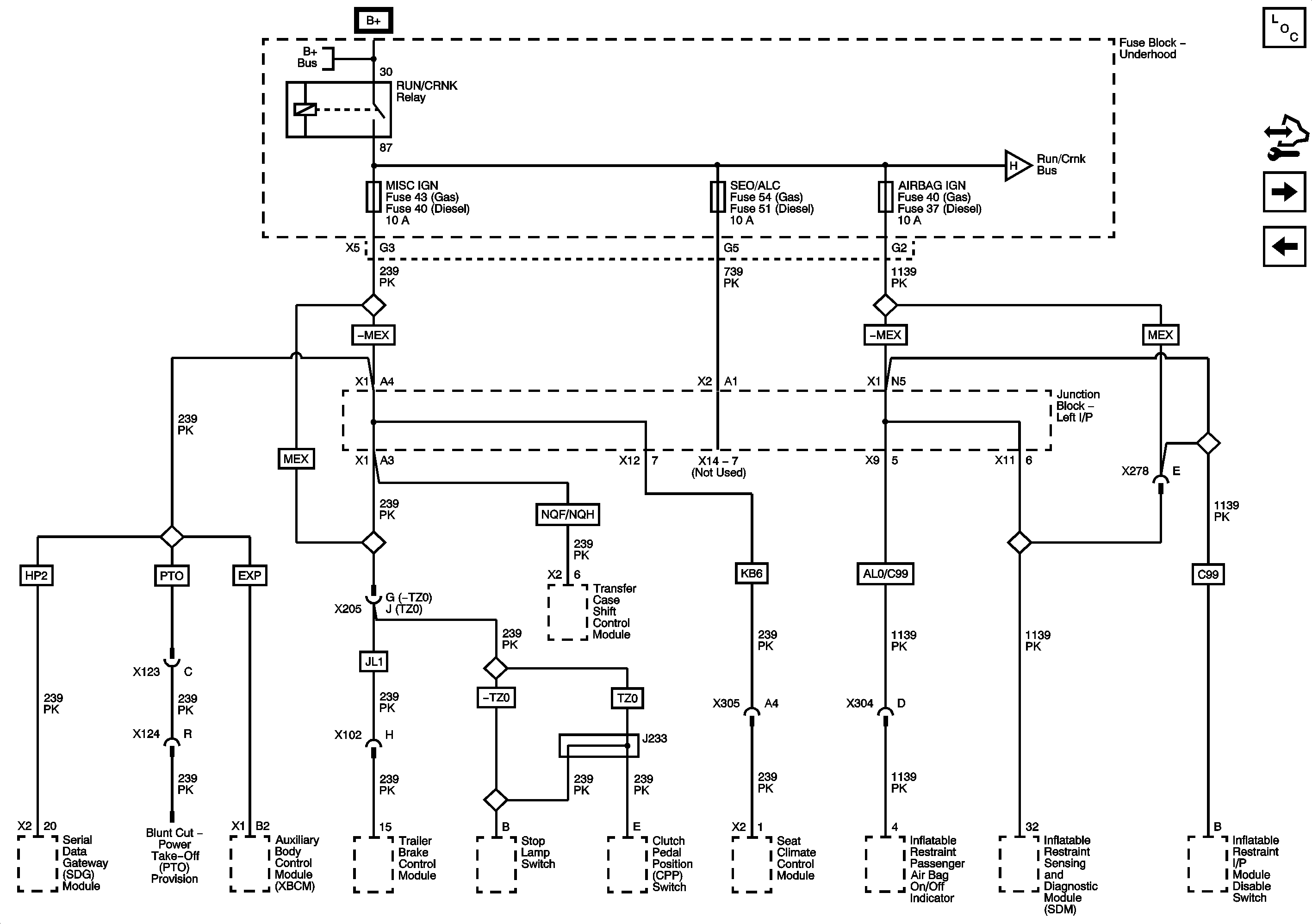
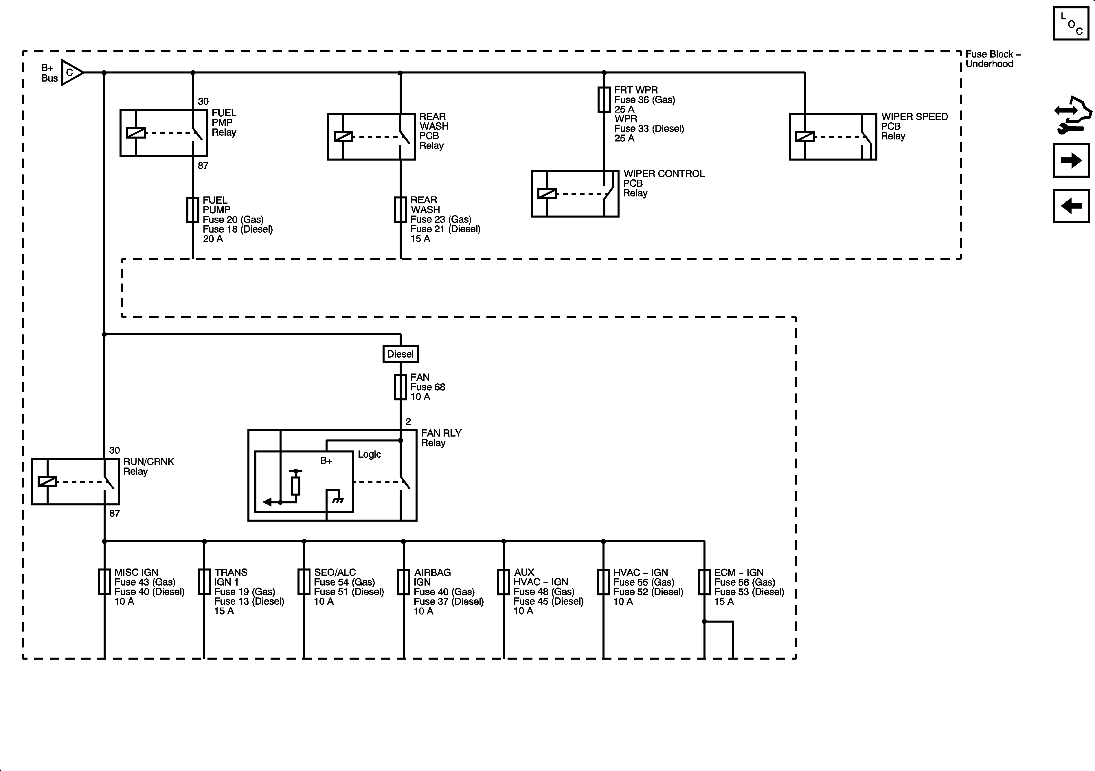
Figure 20:

RUN/CRANK BUS - AIRBAG IGN, MISC IGN and SEO/ALC Fuses


Object Number: 2065077  Size: FS
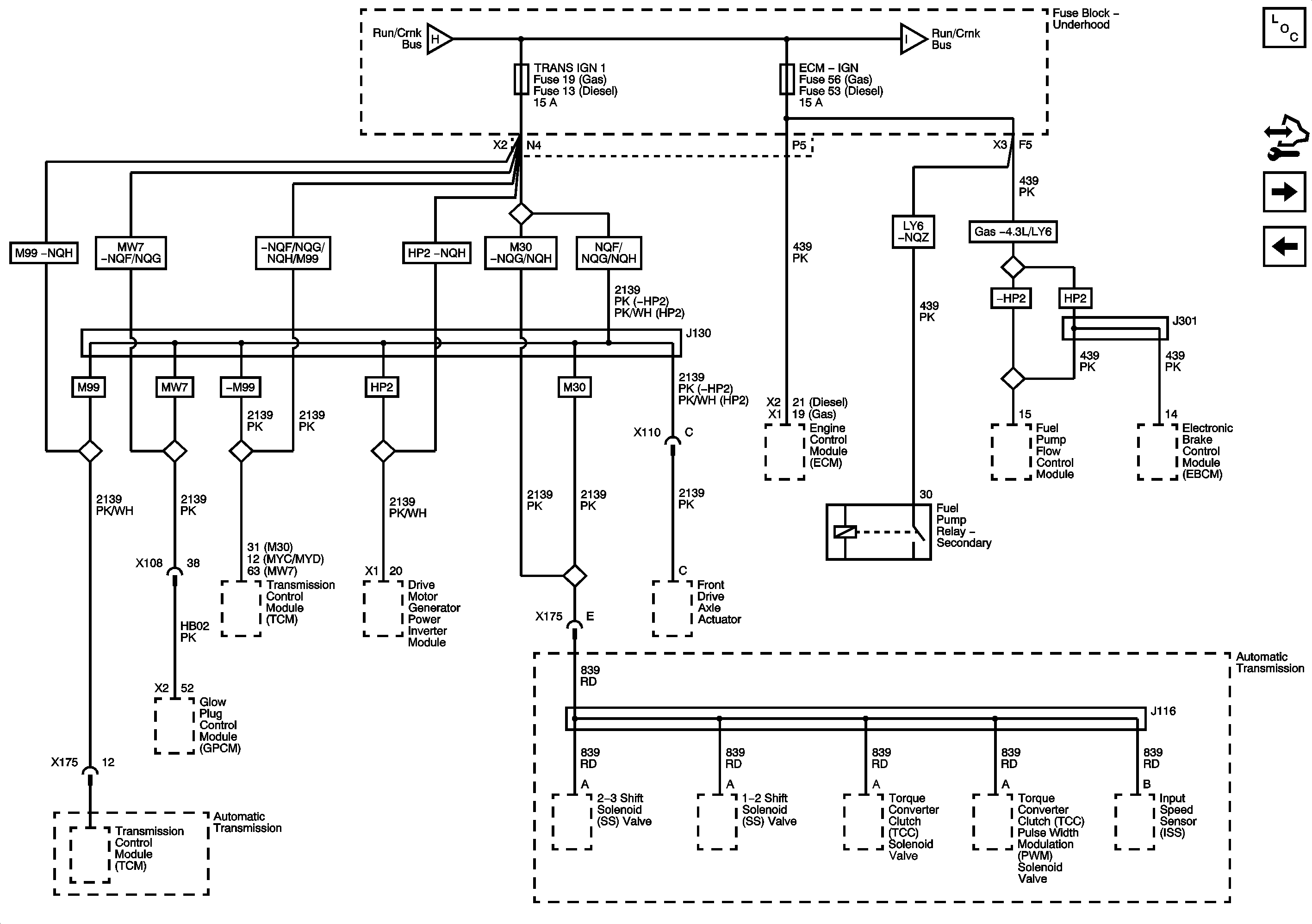
Figure 21:

RUN/CRANK BUS - ECM-IGN and TRANS IGN 1 Fuses


Object Number: 2065082  Size: FS
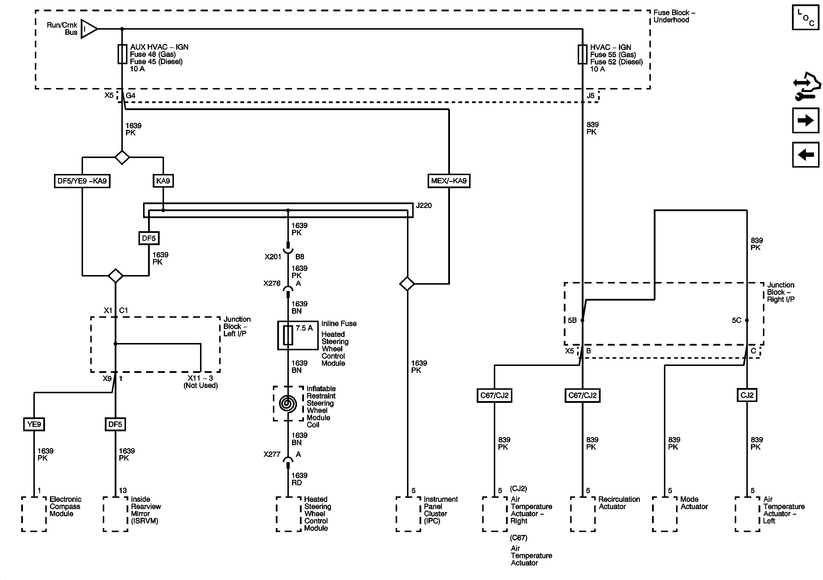
Figure 22:

RUN/CRANK BUS - AUX HVAC-IGN and HVAC-IGN Fuses


Object Number: 2065085  Size: FS
Figure 23:

CHMSL, TRLR BCK/UP, TRLR STOP LT, TRLR STOP RT and VEH BCK/UP Fuses


Object Number: 2065088  Size: FS
Figure 24:

DRL, DRL 2, FOG LAMP, LO HDLP-LT, LO HDLP-RT, HI HDLP-LT and HI HDLP-RT Fuses


Object Number: 2065092  Size: FS
Figure 25:

LT PRK Fuse


Object Number: 2065097  Size: FS
Figure 26:

RT PRK and TRLR PRK Fuses


Object Number: 2065100  Size: FS
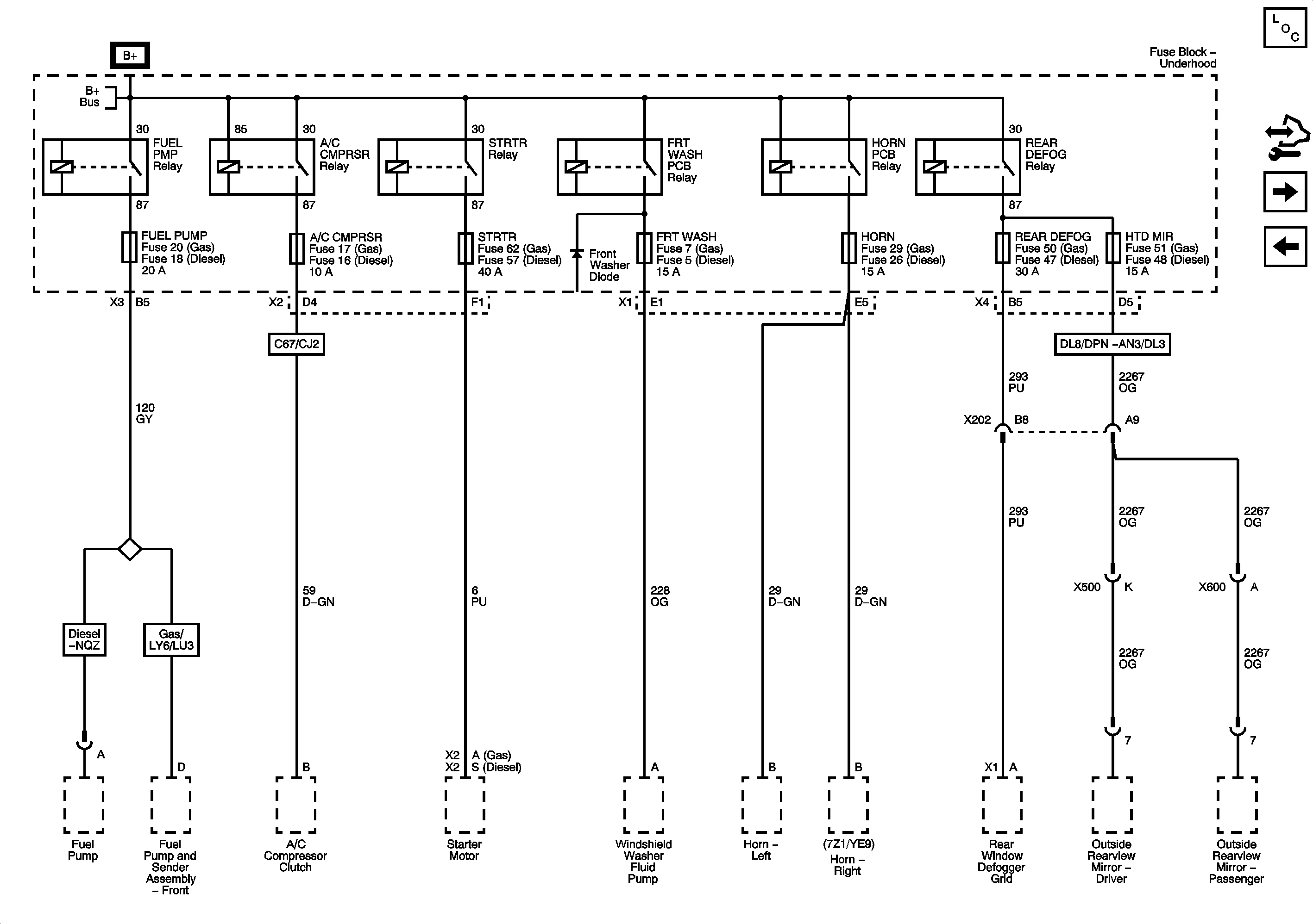
Figure 27:

A/C CMPRSR, FRT WASH, FUEL PUMP, HORN, HTD MIR, REAR DEFOG and STRTR Fuses


Object Number: 2065105  Size: FS
Figure 28:

Fuse Block - Auxiliary B+ Bus (HP2)


Object Number: 2165238  Size: FS
Figure 29:

ACCM, ACPO, BECM, BECM FAN, CAB HTR PUMP, COOL PUMP, EPS, PIM 1 and PIM 2 Fuses (HP2)


Object Number: 2165239  Size: FS
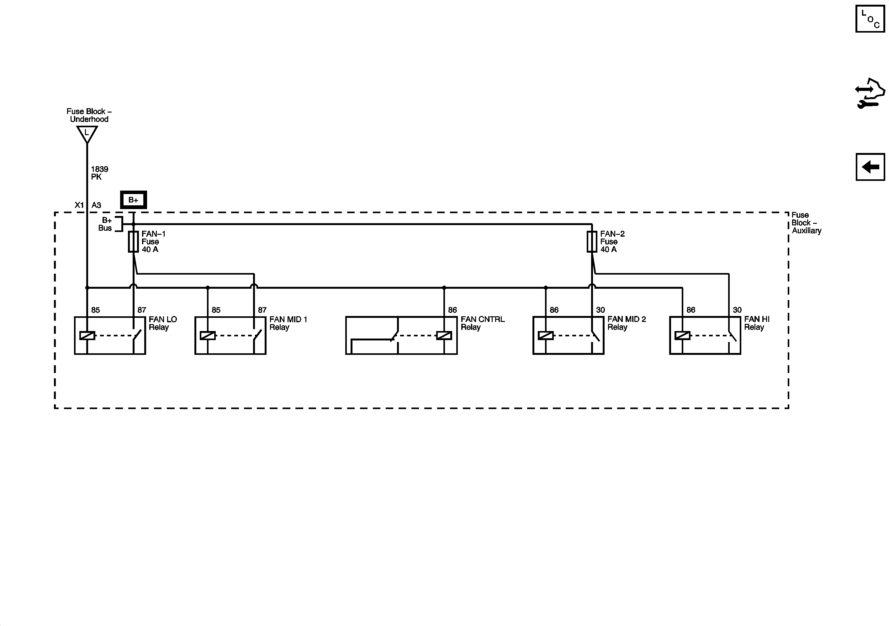
Figure 30:

FAN 1 and FAN 2 Fuses (HP2)


Object Number: 2165240  Size: FS