GM Service Manual Online
For 1990-2009 cars only
Makes
🢒
GMC_Truck
🢒
2009
🢒
Sierra - 2WD
🢒
Diagnostic Navigation
🢒
Vehicle Diagnostic Information
🢒 Automatic Transmission Controls Schematics
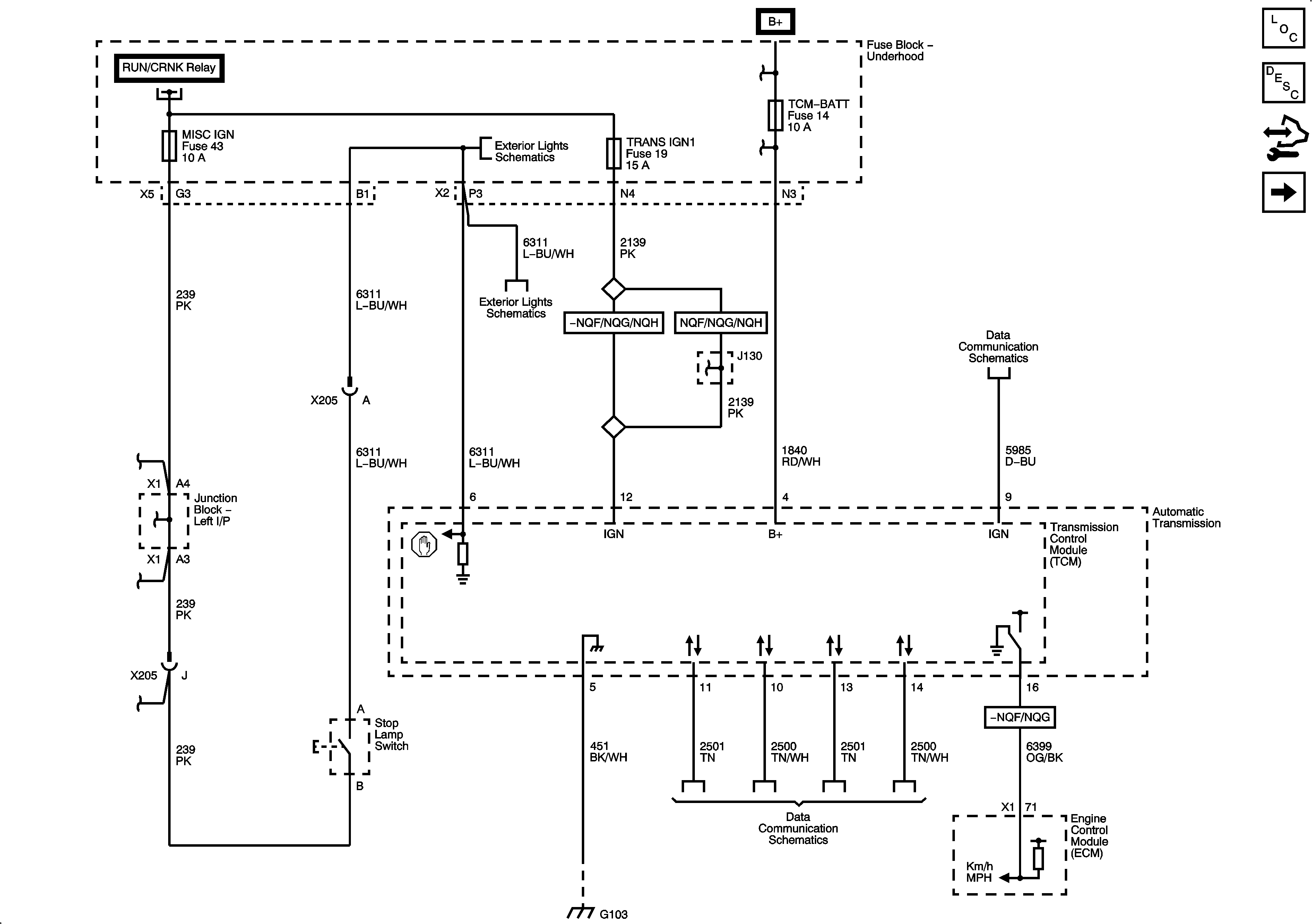
Figure
1:
Module Power, Ground, Serial Data and Stop Lamp Signal
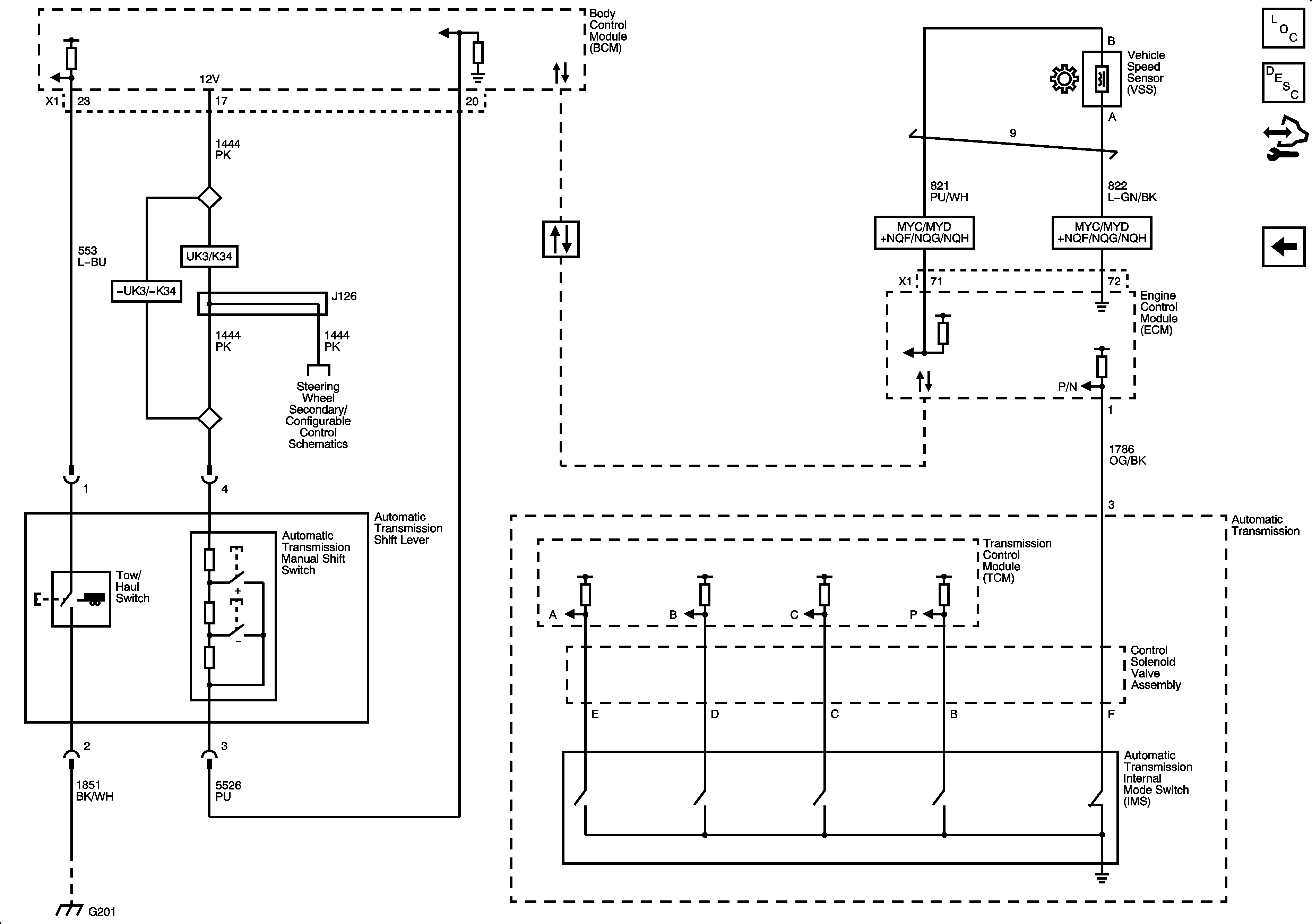
Figure
2:
Pressure Controls - 1 of 2 and Shift Controls
Figure
3:
Pressure Controls - 2 of 2 and Speed Sensors
Figure
4:
Transmission Range Signals and Driver Shift Request