GM Service Manual Online
For 1990-2009 cars only
Figure 1:

6-Way Power (except AN3/HP2)


Object Number: 2065220  Size: FS
Figure 2:
Figure 3:

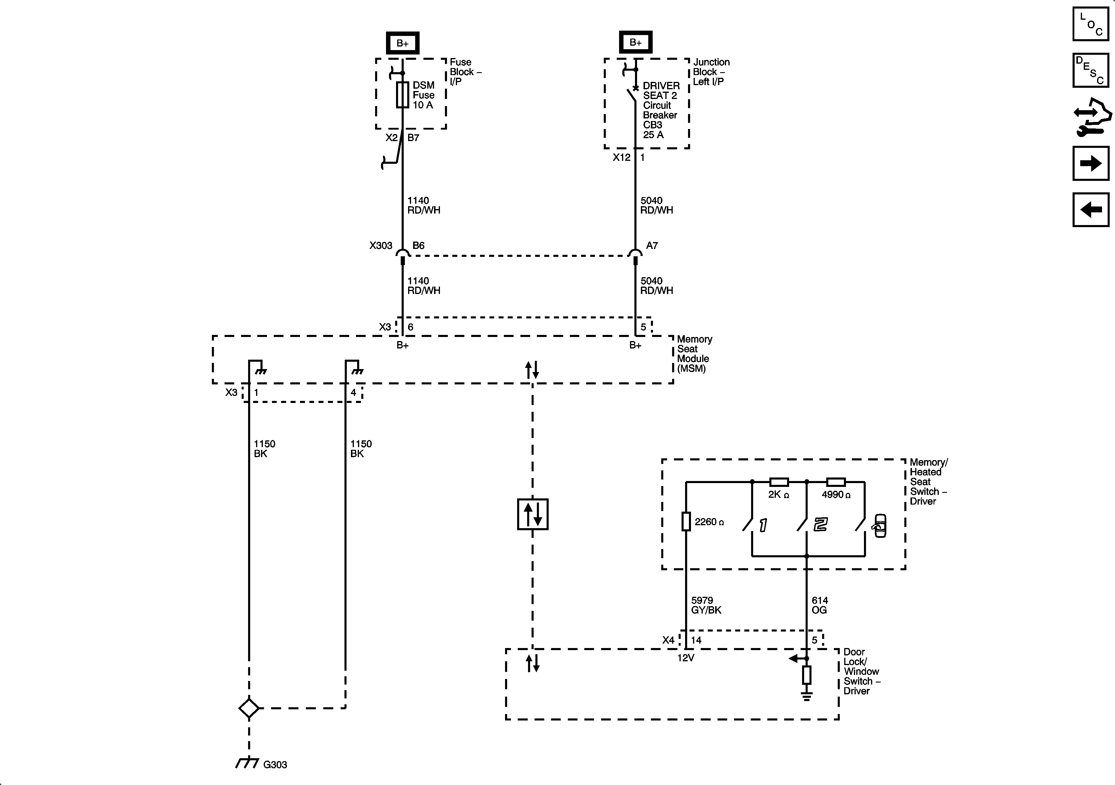
Module Power, Ground, Serial Data and Memory Switch (AN3)


Object Number: 2065222  Size: FS
Figure 4:

Seat Adjuster Switches (AN3)


Object Number: 2065224  Size: FS
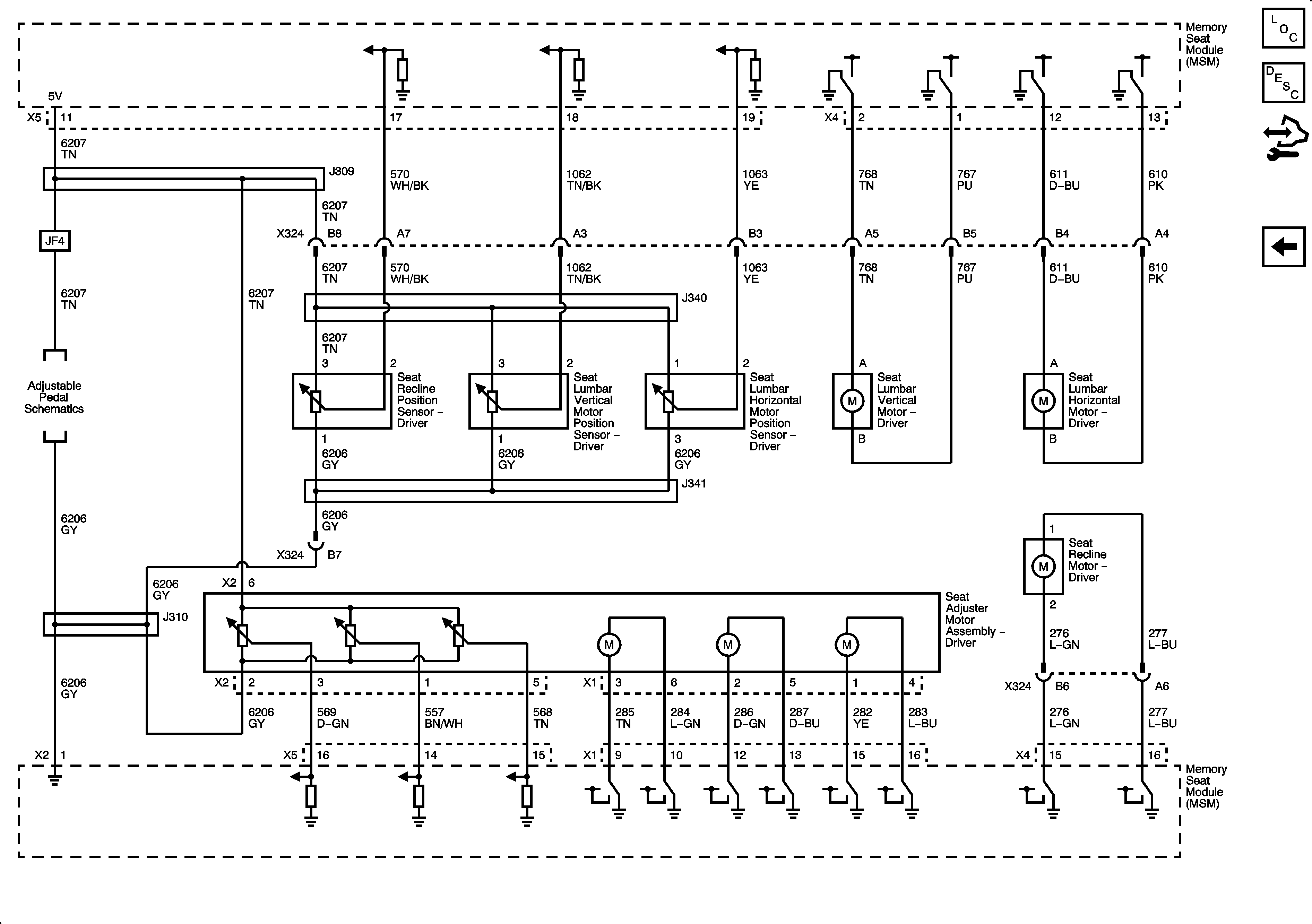
Figure 5:

Motors and Position Sensors (AN3)


Object Number: 2065227  Size: FS