GM Service Manual Online
For 1990-2009 cars only
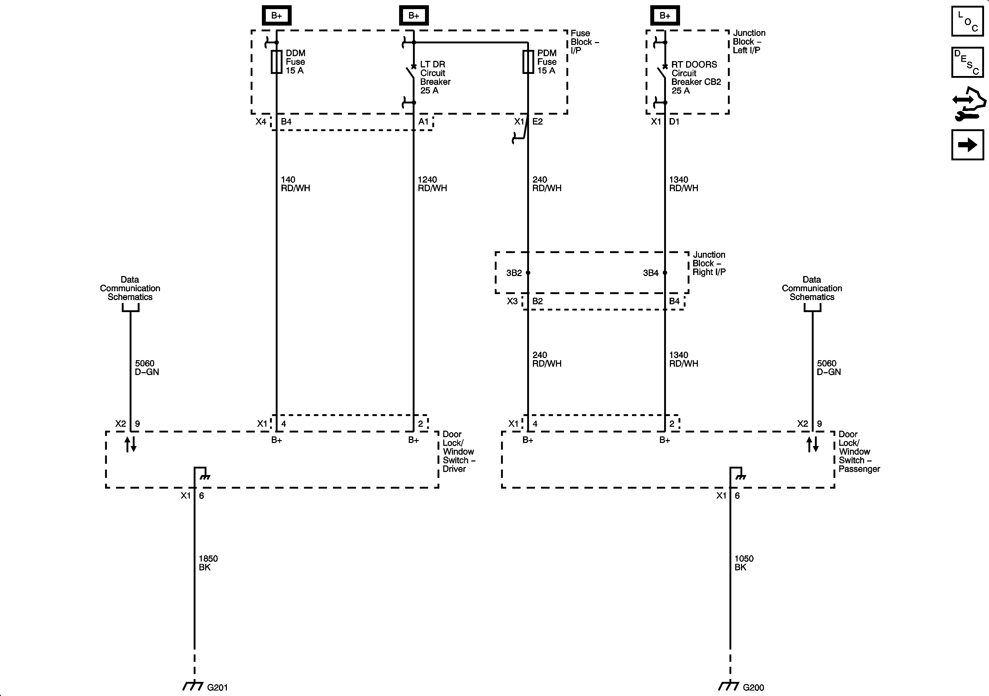
Figure 1:

Power, Ground and Serial Data


Object Number: 2064612  Size: FS
Figure 2:

Door Lock, Window and Lighting System References


Object Number: 2064614  Size: FS
Figure 3:

Outside Rearview Mirror References


Object Number: 2064616  Size: FS
Figure 4:

Heated Seat References


Object Number: 2064619  Size: FS