GM Service Manual Online
For 1990-2009 cars only
Figure 1:

Radio Power, Ground and Serial Data


Object Number: 2064642  Size: FS
Figure 2:

Amplifier (UQA) and Rear Seat Audio (UK6) Power, Ground and Serial Data


Object Number: 2064645  Size: FS
Figure 3:

Amplifier Inputs (UQA)


Object Number: 2064647  Size: FS
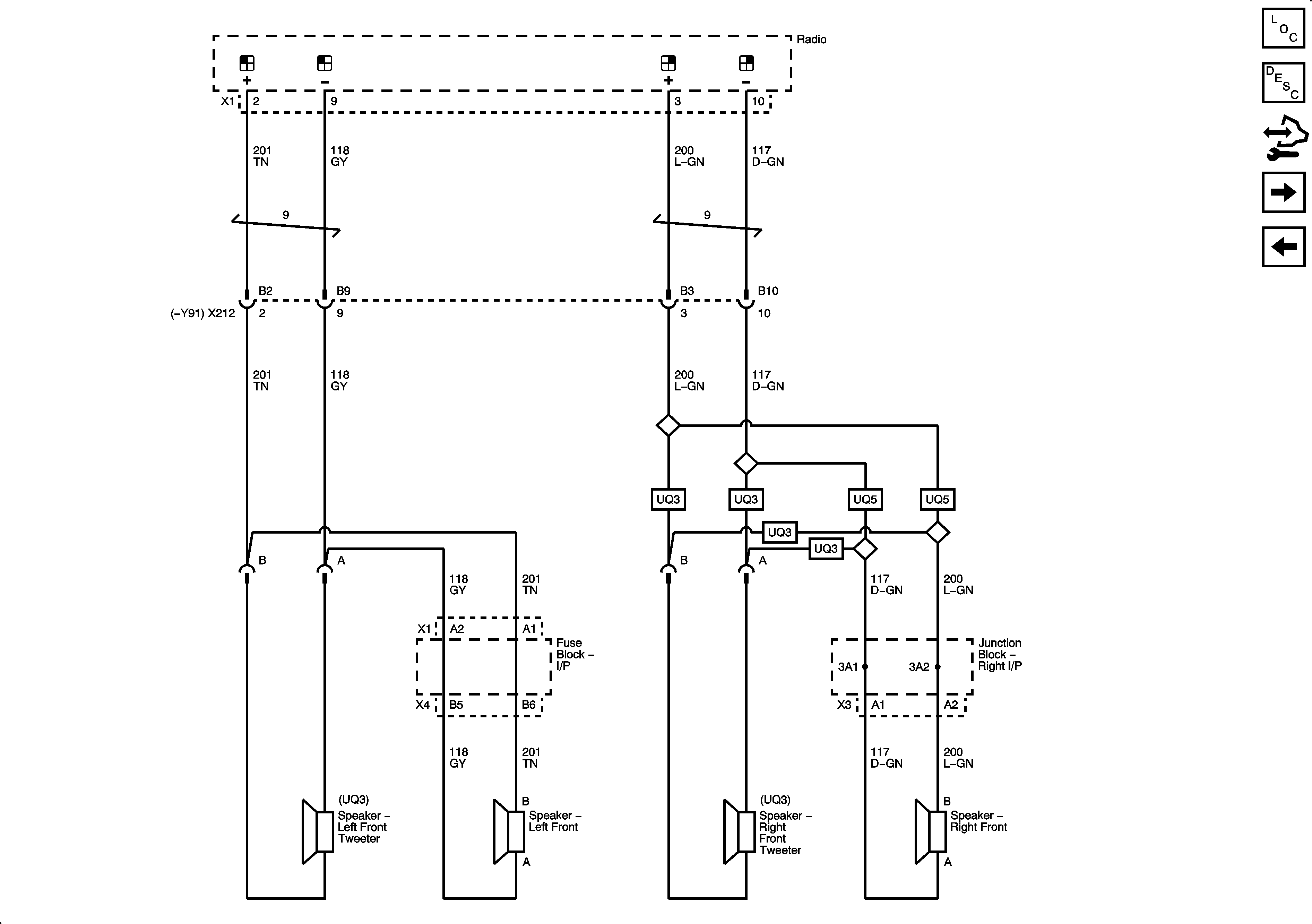
Figure 4:

Front Speakers (UQ3/UQ5)


Object Number: 2064651  Size: FS
Figure 5:

Rear Speakers (UQ3/UQ5)


Object Number: 2064655  Size: FS
Figure 6:

Front Speakers (UQA)


Object Number: 2064660  Size: FS
Figure 7:

Rear Speakers (UQA)


Object Number: 2064665  Size: FS
Figure 8:

Digital Radio Receiver (U2K)


Object Number: 2064675  Size: FS