GM Service Manual Online
For 1990-2009 cars only
Makes
🢒
GMC_Truck
🢒
2009
🢒
Sierra - 2WD
🢒
Diagnostic Navigation
🢒
Vehicle Diagnostic Information
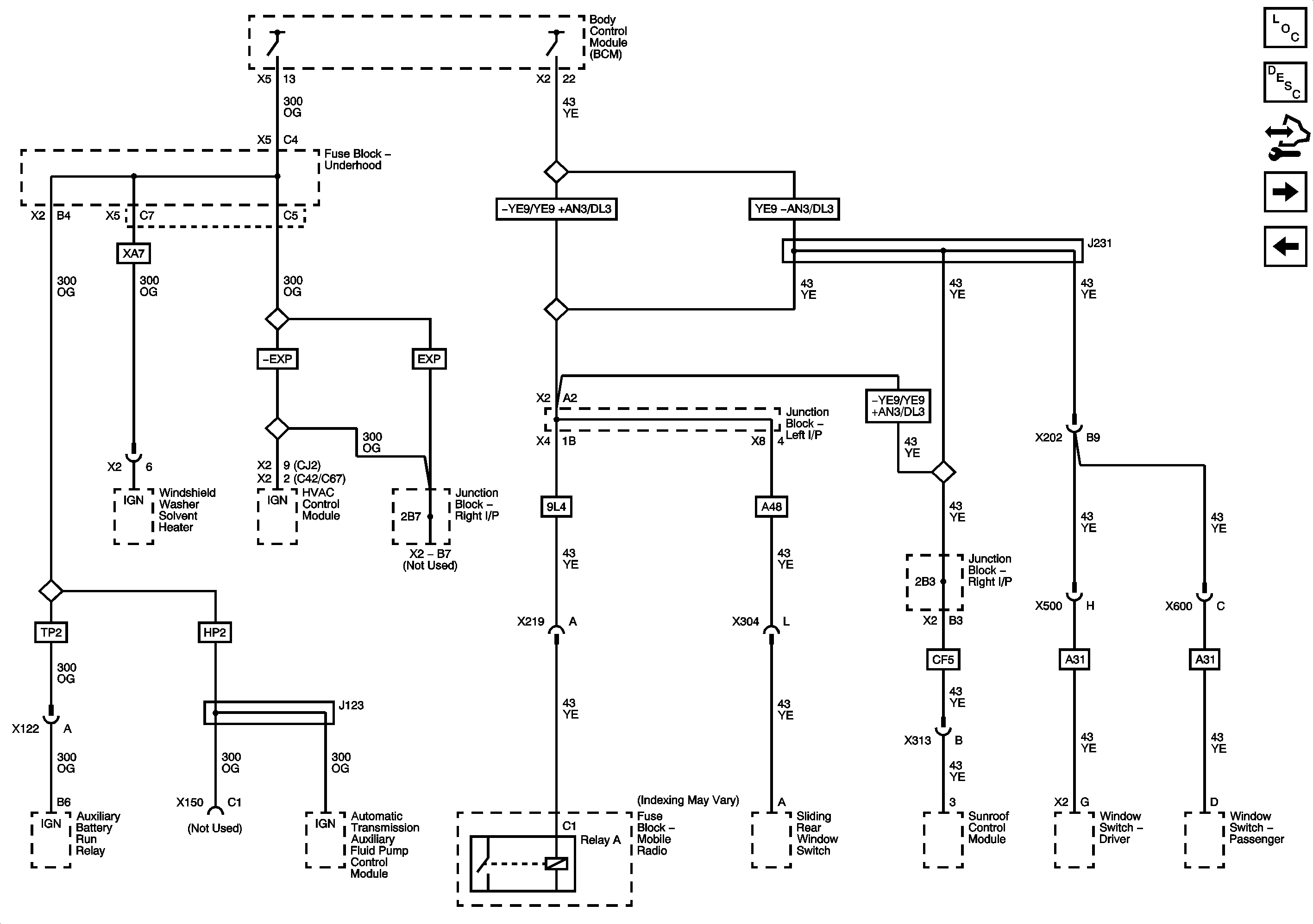
🢒 Power Moding Schematics
Figure
1:
Ignition I Voltage and 12-Volt Reference
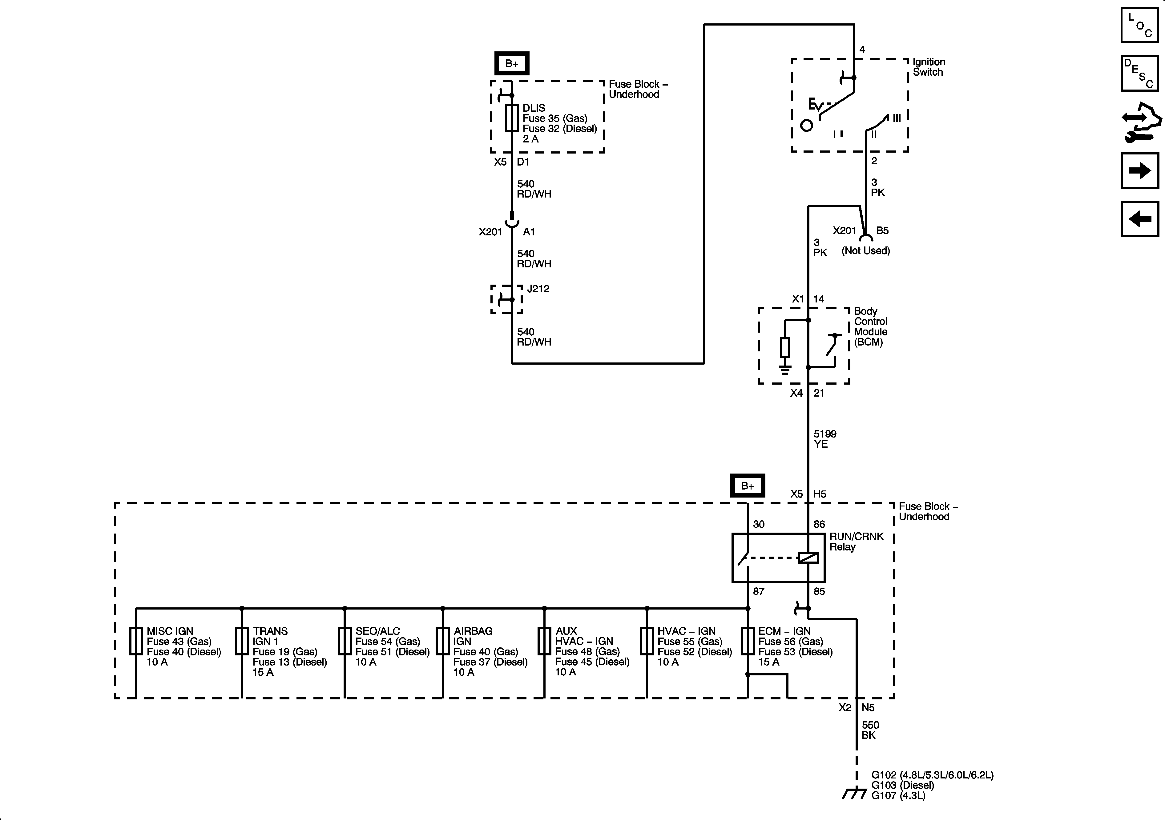
Figure
2:
Ignition II/III Voltage
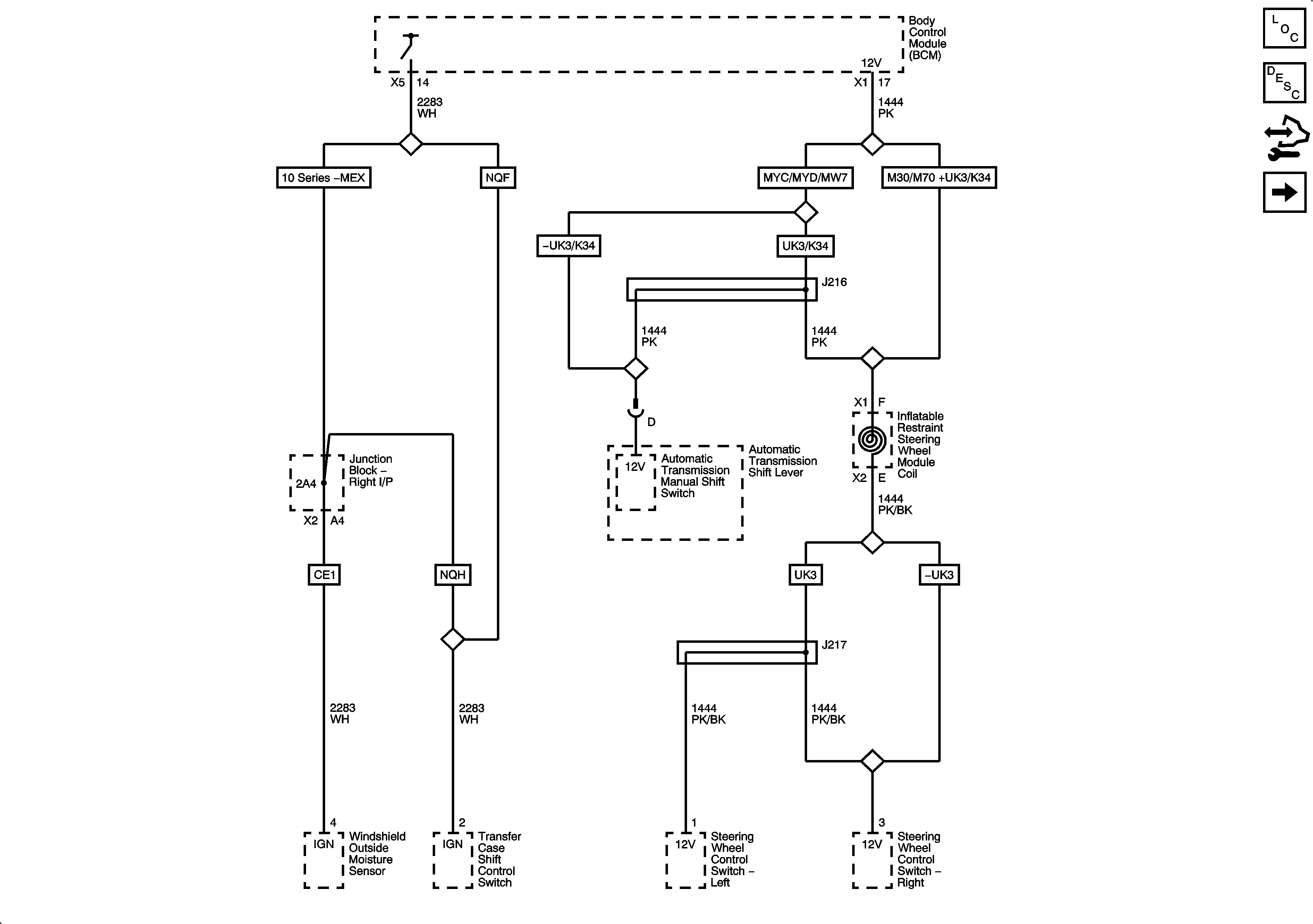
Figure
3:
Ignition III Voltage and Accessory Voltage