GM Service Manual Online
For 1990-2009 cars only
Makes
🢒
GMC_Truck
🢒
2009
🢒
Sierra - 2WD
🢒
Diagnostic Navigation
🢒
Vehicle Diagnostic Information
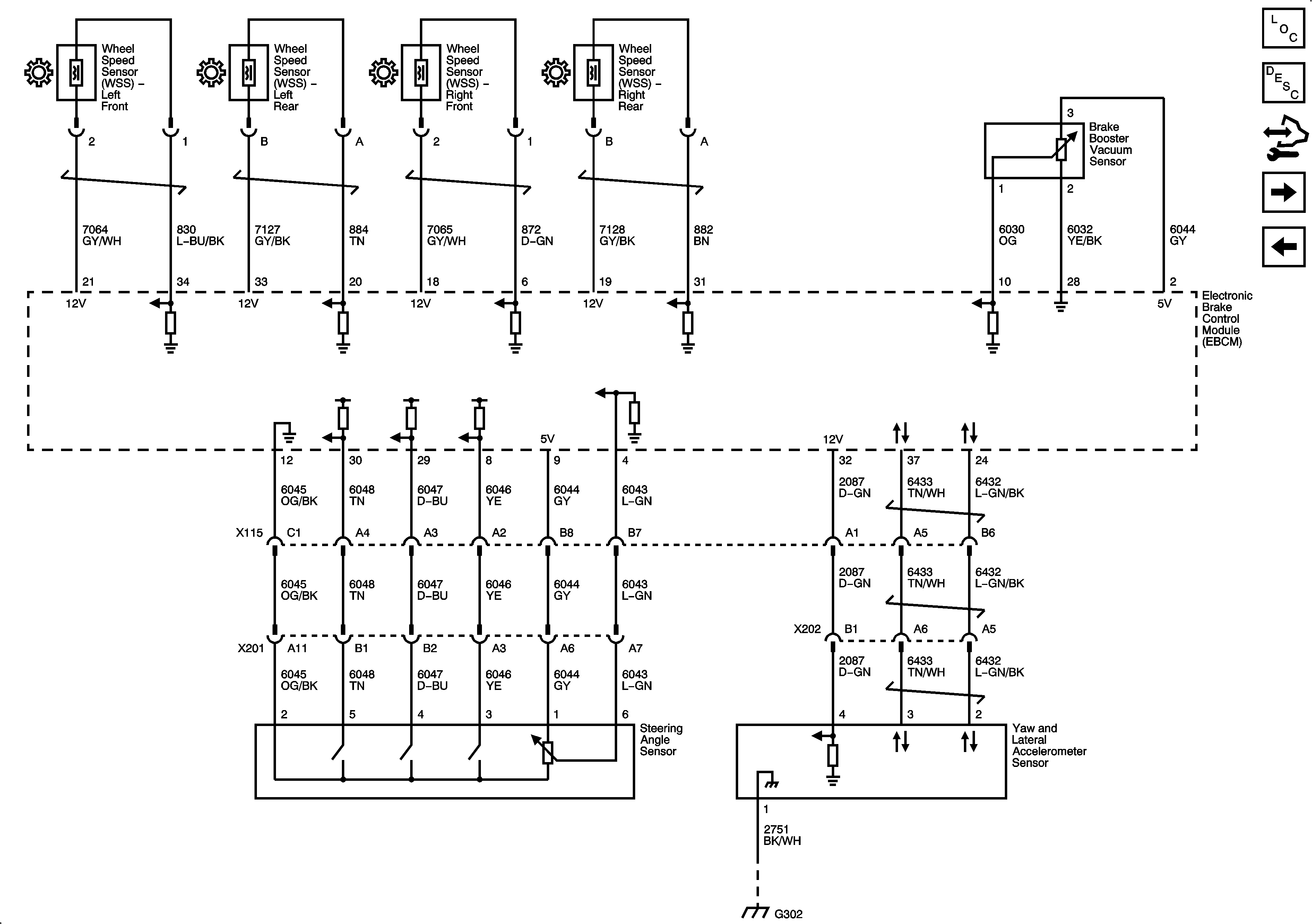
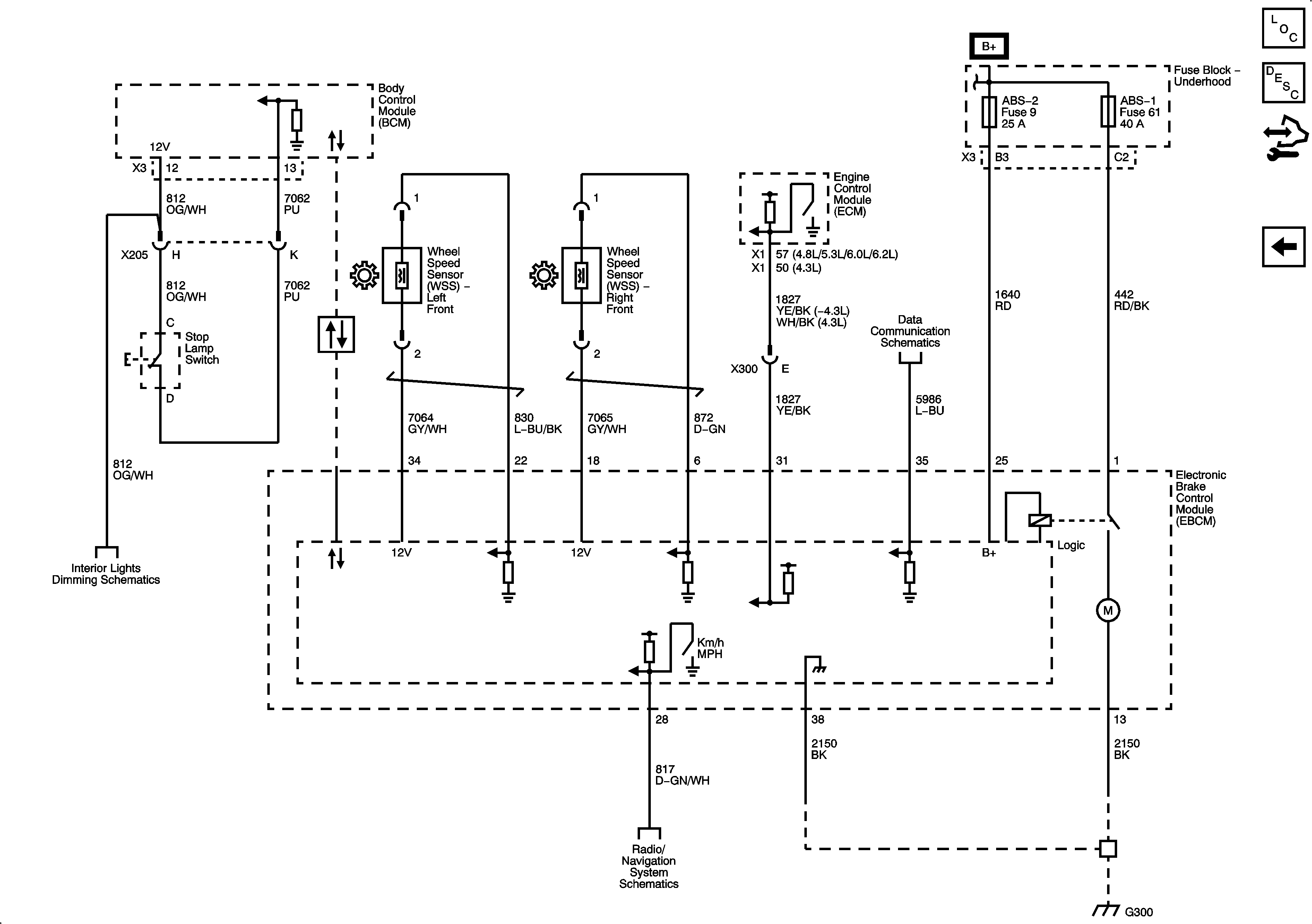
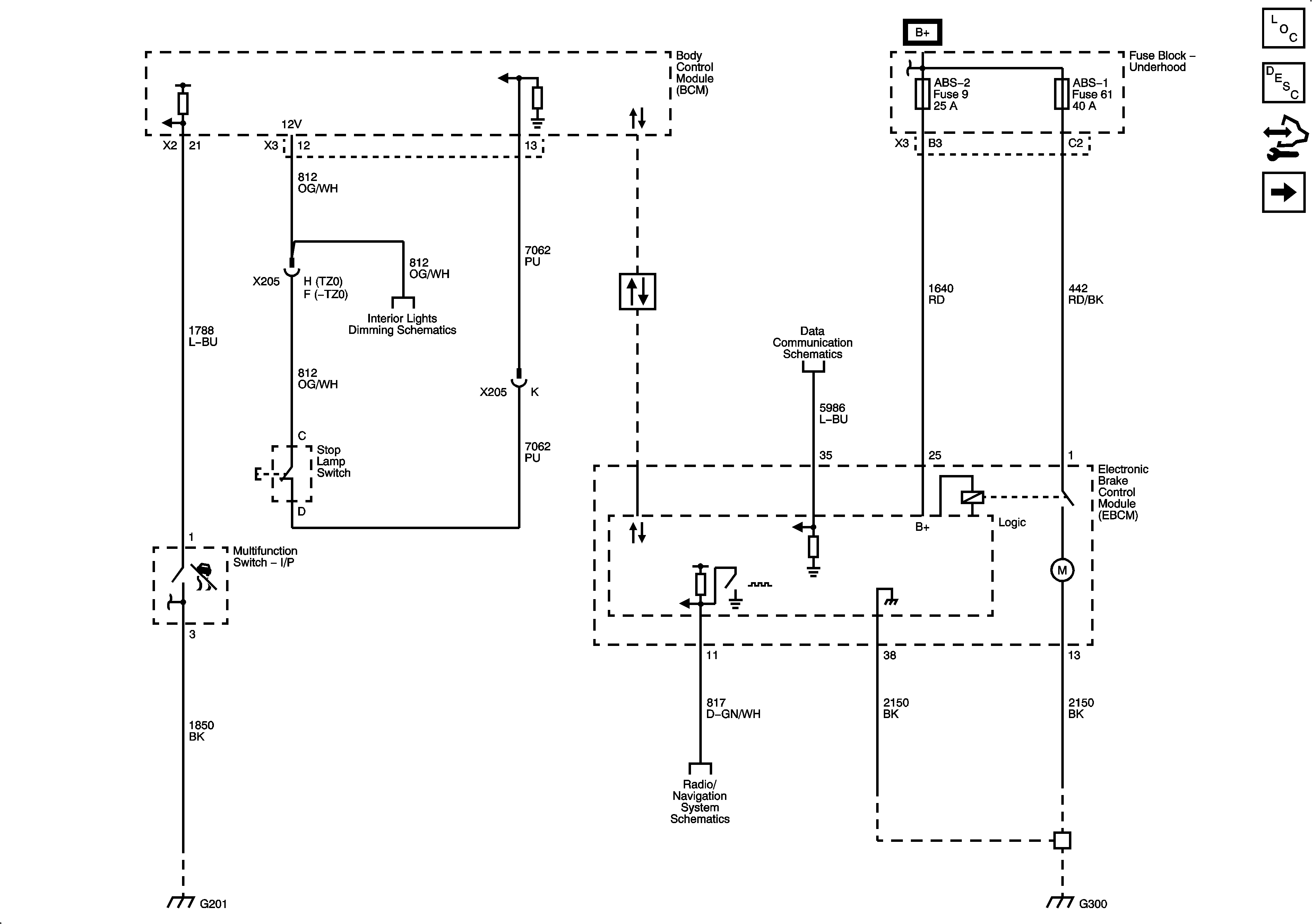
🢒 Antilock Brake System Schematics
Figure
1:
Power, Ground, Serial Data, and Traction Controls
Figure
2:
Wheel Speed Signals
Figure
3:
Vehicle Stability (JL4)