GM Service Manual Online
For 1990-2009 cars only
Figure 1:

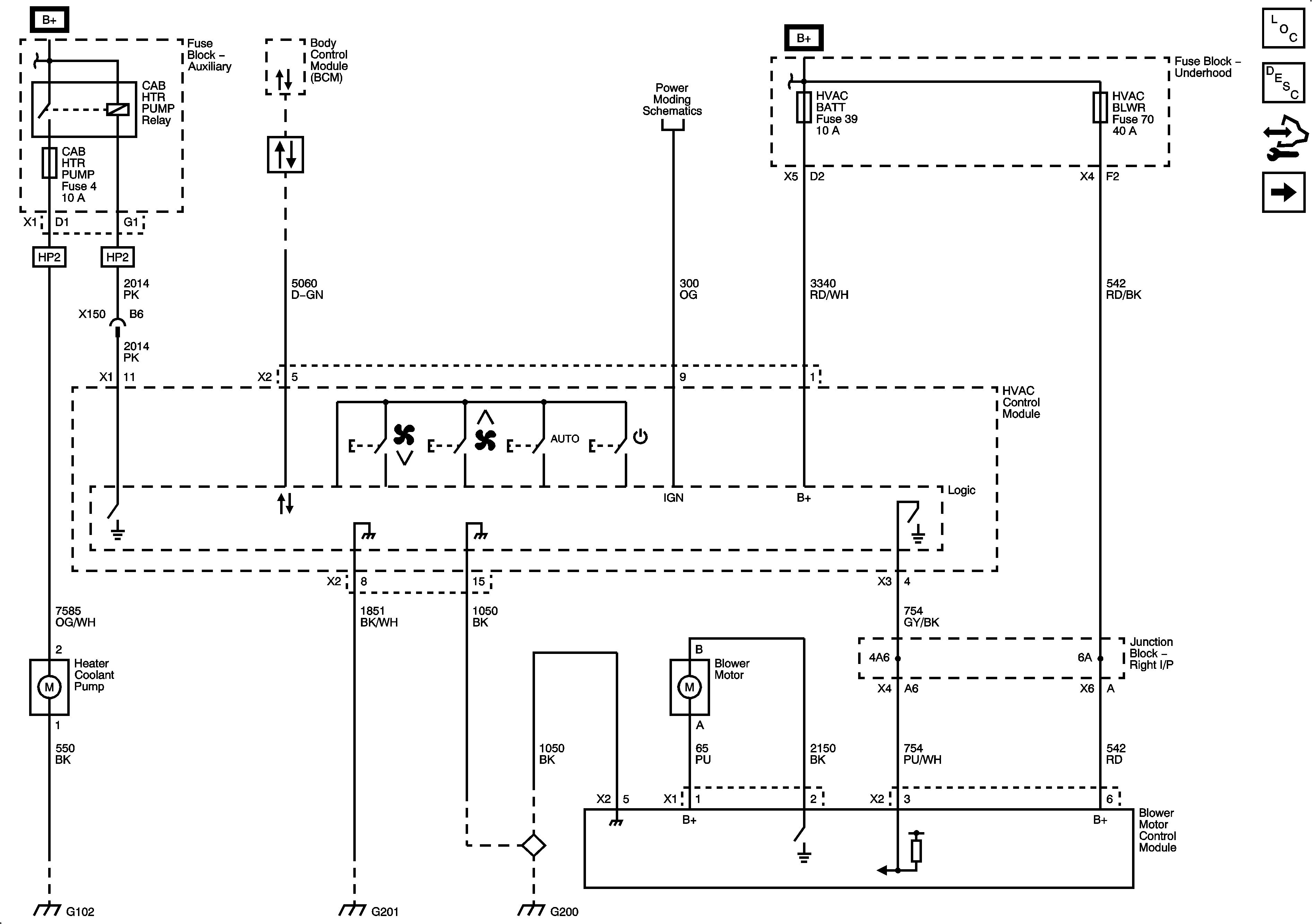
Module Power, Ground, Serial Data and Blower Controls


Object Number: 2064914  Size: FS
Figure 2:

Mode Controls


Object Number: 2064917  Size: FS
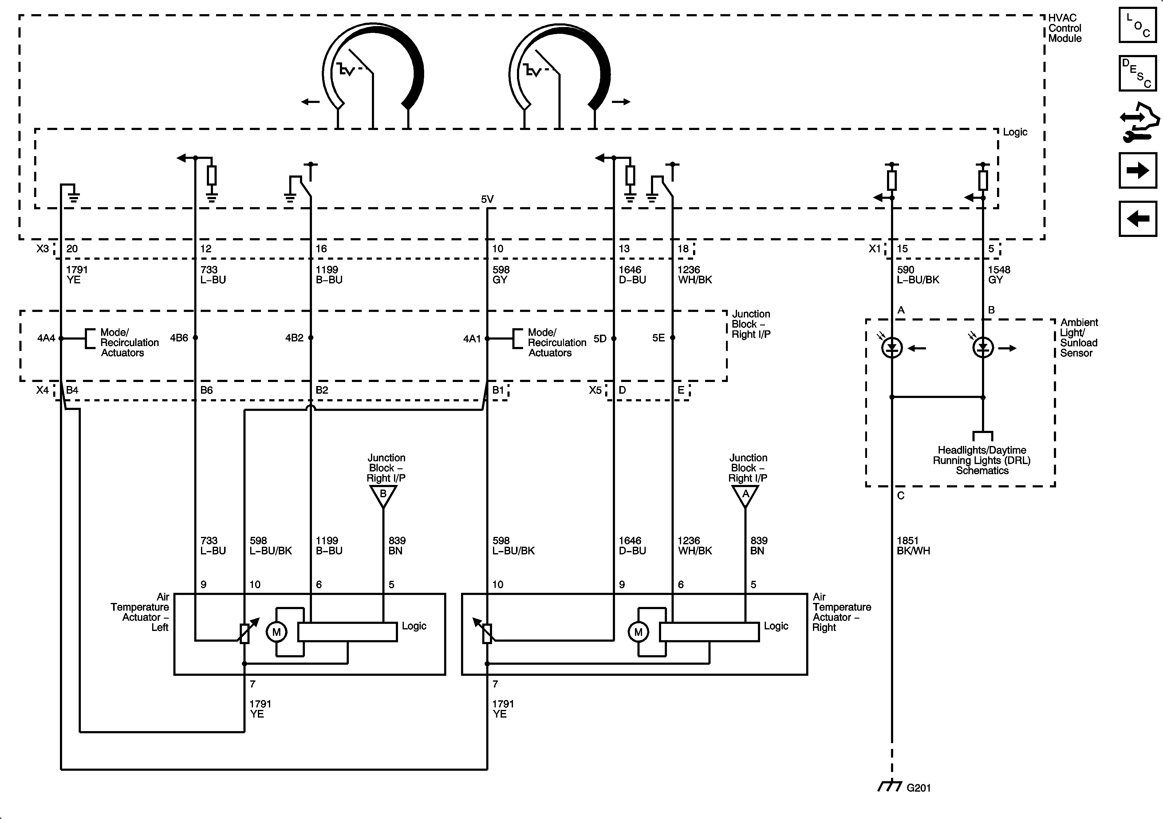
Figure 3:

Temperature Controls


Object Number: 2064920  Size: FS
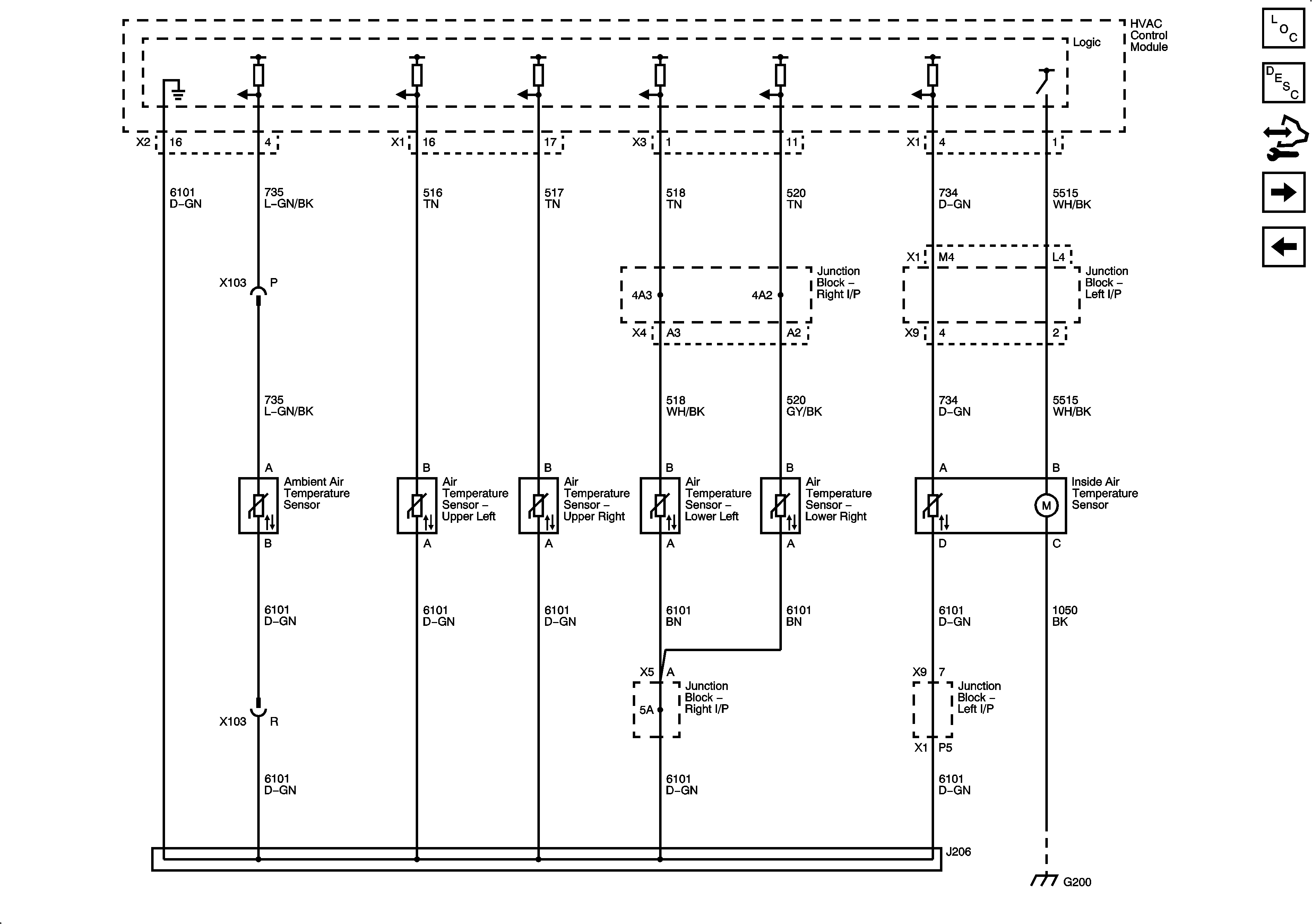
Figure 4:

Temperature Sensors


Object Number: 2064923  Size: FS
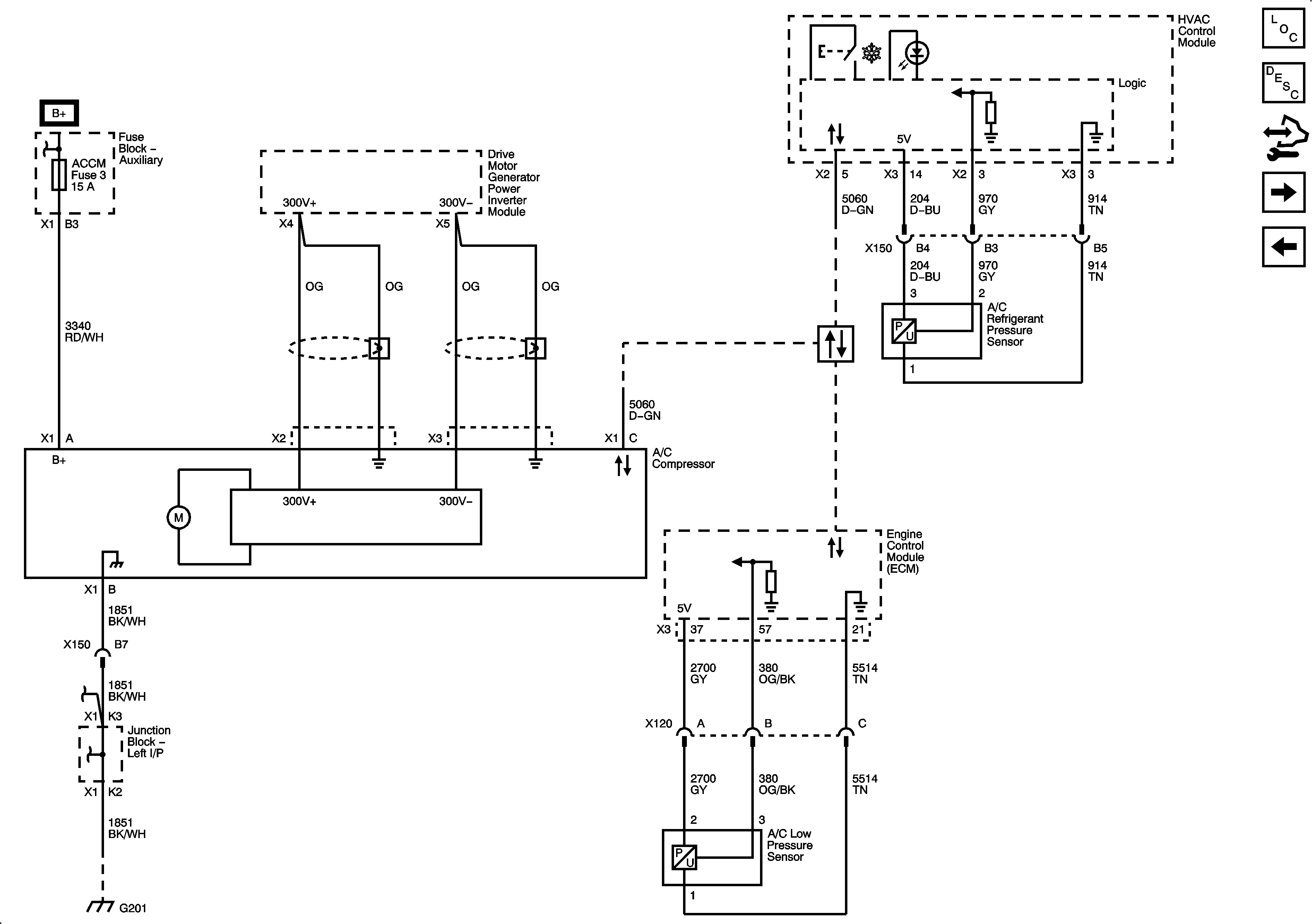
Figure 5:

A/C Compressor Controls (Except HP2)


Object Number: 2064925  Size: FS
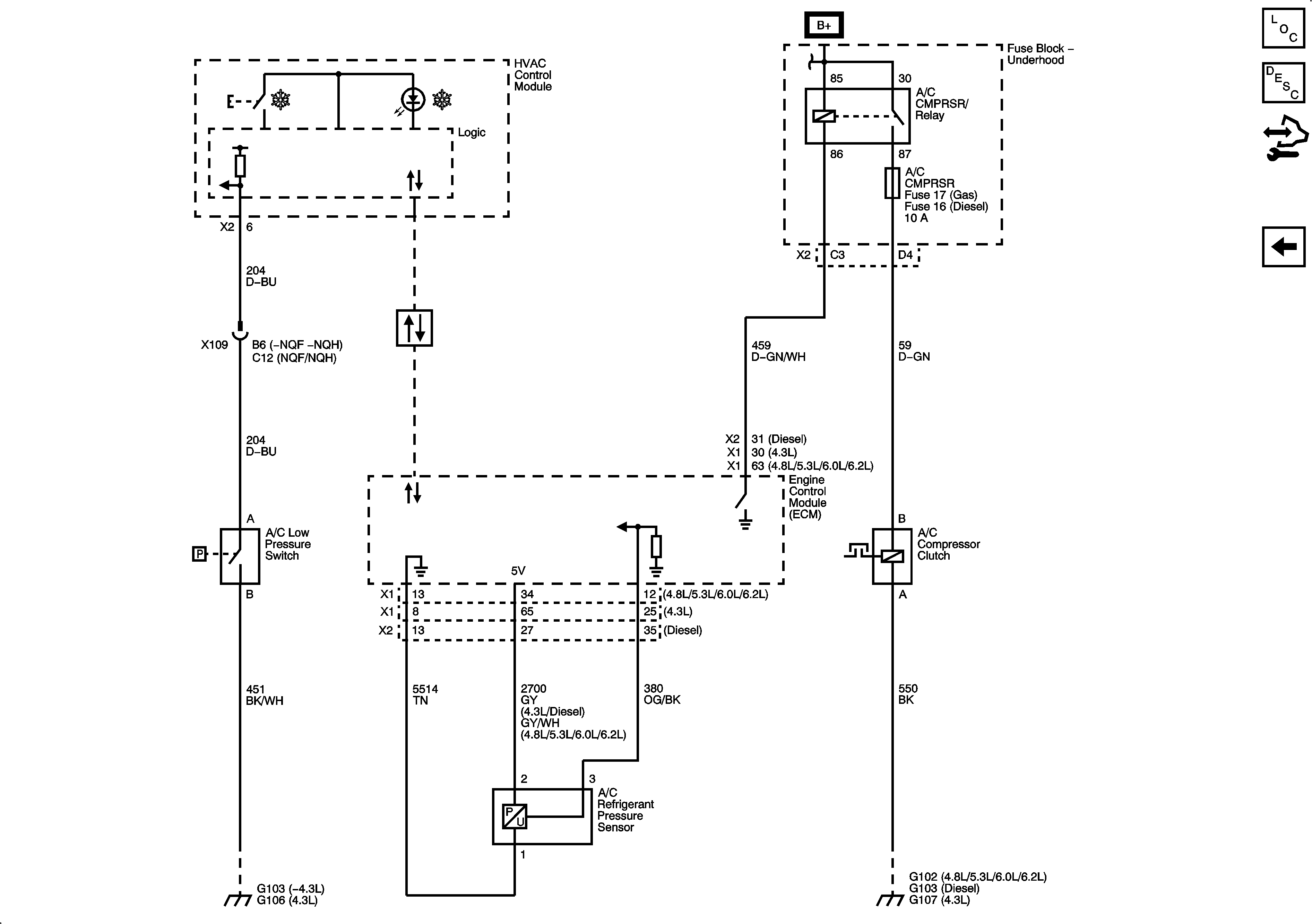
Figure 6:

A/C Compressor Controls (HP2)


Object Number: 2161870  Size: FS