GM Service Manual Online
For 1990-2009 cars only
Figure 1:

Park Lamp Controls and Front Park Lamps


Object Number: 2064537  Size: FS
Figure 2:

Left Rear Park Lamps


Object Number: 2064540  Size: FS
Figure 3:

Right Rear Park Lamps


Object Number: 2064543  Size: FS
Figure 4:

Exterior Illumination Lamps (DL3/DR4)


Object Number: 2064546  Size: FS
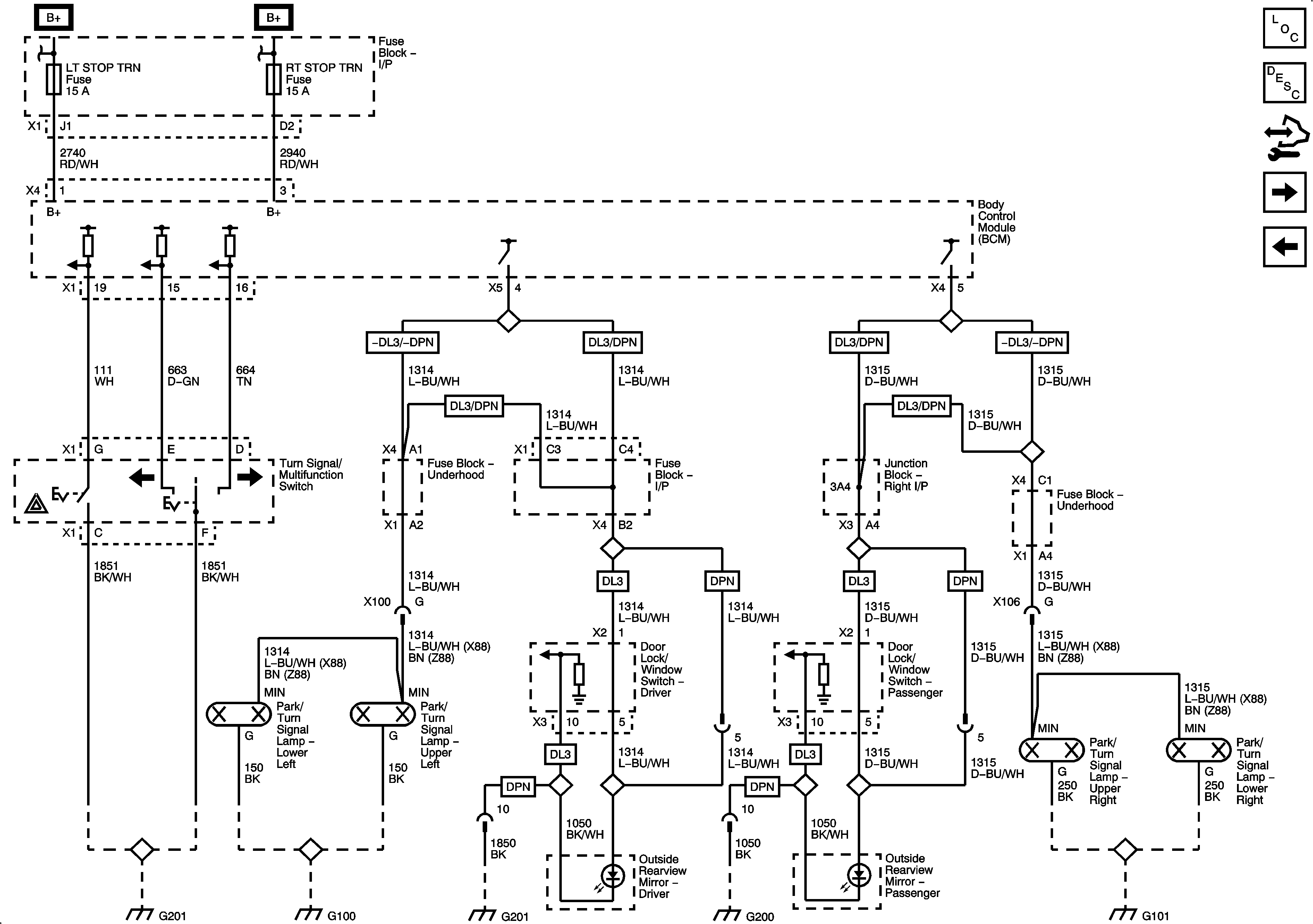
Figure 5:

Turn Signal Controls and Front Turn Signal Lamps


Object Number: 2064551  Size: FS
Figure 6:

Rear Stop/Turn Signal Lamps


Object Number: 2064554  Size: FS
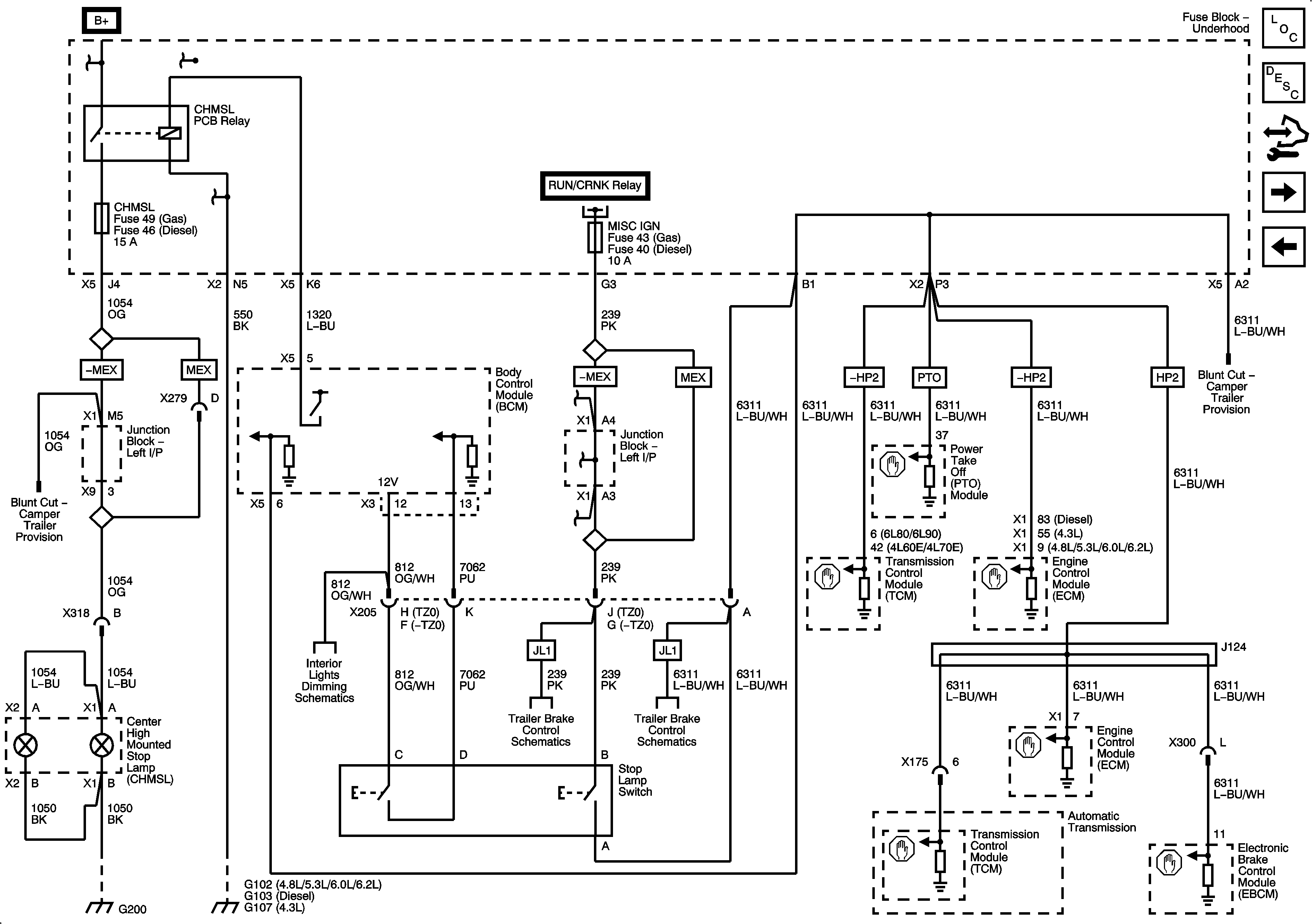
Figure 7:

Stop Lamp Controls and CHMSL


Object Number: 2064556  Size: FS
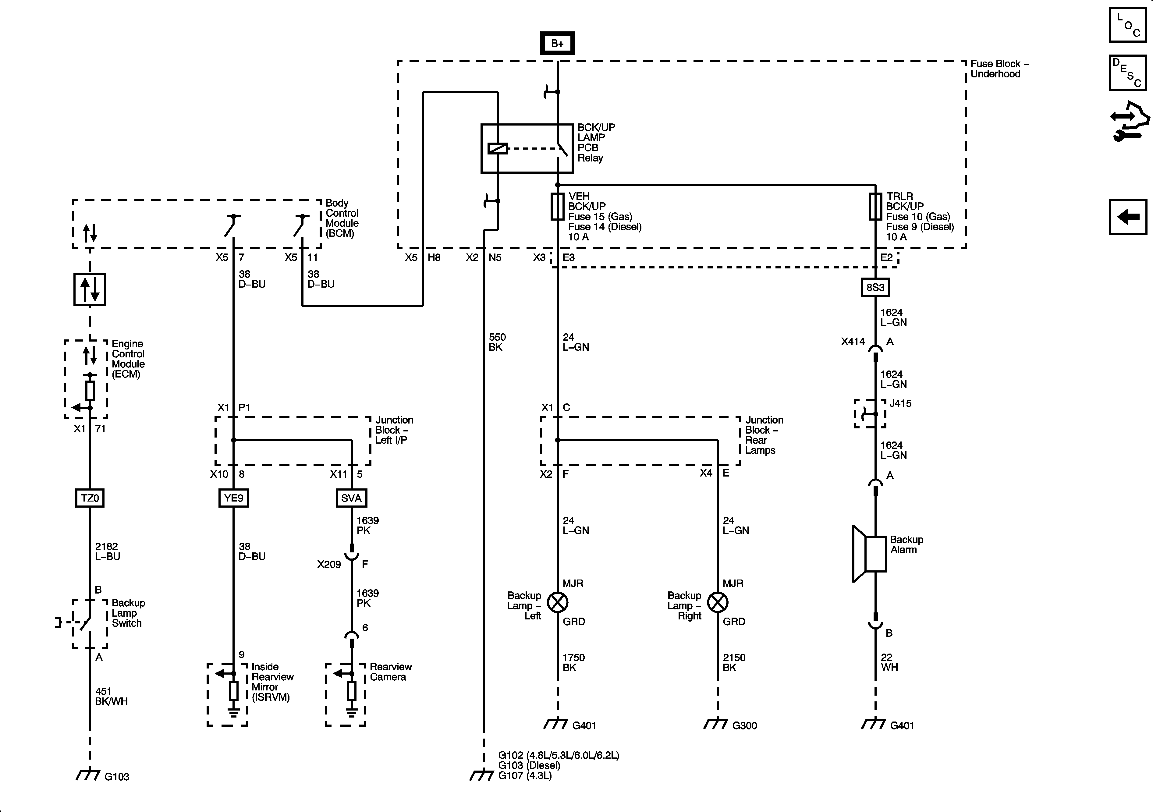
Figure 8:

Backup Lamps and Backup Alarm


Object Number: 2064559  Size: FS