GM Service Manual Online
For 1990-2009 cars only
Figure 1:

Inadvertent Lamp Control


Object Number: 2064563  Size: FS
Figure 2:

Courtesy Lamp Control


Object Number: 2064566  Size: FS
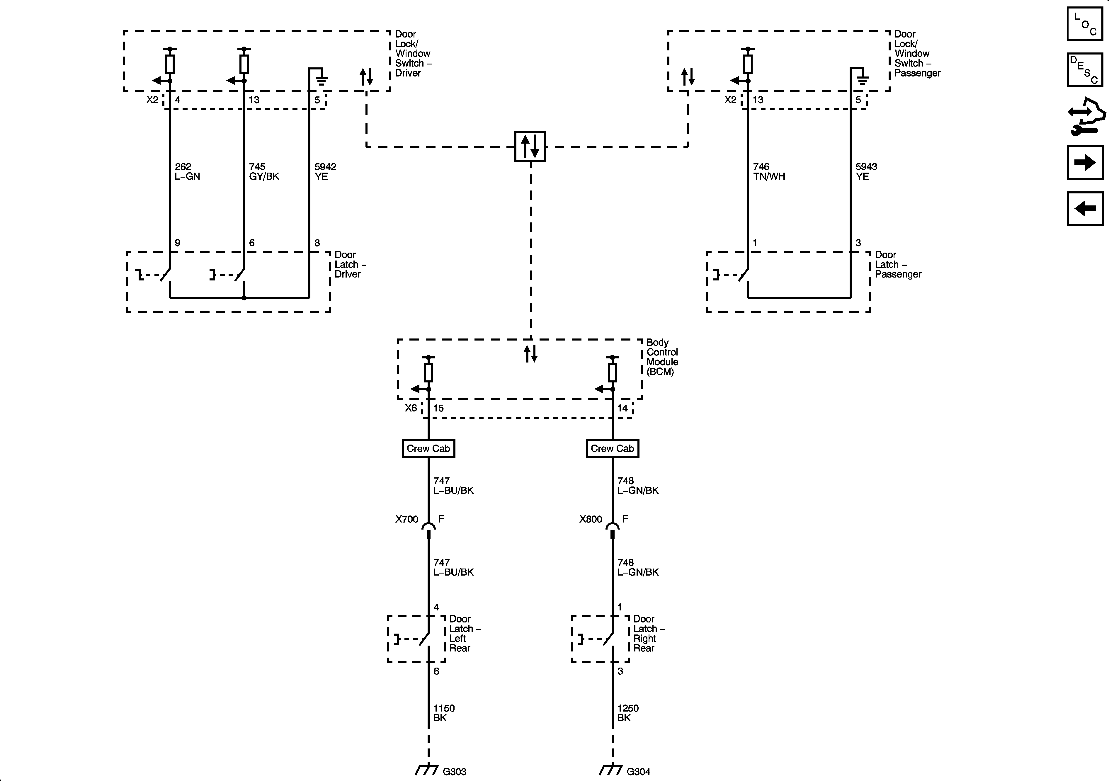
Figure 3:

Door Jamb Switches (AN3/DL3)


Object Number: 2064568  Size: FS
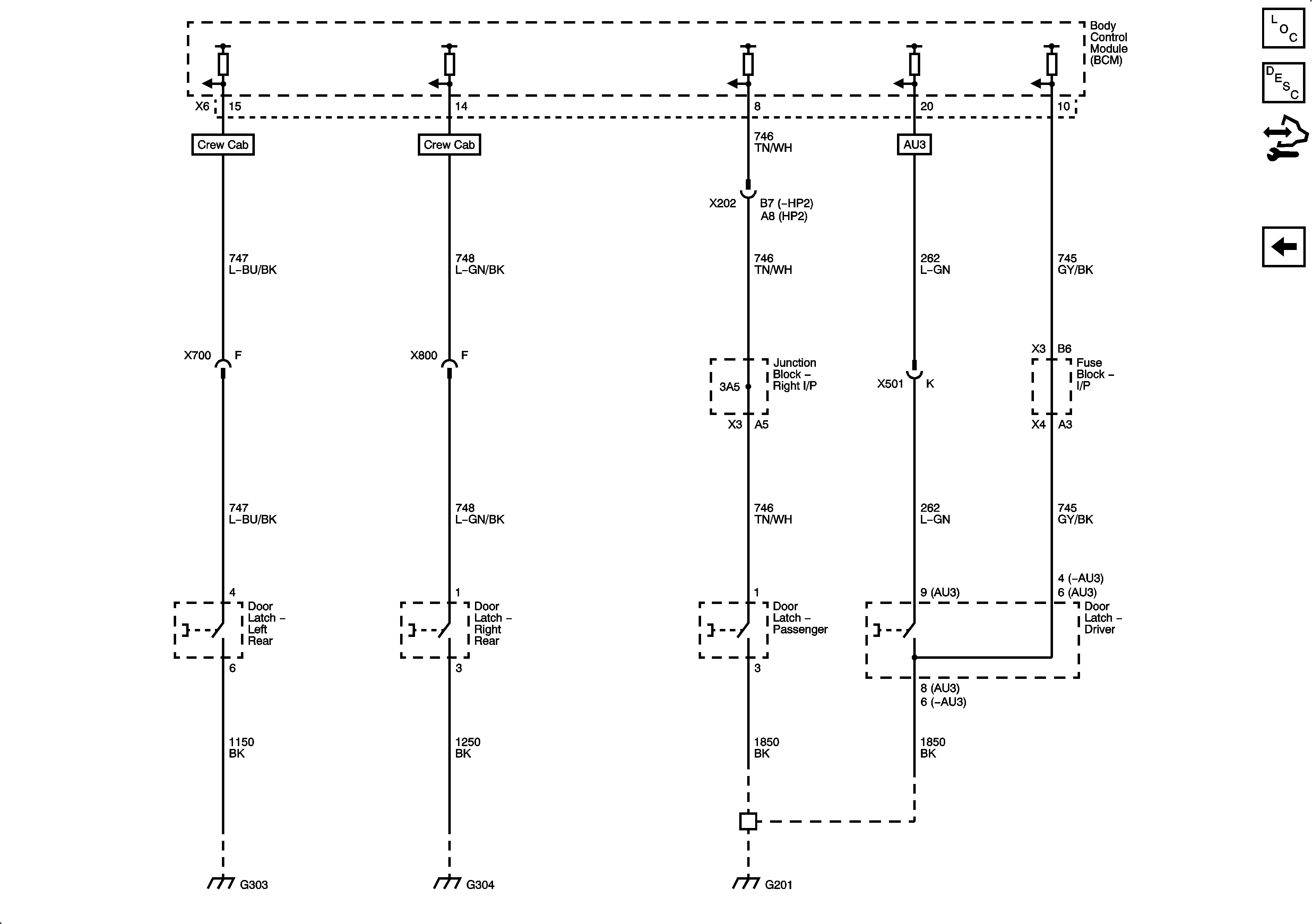
Figure 4:

Door Jamb Switches (except AN3/DL3)


Object Number: 2064570  Size: FS