GM Service Manual Online
For 1990-2009 cars only
Makes
🢒
GMC_Truck
🢒
2009
🢒
Sierra - 2WD
🢒
Diagnostic Navigation
🢒
Vehicle Diagnostic Information
🢒 Power Take-Off (PTO) Schematics
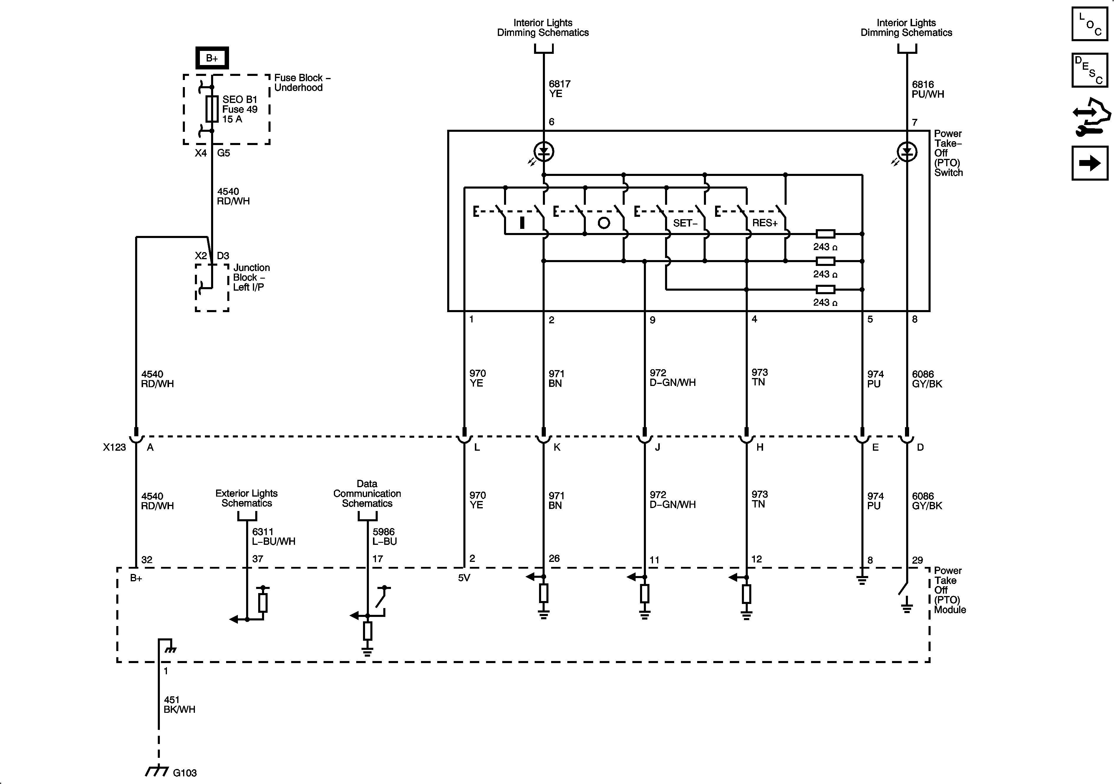
Figure
1:
Switch Controls
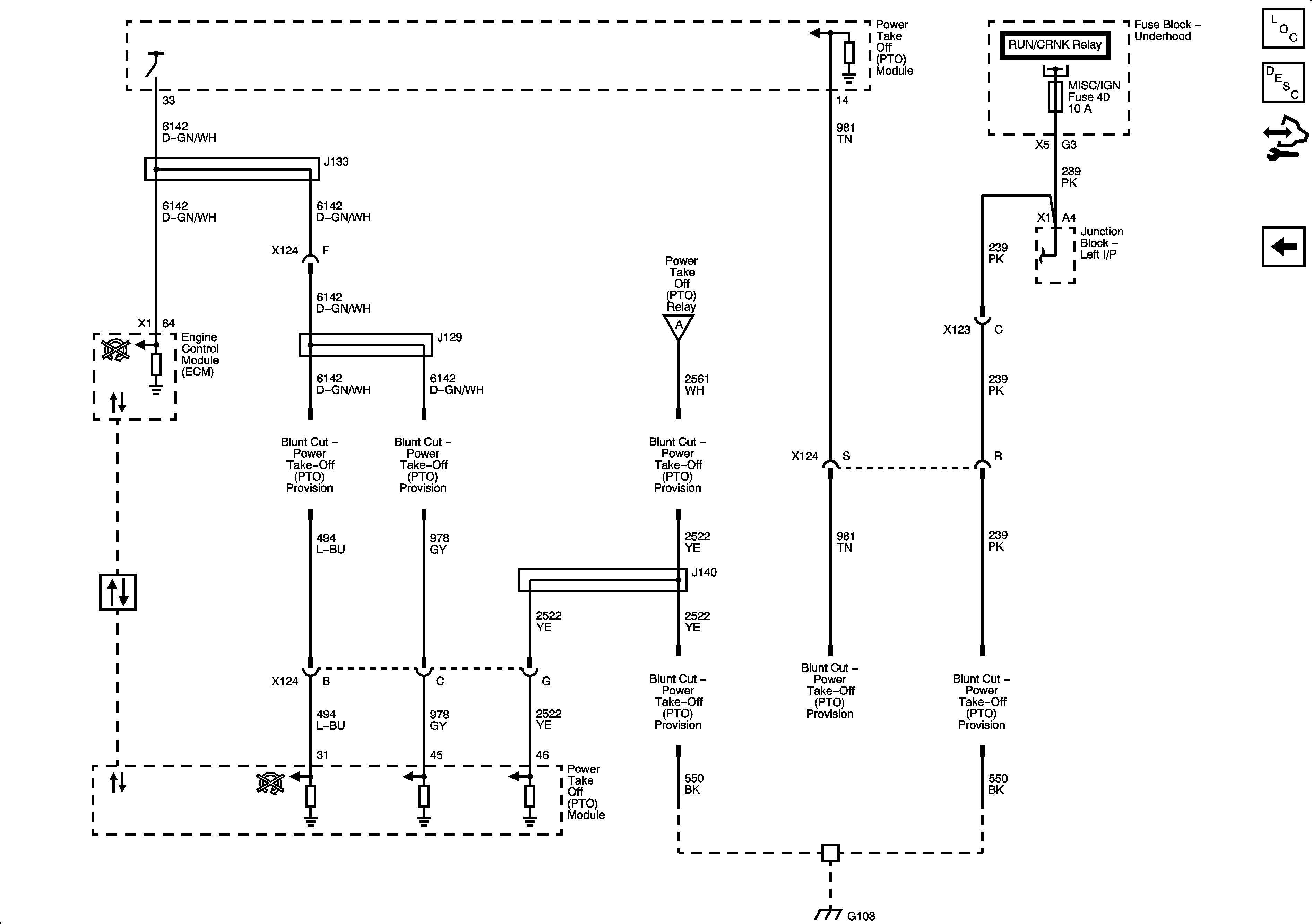
Figure
2:
Wiring Provisions - 1 of 2
Figure
3:
Wiring Provisions - 2 of 2