GM Service Manual Online
For 1990-2009 cars only
Makes
🢒
GMC_Truck
🢒
2009
🢒
Sierra - 2WD
🢒
Body Systems
🢒
Mirrors
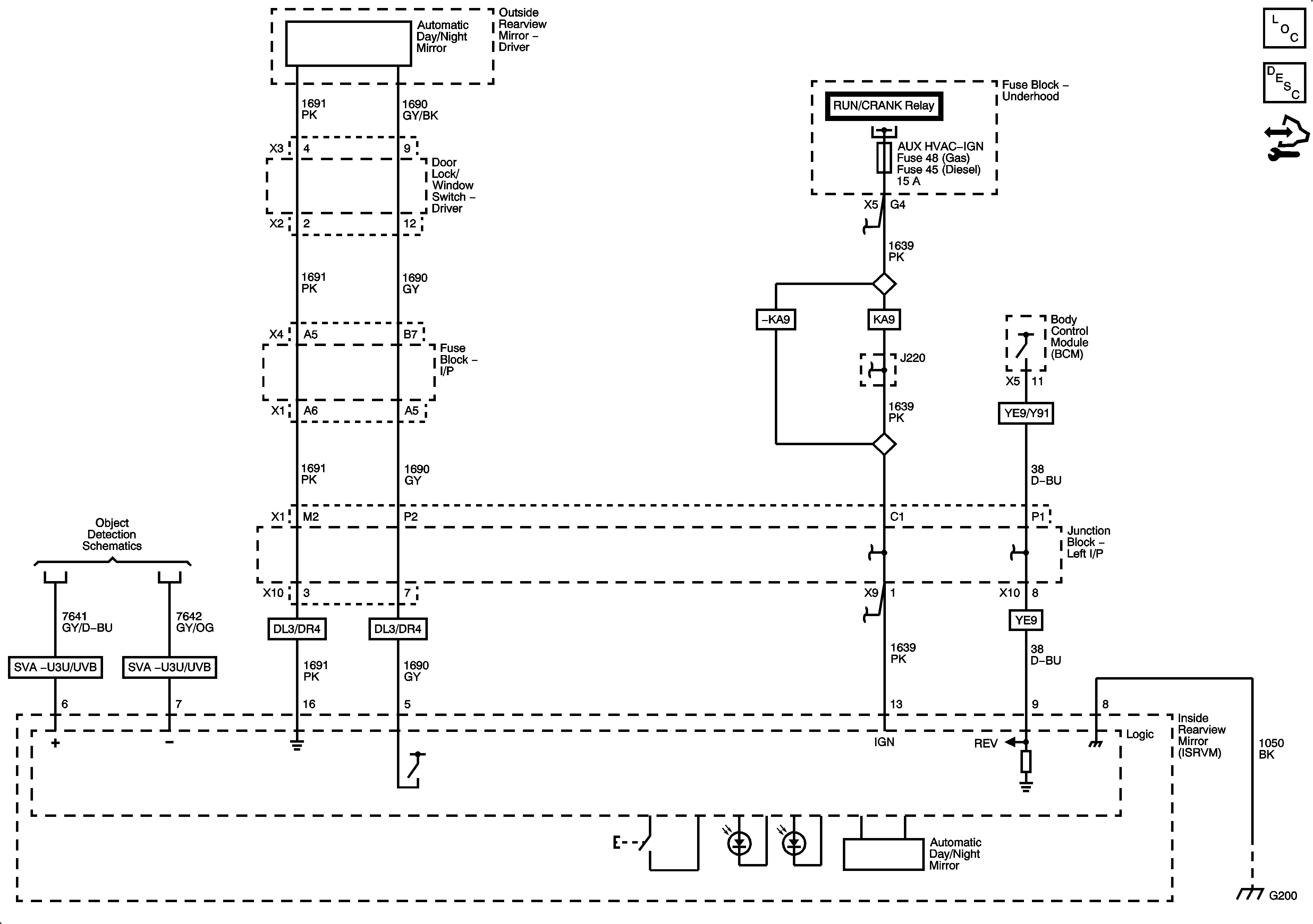
🢒 Inside Rearview Mirror Schematics