GM Service Manual Online
For 1990-2009 cars only
Makes
🢒
GMC_Truck
🢒
2009
🢒
Sierra - 2WD
🢒
Driver Information and Entertainment
🢒
Cellular, Entertainment, and Navigation
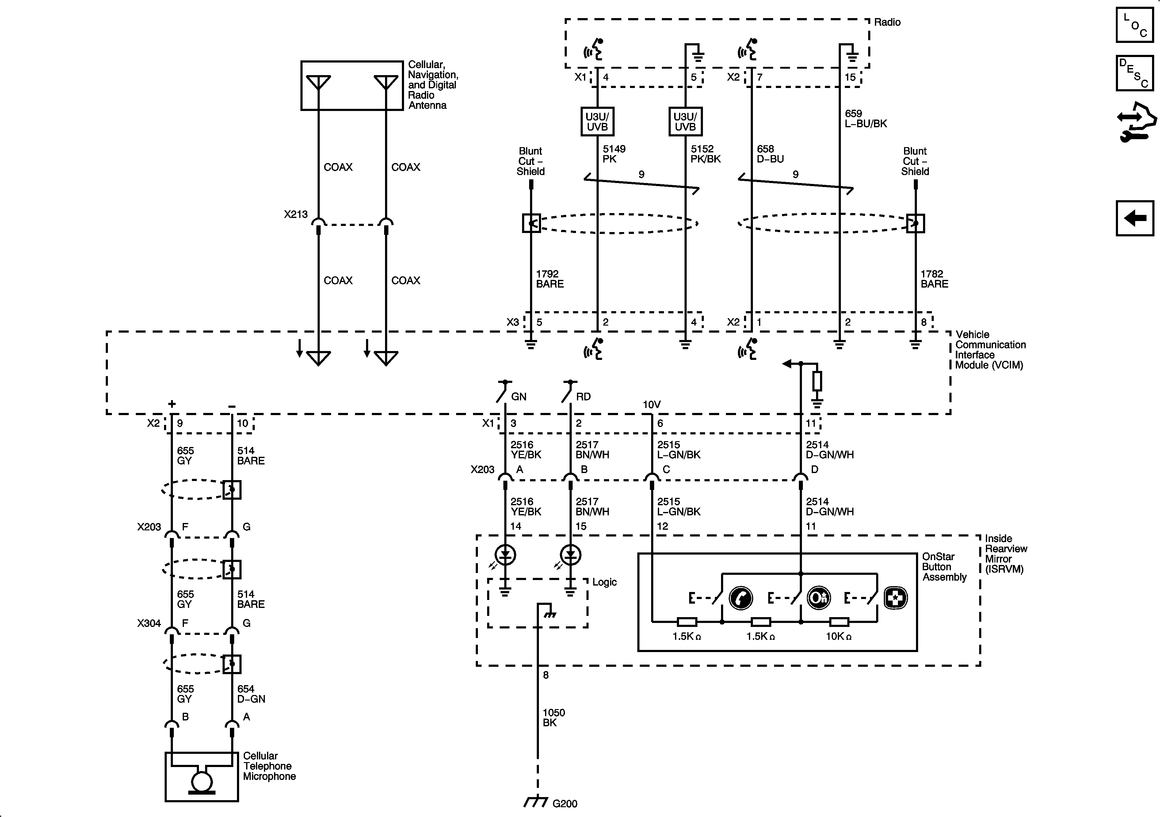
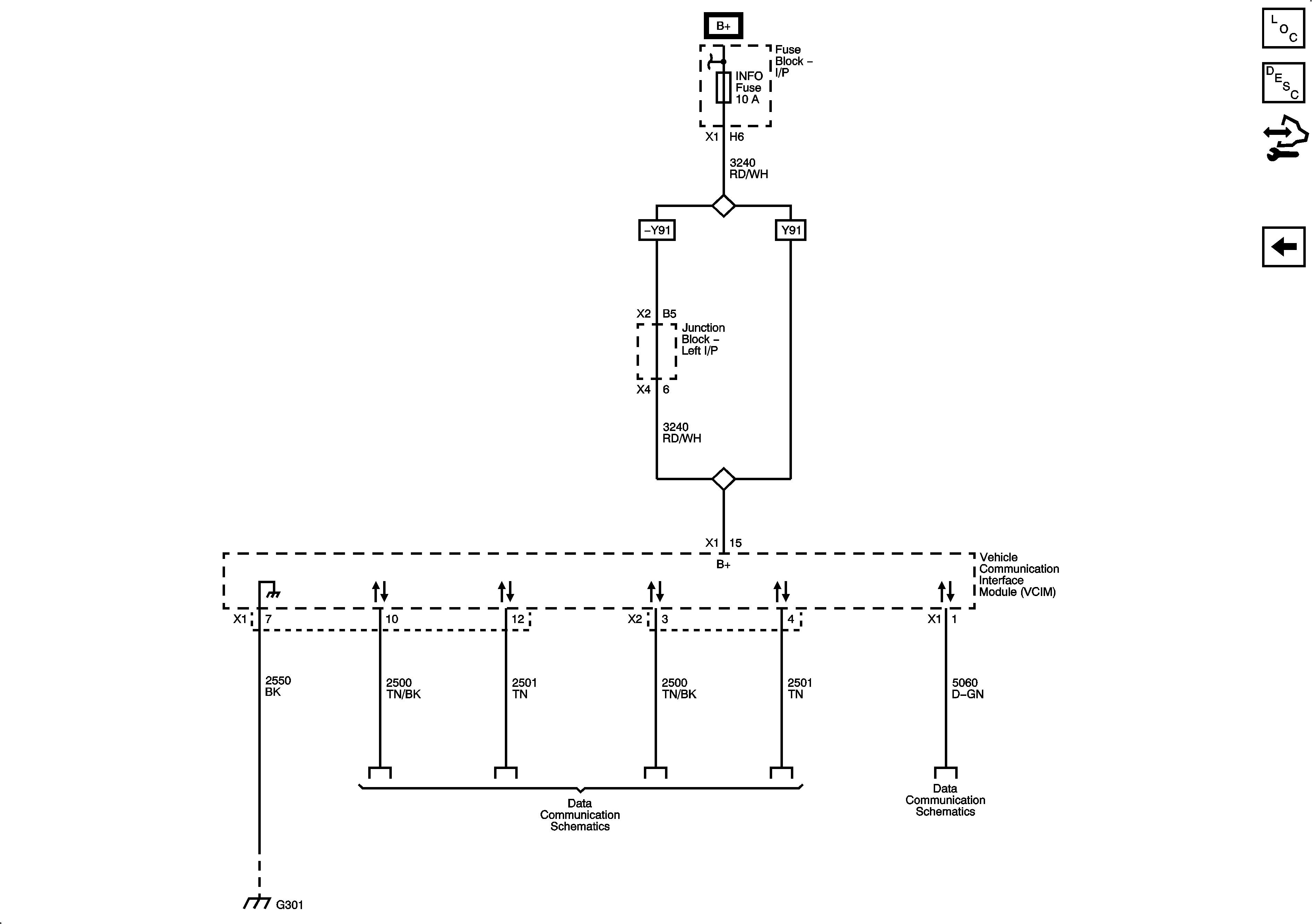
🢒 OnStar Schematics
Figure
1:
Module Power, Ground and Serial Data
Figure
2:
Communication Signals and Controls