GM Service Manual Online
For 1990-2009 cars only
Makes
🢒
GMC_Truck
🢒
2009
🢒
Sierra - 2WD
🢒
Driver Information and Entertainment
🢒
Cellular, Entertainment, and Navigation
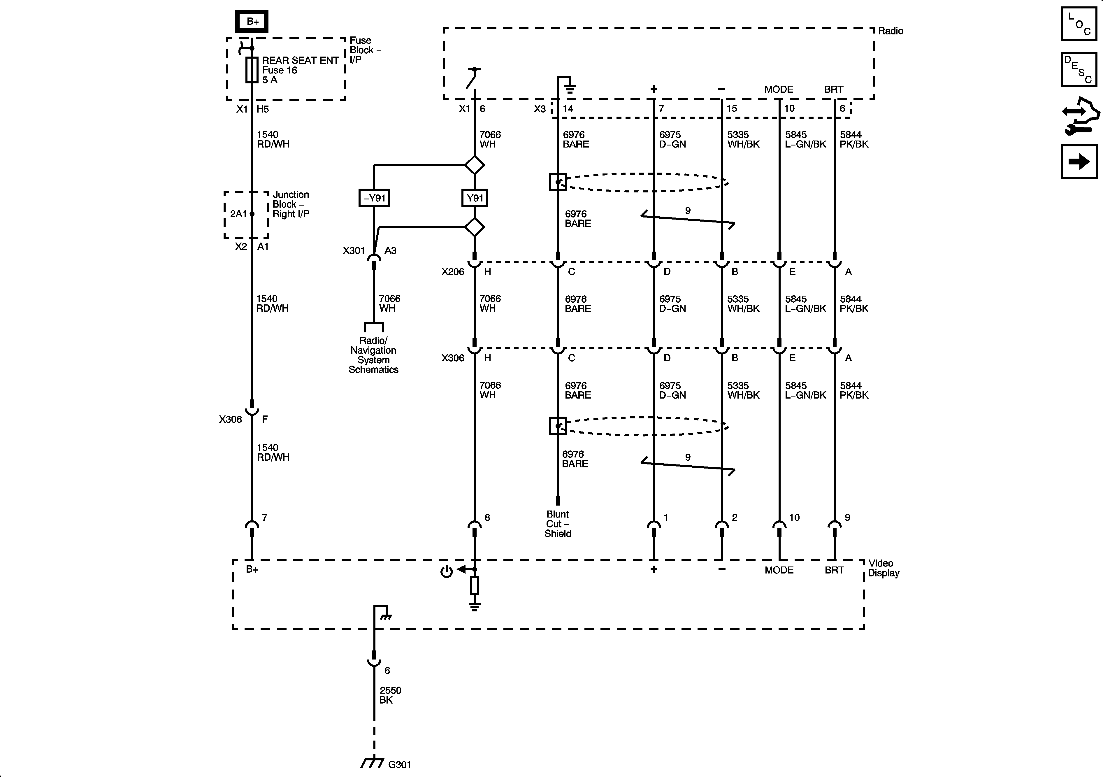
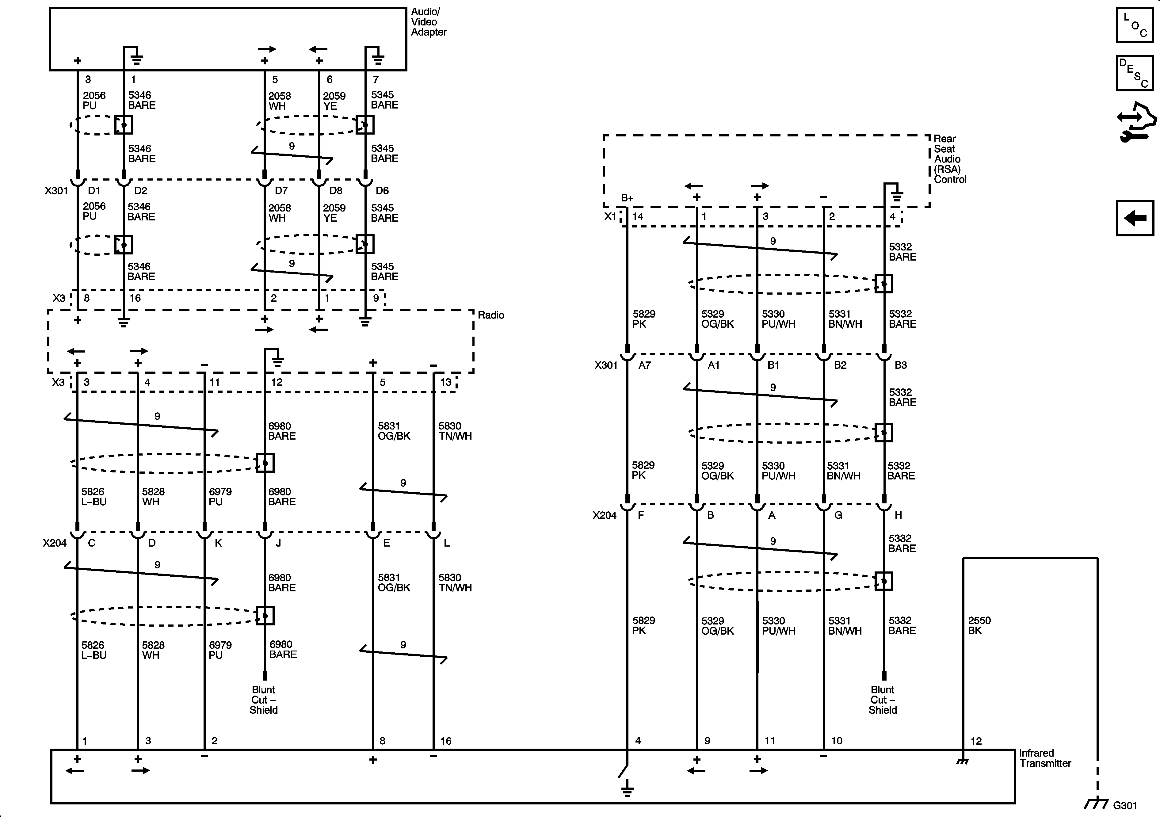
🢒 Video System Schematics
Figure
1:
Display Power, Ground and Video Signals
Figure
2:
Audio Signals