GM Service Manual Online
For 1990-2009 cars only
Makes
🢒
GMC_Truck
🢒
2009
🢒
Sierra - 2WD
🢒
Driver Information and Entertainment
🢒
Displays and Gages
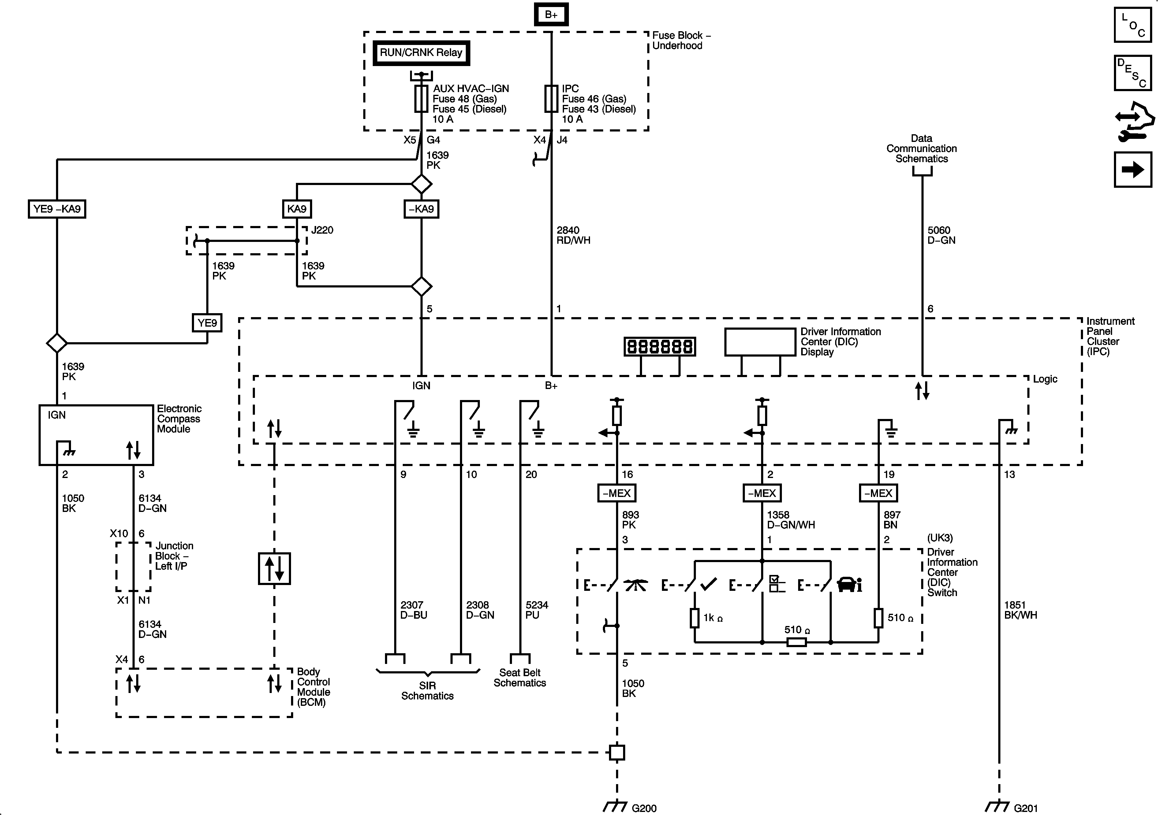
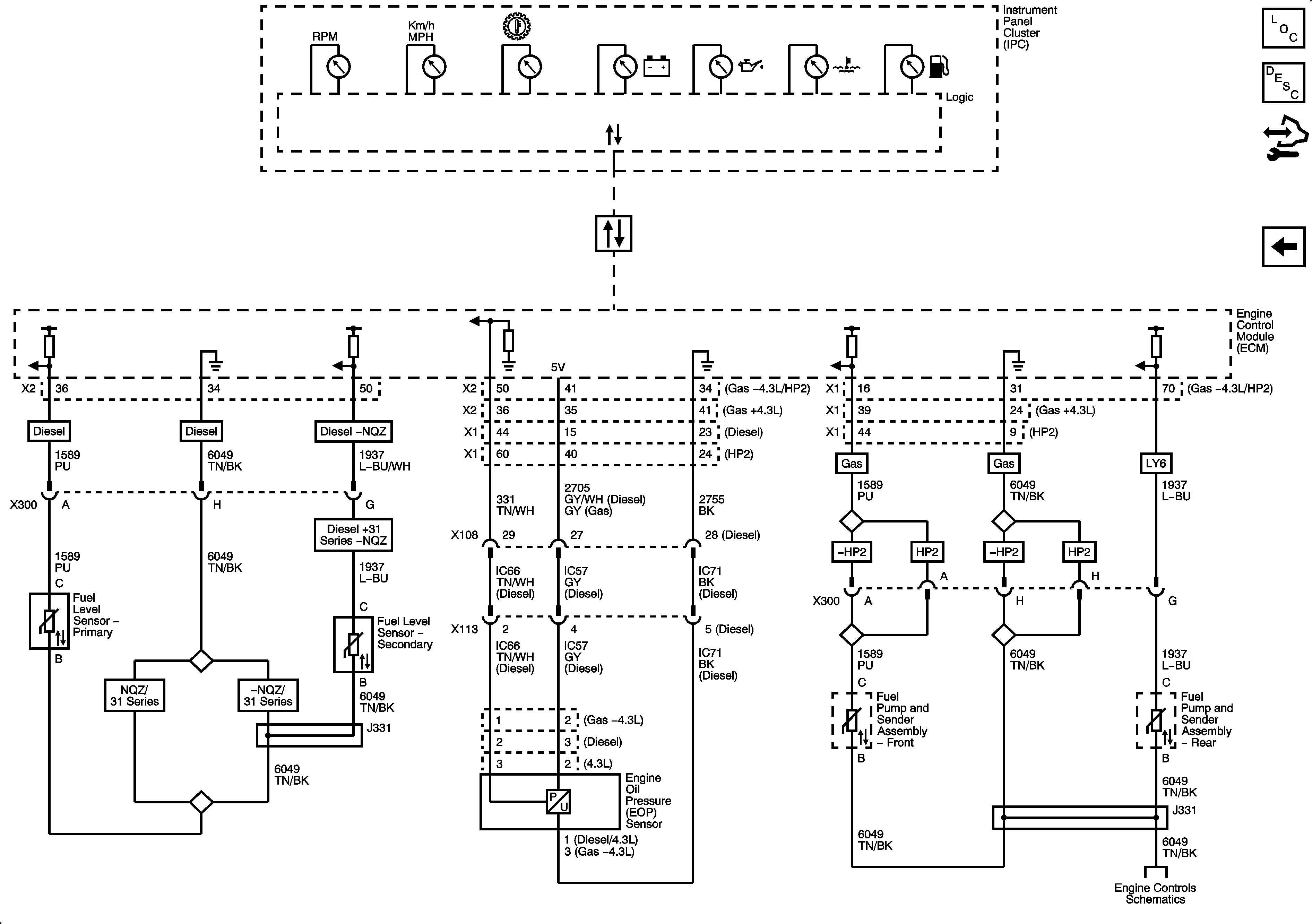
🢒 Instrument Cluster Schematics
Figure
1:
Power, Ground, Compass and DIC
Figure
2:
Indicators
Figure
3:
Gages