GM Service Manual Online
For 1990-2009 cars only
Makes
🢒
GMC_Truck
🢒
2009
🢒
Sierra - 2WD
🢒
Brakes
🢒
Trailer Brake Controls
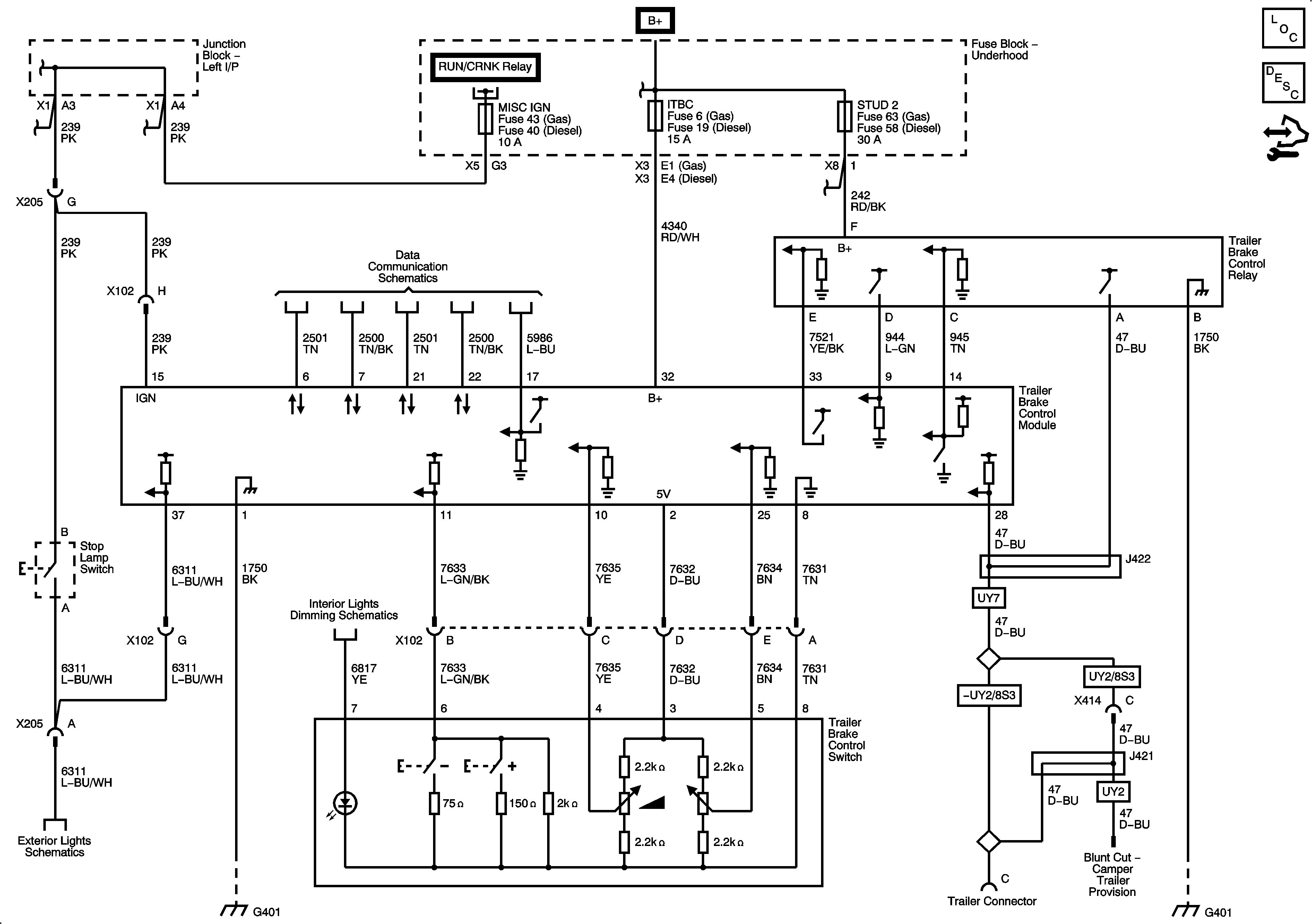
🢒 Trailer Brake Control Schematics