GM Service Manual Online
For 1990-2009 cars only
Makes
🢒
GMC_Truck
🢒
2009
🢒
Sierra - 2WD
🢒
Brakes
🢒
Antilock Brake System - Non-Hybrid Greater than/Equal to 3900 kg (8600 lb) GVW
🢒 Antilock Brake System Schematics
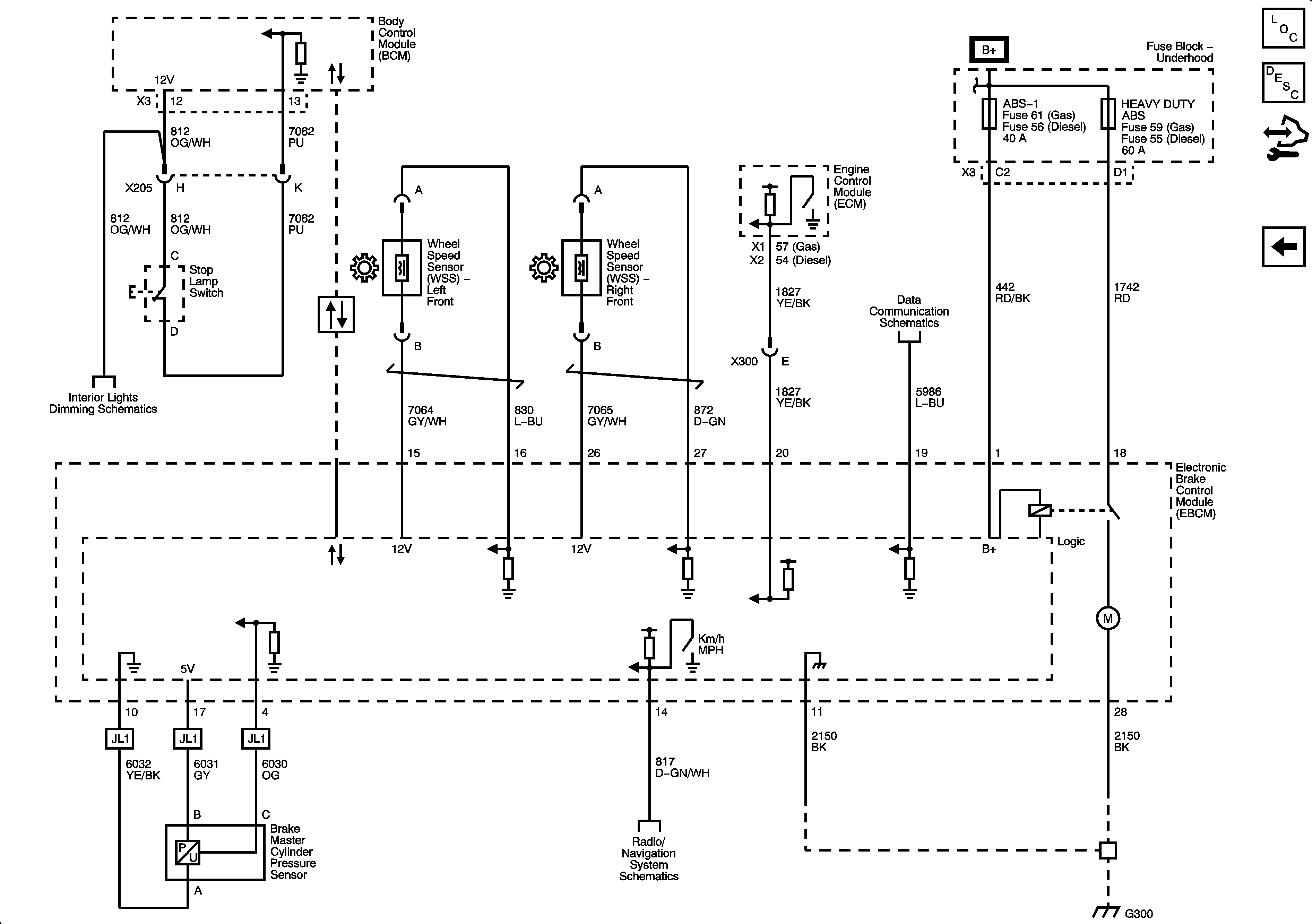
Figure
1:
Power, Ground, Serial Data, and Traction Controls
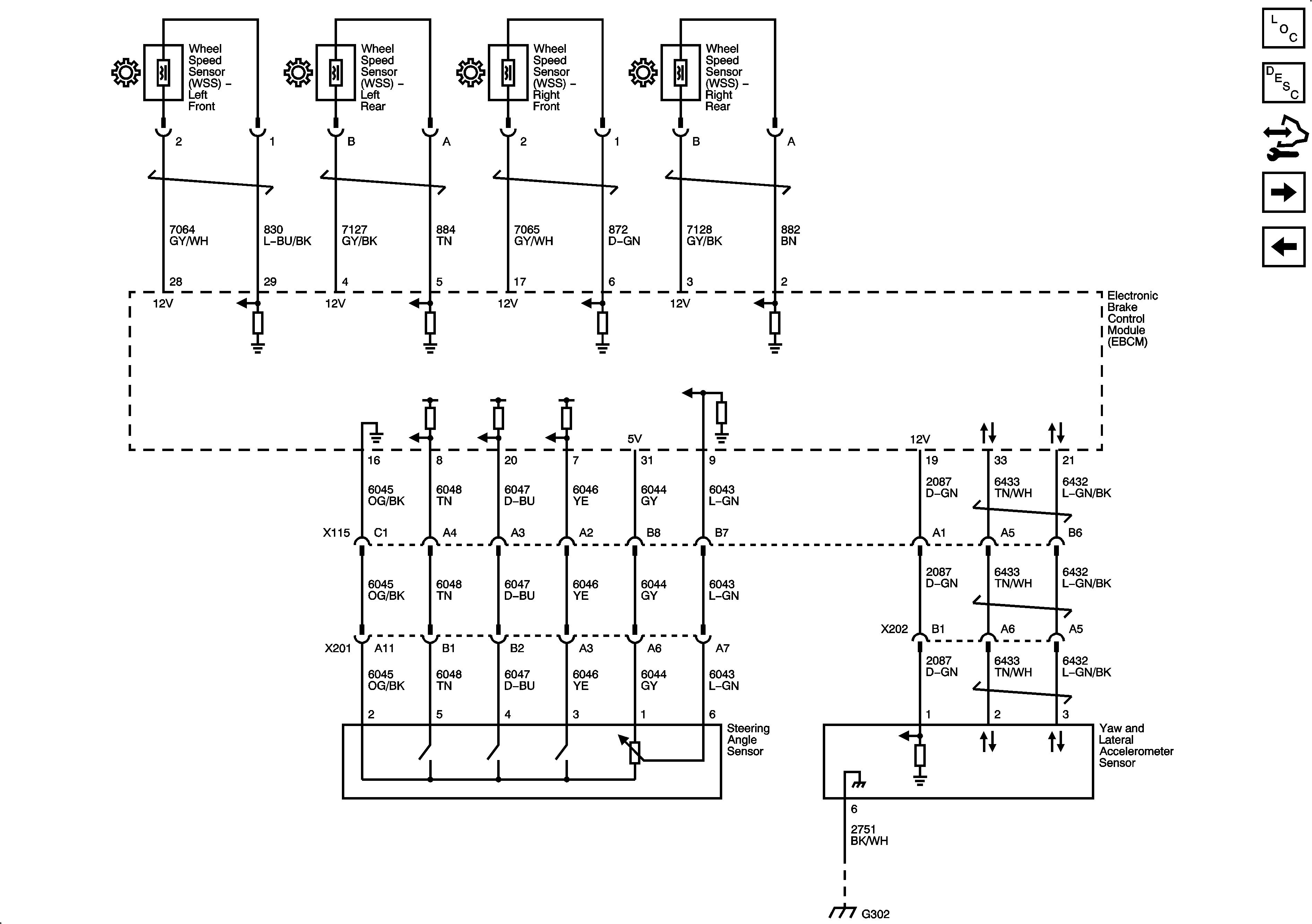
Figure
2:
Wheel Speed Signals
Figure
3:
Vehicle Stability (JL4)