GM Service Manual Online
For 1990-2009 cars only
Makes
🢒
GMC_Truck
🢒
2009
🢒
Sierra - 2WD
🢒
Transmission
🢒
Automatic Transmission - Allison
🢒 Automatic Transmission Controls Schematics
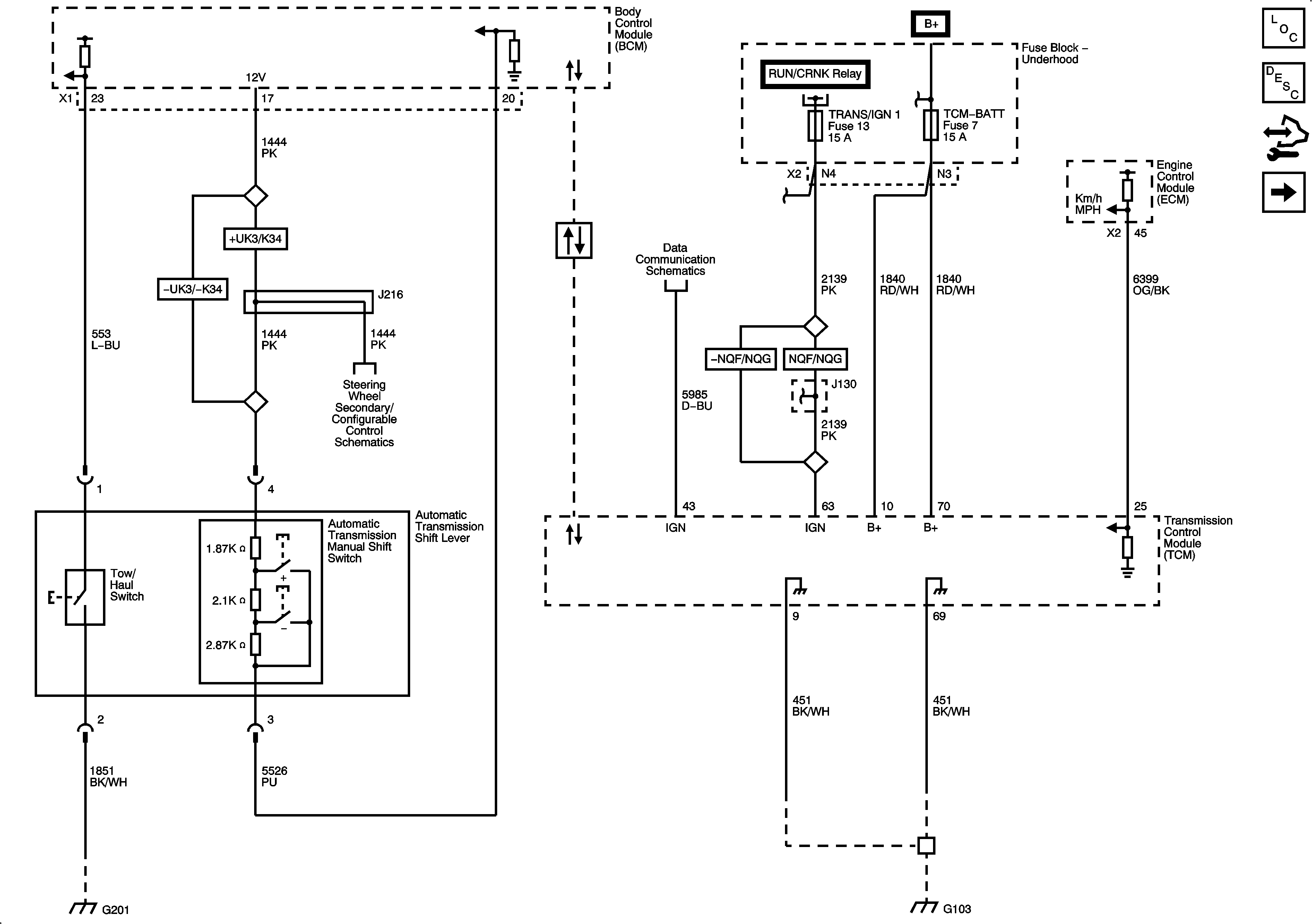
Figure
1:
Power, Ground, Driver Shift Request Switch, Tow/Haul Switch and Serial Data
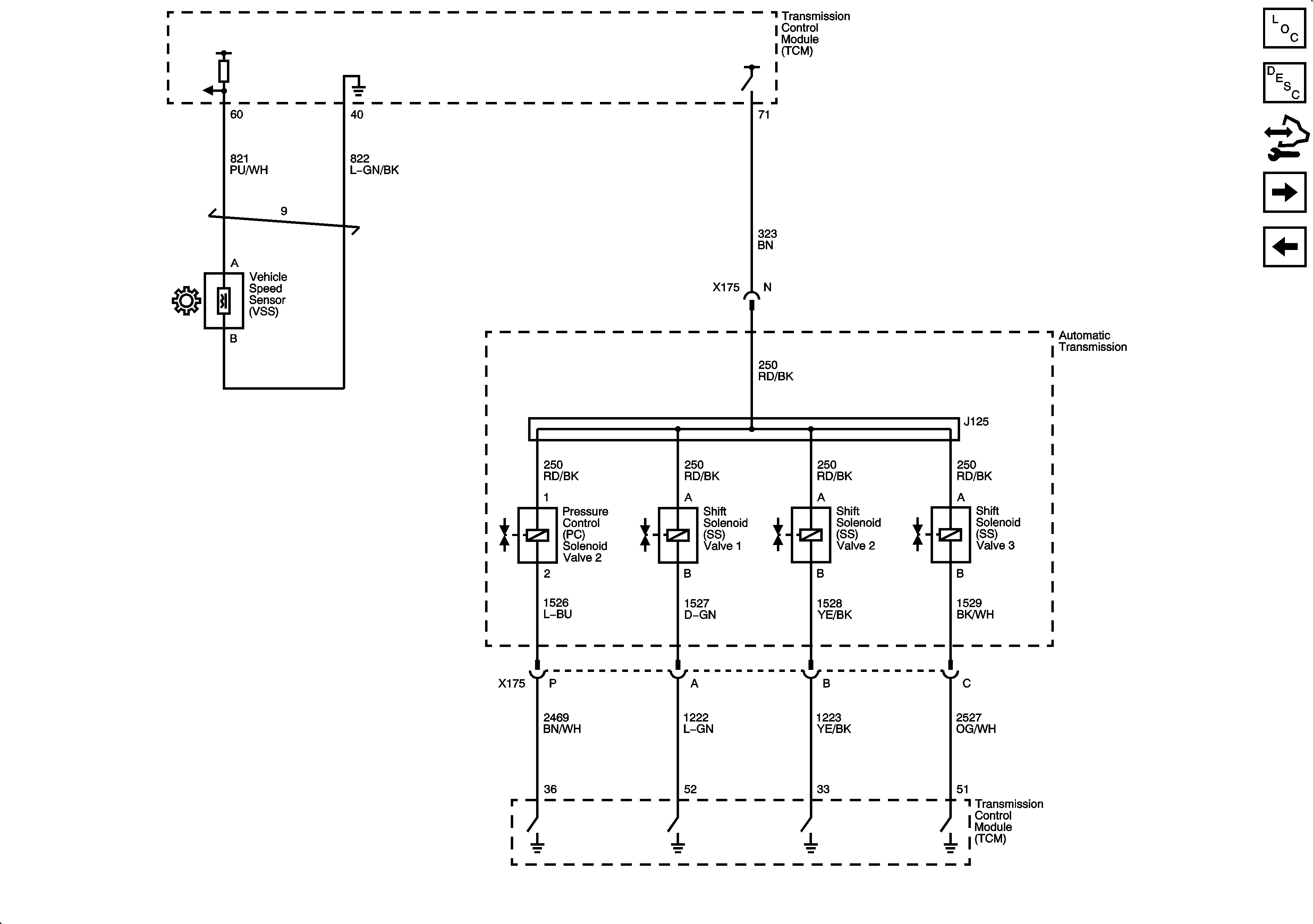
Figure
2:
Shift Solenoids, PCS2, Torque Signals and Speed Sensors
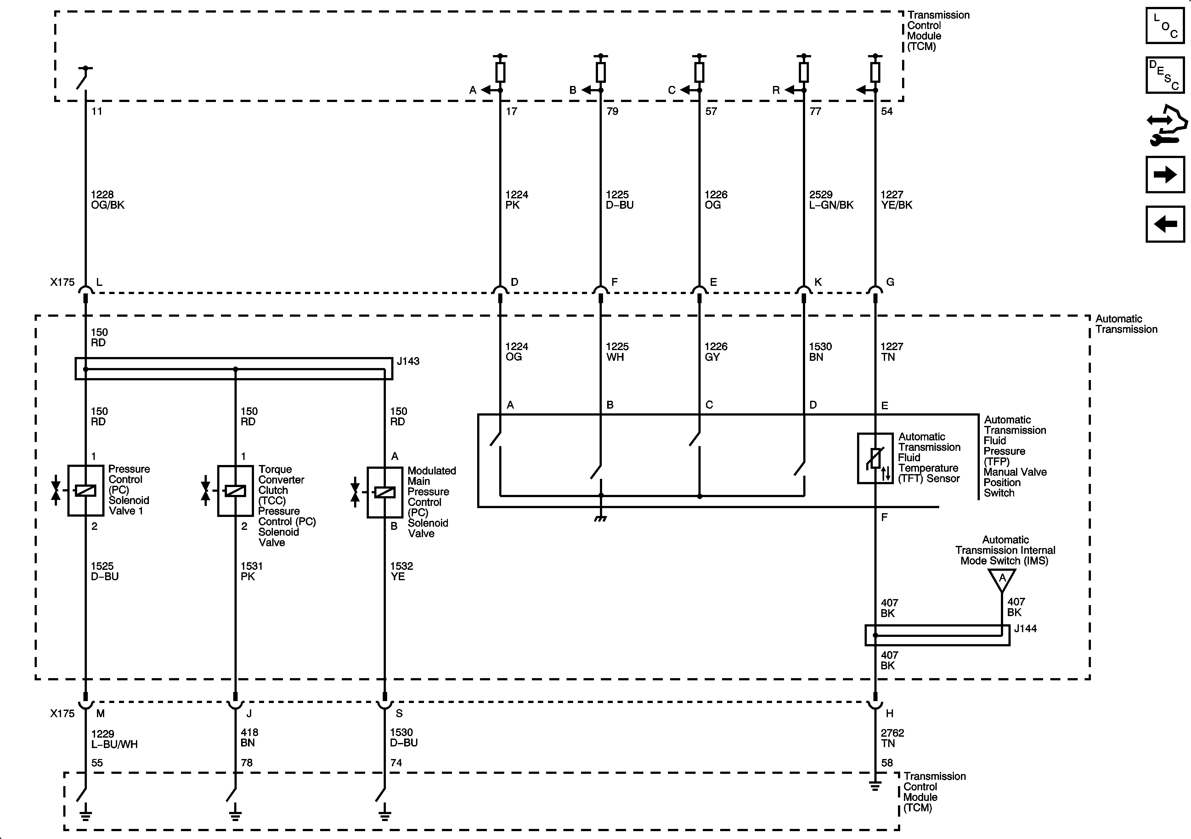
Figure
3:
Fluid Pressure Switches, PCS1, TCC PCS, Mod Main Solenoid, and FTP Sensor
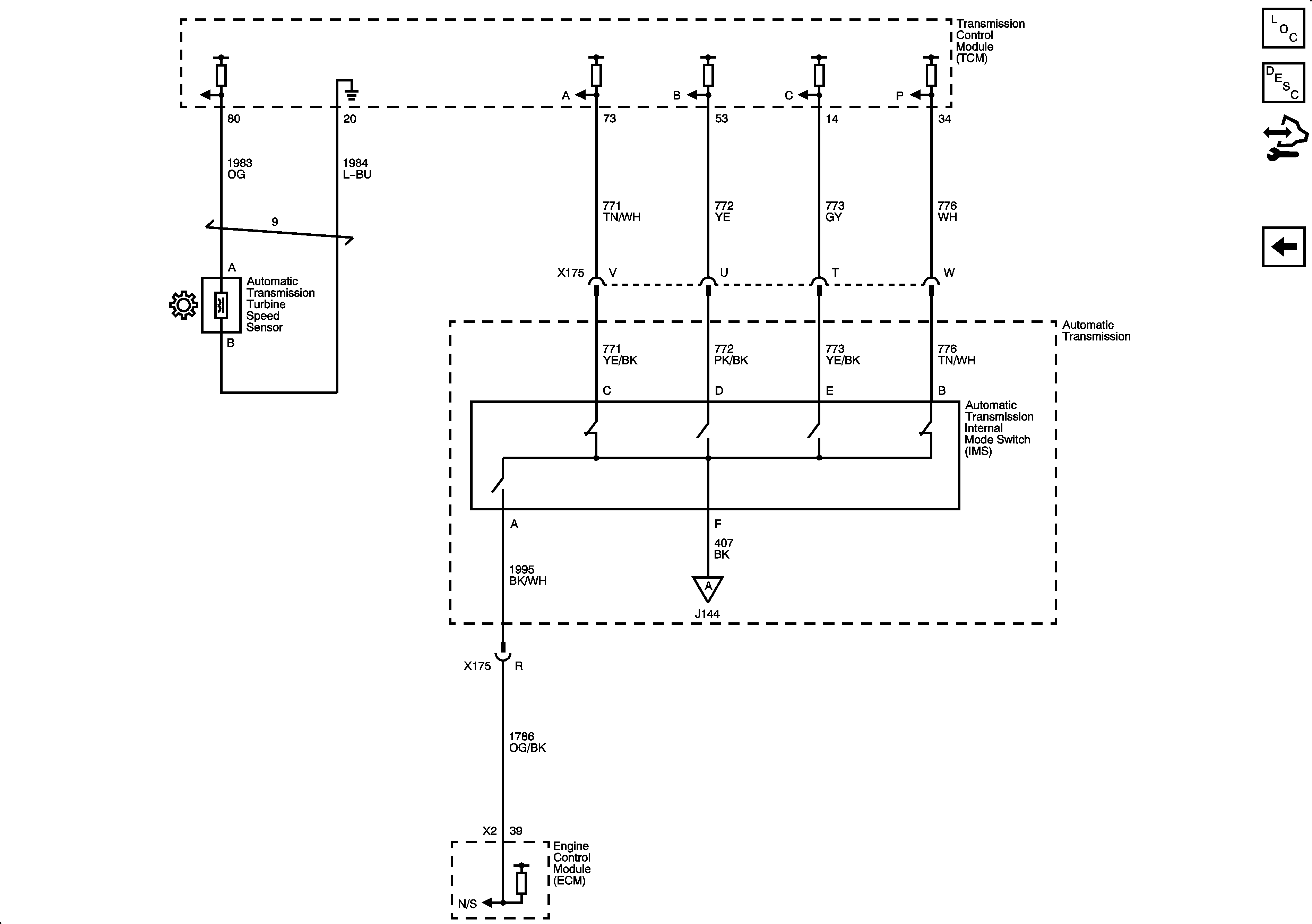
Figure
4:
Internal Mode Switch (IMS) and Speed Sensors