GM Service Manual Online
For 1990-2009 cars only
Figure 1:

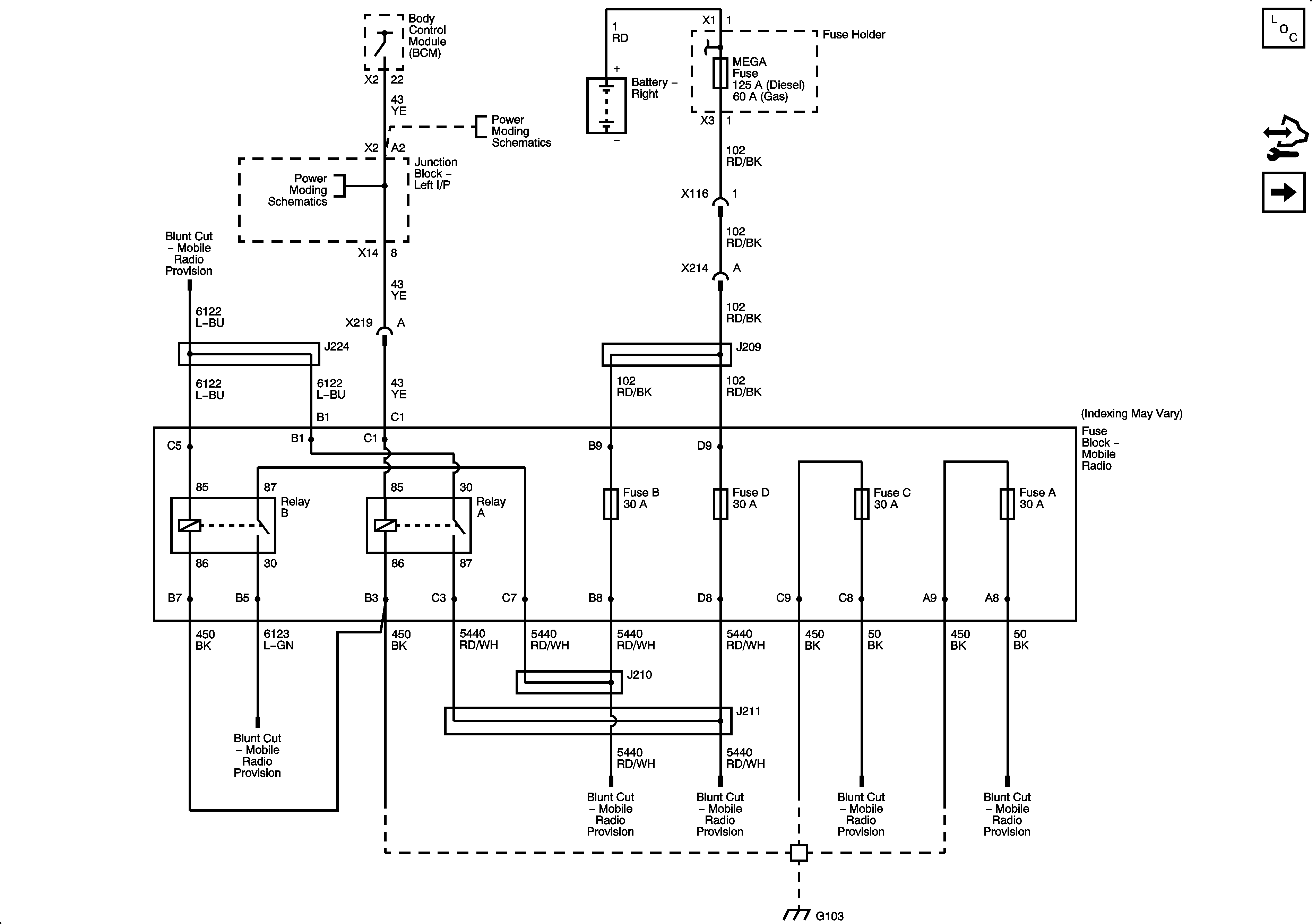
Mobile Radio Power (9L4)


Object Number: 2065162  Size: FS
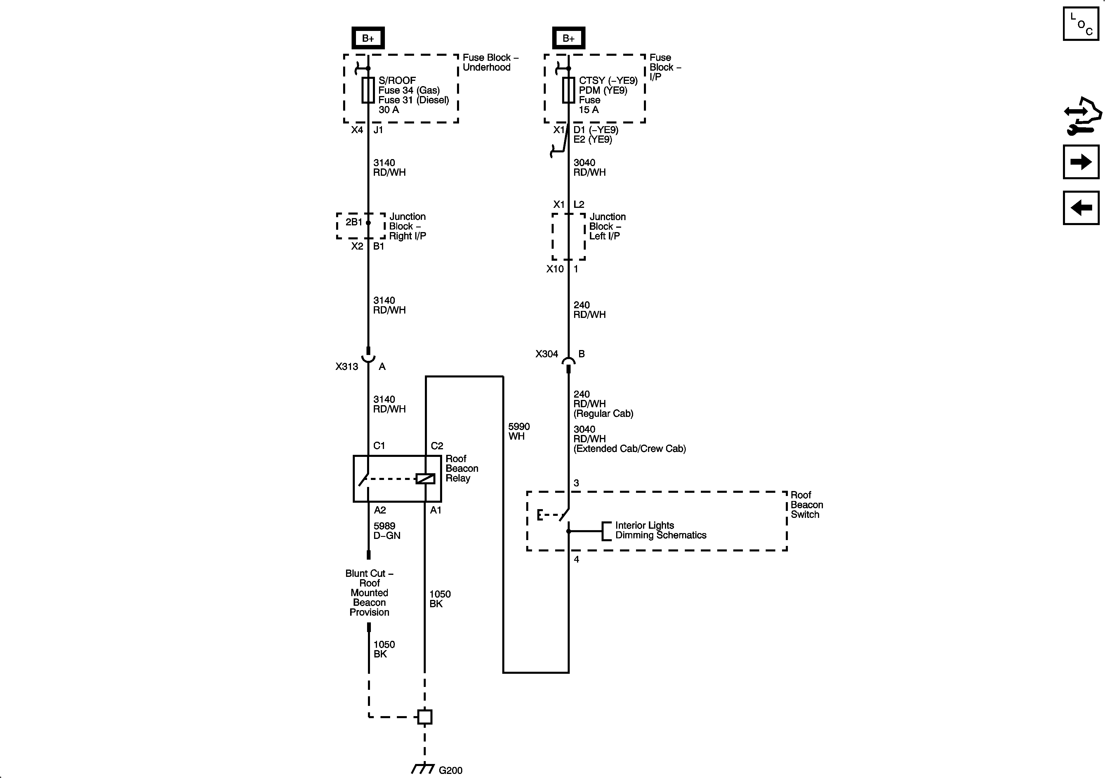
Figure 2:

Roof Beacon Wiring (TRW)


Object Number: 2065165  Size: FS
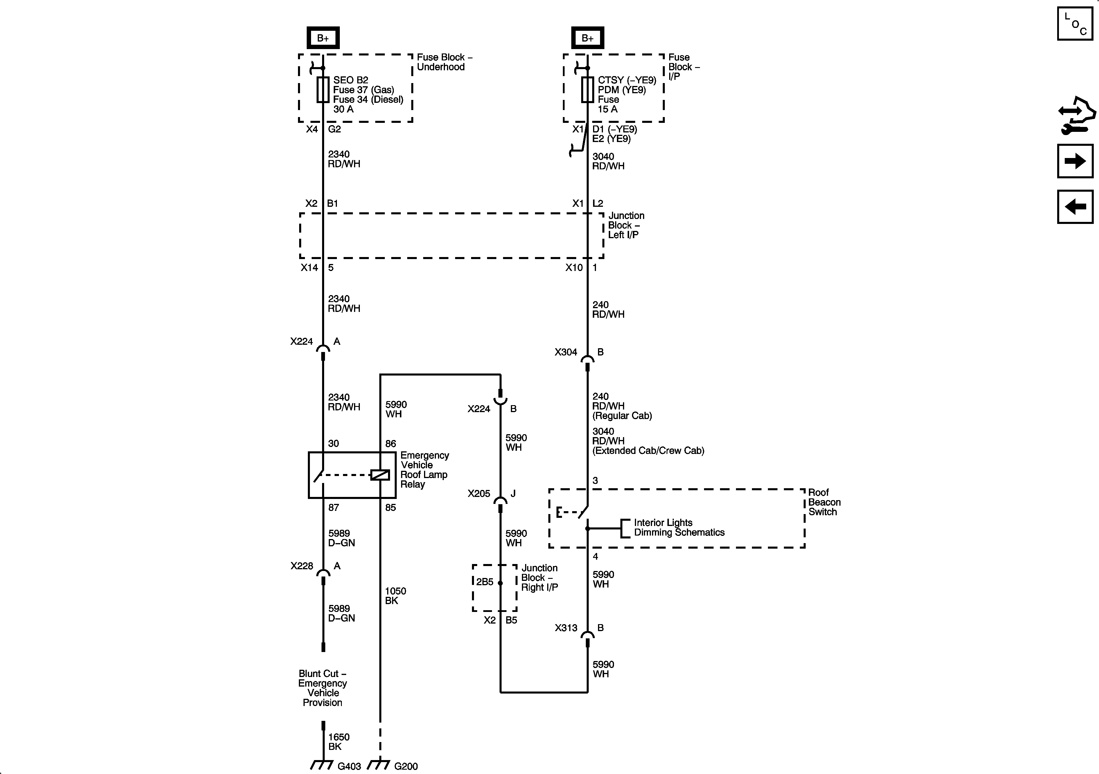
Figure 3:

Emergency Vehicle Wiring (5Y0)


Object Number: 2065170  Size: FS
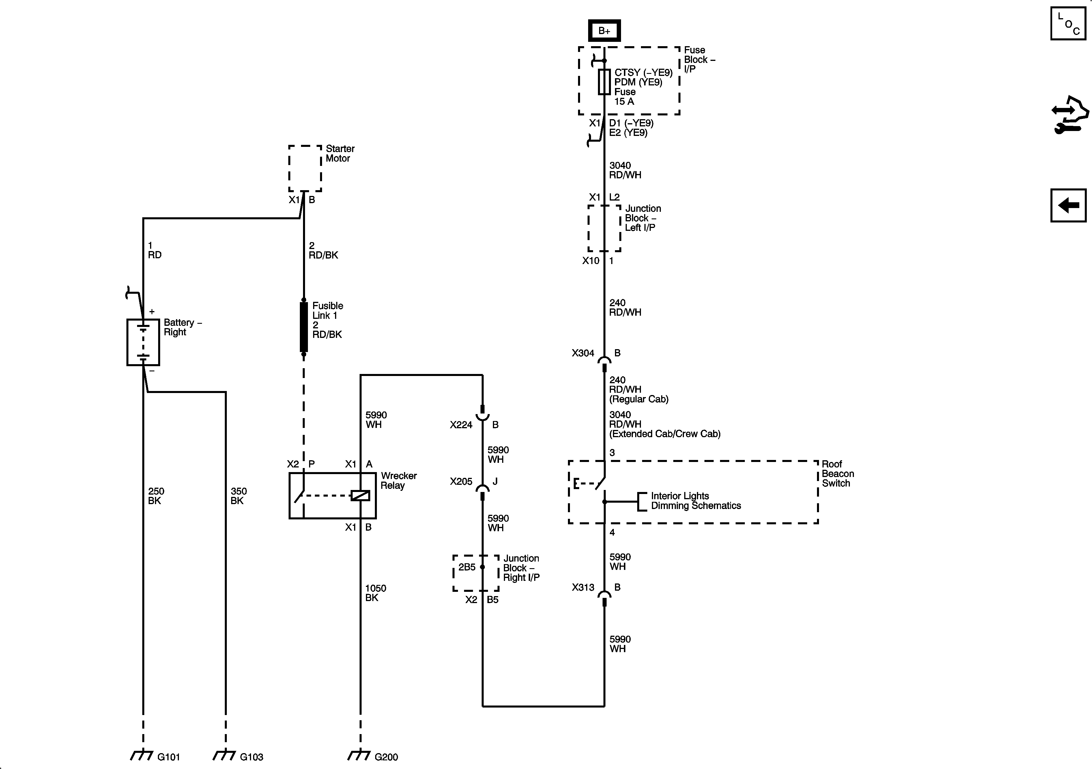
Figure 4:

Wrecker Wiring (5X7)


Object Number: 2065173  Size: FS