GM Service Manual Online
For 1990-2009 cars only
Makes
🢒
GMC_Truck
🢒
2009
🢒
Sierra - 2WD
🢒
Safety and Security
🢒
Object Detection
🢒 Object Detection Schematics
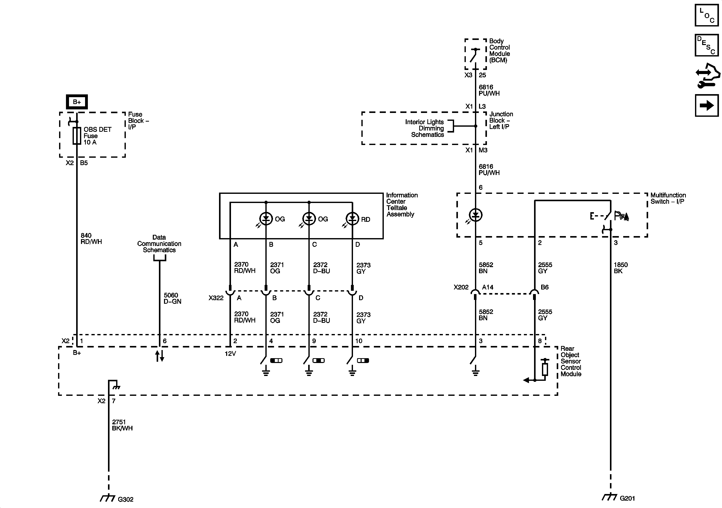
Figure
1:
Rear Object Sensing (UD7)
Figure
2:
Rear Object Sensors (UD7)
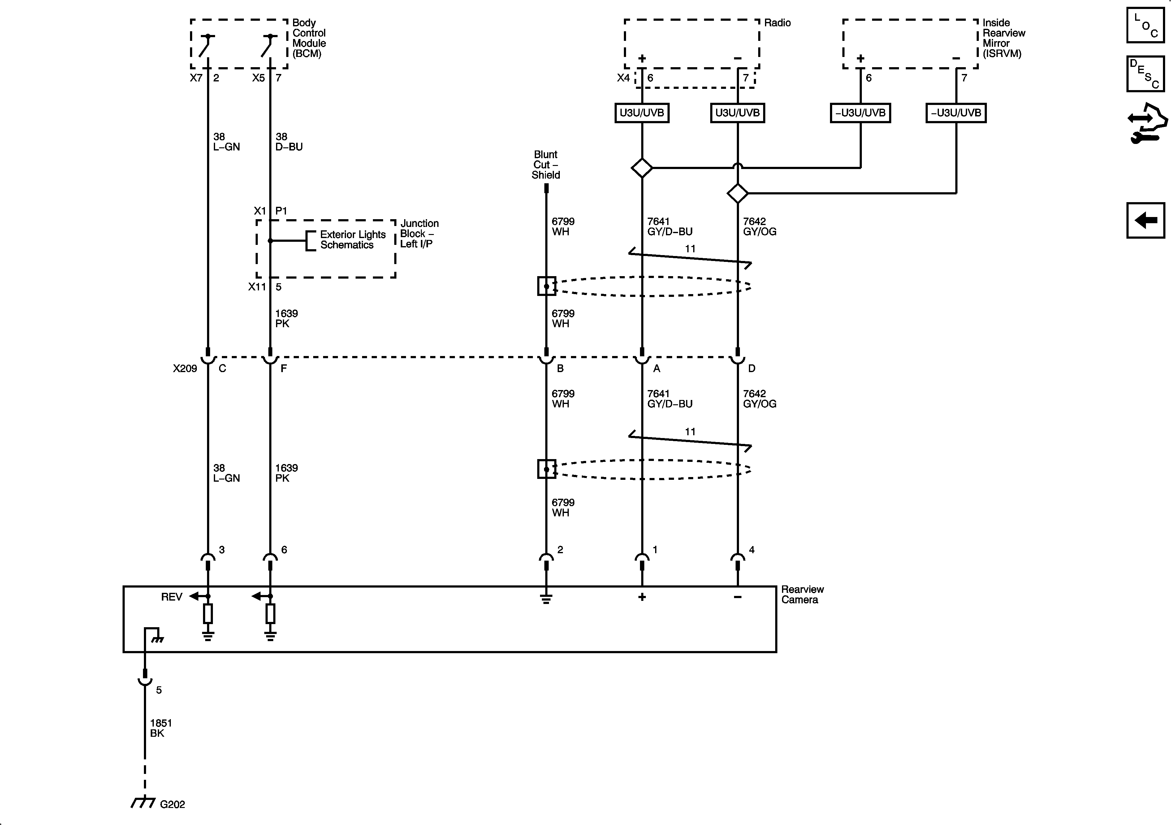
Figure
3:
Rearview Camera (SVA)