GM Service Manual Online
For 1990-2009 cars only
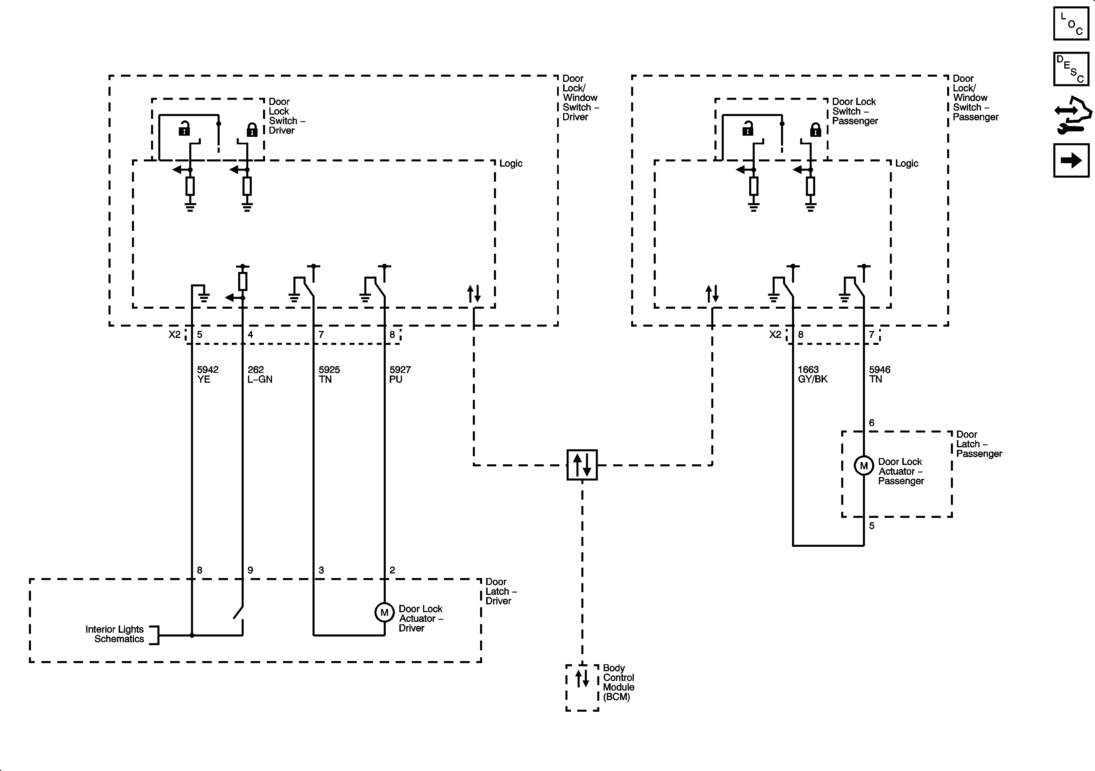
Figure 1:

Door Lock Controls and Front Door Locks (AN3/DL3)


Object Number: 1915035  Size: FS
Master Electrical Component List
Power Door Locks Description and Operation
Control Module References
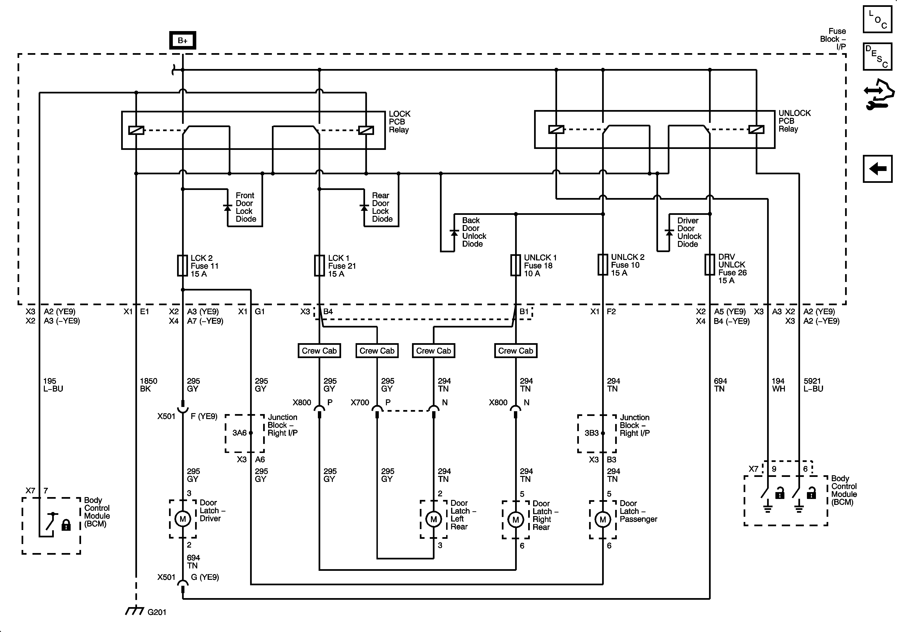
Rear Door Locks (Crew Cab with AN3)
Figure 2:

Rear Door Locks (Crew Cab with AN3)


Object Number: 1915041  Size: FS
Master Electrical Component List
Power Door Locks Description and Operation
Control Module References
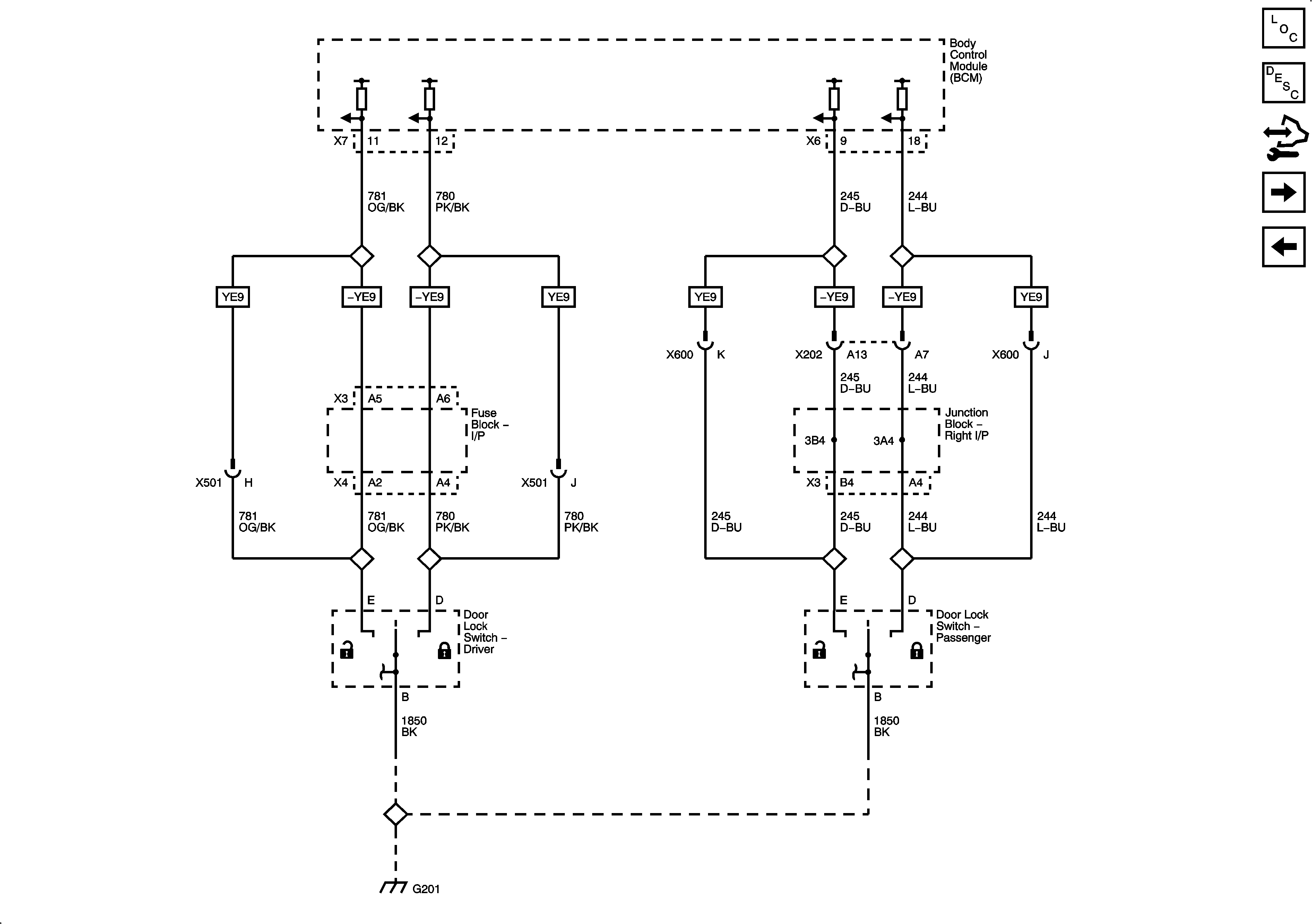
Door Lock Controls (AU3 without AN3/DL3)
Door Lock Controls and Front Door Locks (AN3/DL3)
Figure 3:

Door Lock Controls (AU3 without AN3/DL3)


Object Number: 1915046  Size: FS
Master Electrical Component List
Power Door Locks Description and Operation
Control Module References
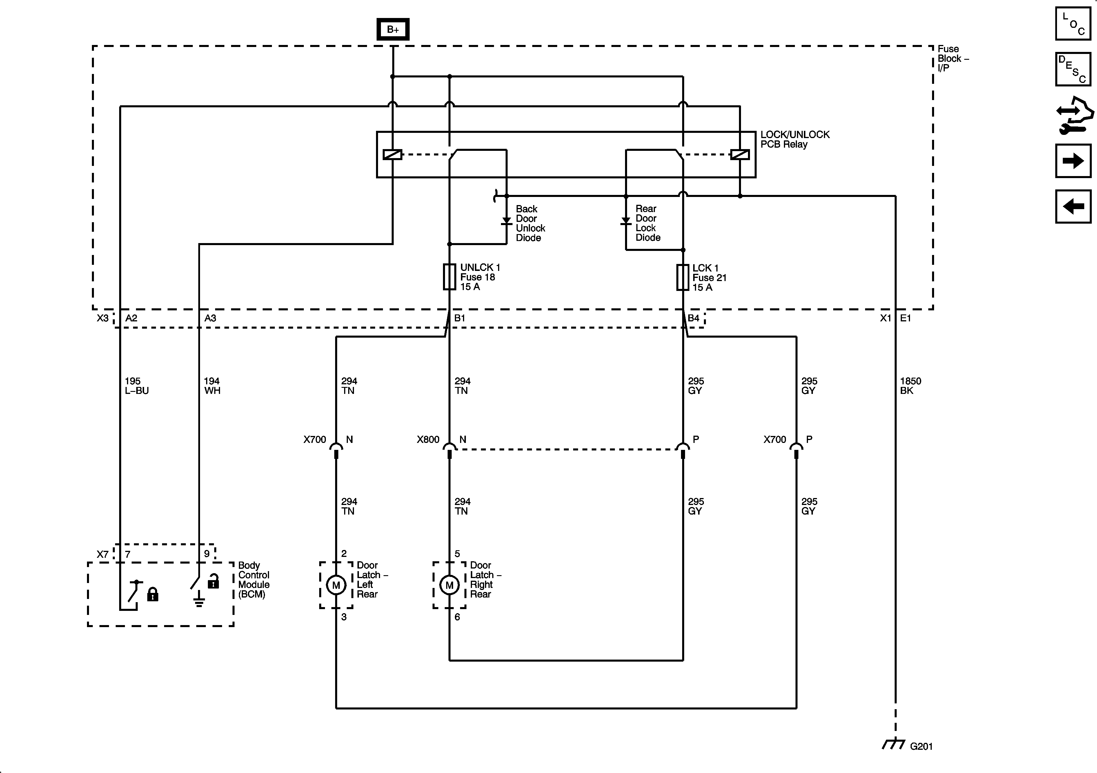
Door Lock Motors (AU3 without AN3/DL3)
Rear Door Locks (Crew Cab with AN3)
Figure 4:

Door Lock Motors (AU3 without AN3/DL3)


Object Number: 1915052  Size: FS
Master Electrical Component List
Power Door Locks Description and Operation
Control Module References
Door Lock Controls (AU3 without AN3/DL3)