GM Service Manual Online
For 1990-2009 cars only
Figure 1:

B+ Bus Bar


Object Number: 786331  Size: FS
Master Electrical Component List
Ignition Switch - OFF/RUN/START, RUN/START and START Bus Bars
Figure 2:

Ignition Switch - OFF/RUN/START, RUN/START, and START Bus Bars


Object Number: 786333  Size: FS
Master Electrical Component List
Ignition Switch - RUN and ACC/RUN Bus Bars
B+ Bus Bar
B+ Bus Bar
Figure 3:

Ignition Switch - RUN and ACC/RUN Bus Bars


Object Number: 786407  Size: FS
Master Electrical Component List
START and TRANS Fuses/Circuit Breakers
Ignition Switch - OFF/RUN/START, RUN/START and START Bus Bars
B+ Bus Bar
Figure 4:

START and TRANS Fuses/Circuit Breakers


Object Number: 786335  Size: FS
Master Electrical Component List
TURN/BACKUP Fuse/Circuit Breaker
Ignition Switch - RUN and ACC/RUN Bus Bars
Figure 5:

TURN/BACKUP Fuse/Circuit Breaker


Object Number: 786397  Size: FS
Master Electrical Component List
GAUGES, L-RR TRUCK, R-RR TRUCK, and SIR Fuses/Circuit Breakers
START and TRANS Fuses/Circuit Breakers
B+ Bus Bar
BATT/HAZ, HAZARD, PWR ACCY, STOP, and TRLR TRN/HAZ Fuses/Circuit Breakers
GAUGES, L-RR TRUCK, R-RR TRUCK, and SIR Fuses/Circuit Breakers
GAUGES, L-RR TRUCK, R-RR TRUCK, and SIR Fuses/Circuit Breakers
Figure 6:

GAUGES, L-RR TRUCK, R-RR TRUCK, and SIR Fuses/Circuit Breakers


Object Number: 786402  Size: FS
Master Electrical Component List
ENGINE and PCM-I Fuses/Circuit Breakers
TURN/BACKUP Fuse/Circuit Breaker
TURN/BACKUP Fuse/Circuit Breaker
TURN/BACKUP Fuse/Circuit Breaker
Ignition Switch - OFF/RUN/START, RUN/START and START Bus Bars
Figure 7:

ENGINE and PCM-I Fuses/Circuit Breakers


Object Number: 786405  Size: FS
Master Electrical Component List
ENG 2 and ENG 3 Fuses (L18)
GAUGES, L-RR TRUCK, R-RR TRUCK, and SIR Fuses/Circuit Breakers
B+ Bus Bar
Ignition Switch - OFF/RUN/START, RUN/START and START Bus Bars
ENG 1 and ENG 4 Fuses (LG4/LG5)
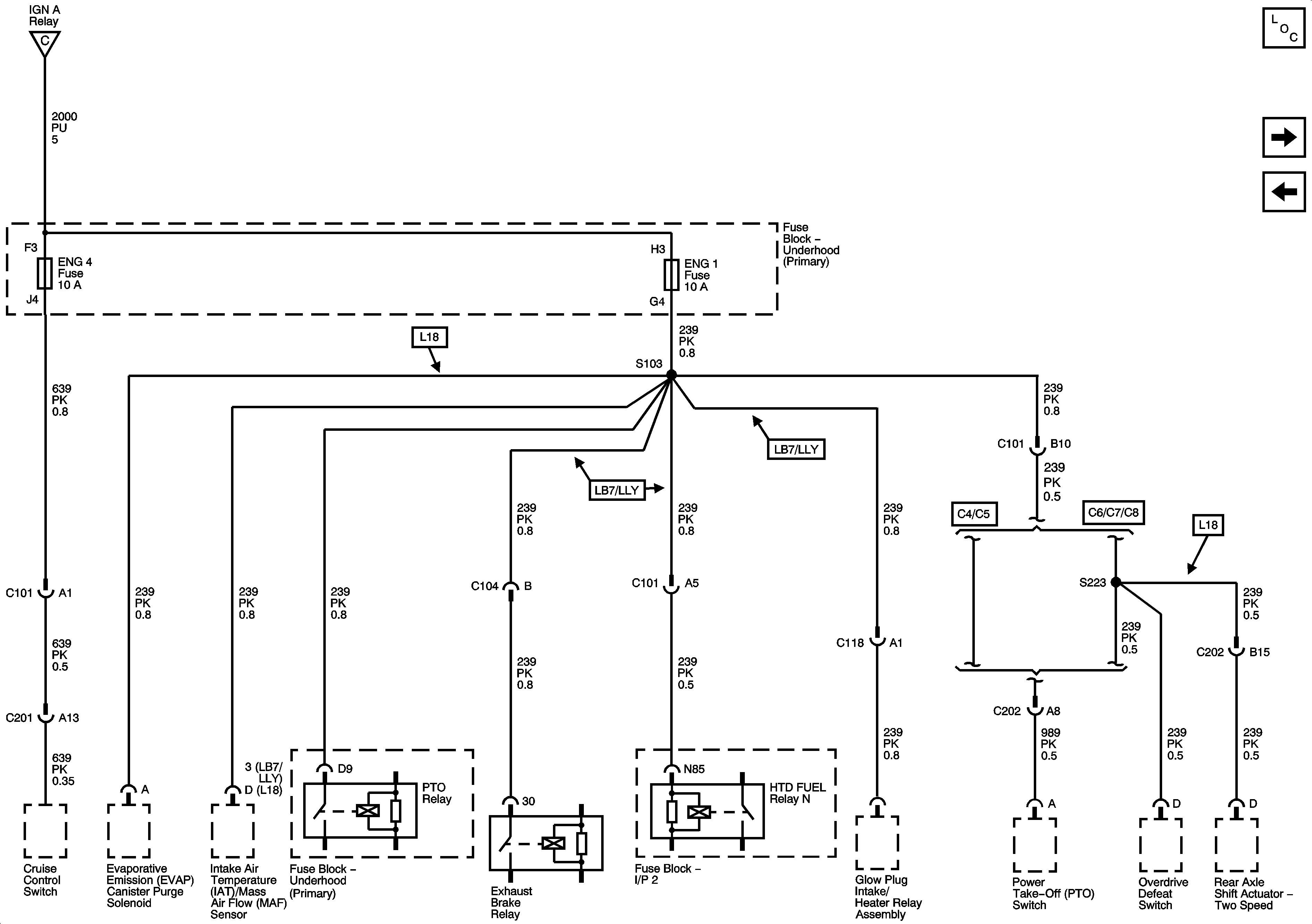
ENG 1 and ENG 4 Fuses (L18/LB7)
ENG 2 and ENG 3 Fuses (L18)
ENG 2, ENG 3, and O2A Fuses - LG4
ENG 2 and ENG 3 Fuses (LG5/LB7/LLY)
Figure 8:

ENG 2 and ENG 3 Fuses (L18)


Object Number: 819227  Size: FS
Master Electrical Component List
ENG 2, ENG 3, and O2A Fuses - LG4
ENGINE and PCM-I Fuses/Circuit Breakers
ENGINE and PCM-I Fuses/Circuit Breakers
Figure 9:

ENG 2, ENG 3, and O2A Fuses (LG4)


Object Number: 819173  Size: FS
Master Electrical Component List
ENG 2 and ENG 3 Fuses (LG5/LB7/LLY)
ENG 2 and ENG 3 Fuses (L18)
ENGINE and PCM-I Fuses/Circuit Breakers
Figure 10:

ENG 2 and ENG 3 Fuses (LG5/LB7/LLY)


Object Number: 1506660  Size: FS
Master Electrical Component List
ENG 1 and ENG 4 Fuses (LG4/LG5)
ENG 2 and ENG 3 Fuses (L18)
ENGINE and PCM-I Fuses/Circuit Breakers
Figure 11:

ENG 1 and ENG 4 Fuses (LG4/LG5)


Object Number: 819184  Size: FS
Master Electrical Component List
ENG 1 and ENG 4 Fuses (L18/LB7)
ENG 2 and ENG 3 Fuses (LG5/LB7/LLY)
ENGINE and PCM-I Fuses/Circuit Breakers
Figure 12:

ENG 1 and ENG 4 Fuses (L18/LB7)


Object Number: 1506644  Size: FS
Master Electrical Component List
AXLE/4WD, BRAKE, CHASSIS, and HTR/AC Fuses/Circuit Breakers
ENG 1 and ENG 4 Fuses (LG4/LG5)
ENGINE and PCM-I Fuses/Circuit Breakers
Figure 13:

AXLE/4WD, BRAKE, CHASSIS, and HTR/AC Fuses/Circuit Breakers


Object Number: 786409  Size: FS
Master Electrical Component List
AUX RLY and IGN 4 - I/P Fuse Block Fuses/Circuit Breakers
ENG 1 and ENG 4 Fuses (L18/LB7)
Figure 14:

AUX RLY and IGN 4: Fuse Block - I/P Fuses/Circuit Breakers


Object Number: 786411  Size: FS
Master Electrical Component List
BRAKE LAMP (C6/C7/C8), DRL, ELECTRIC BRAKE (C4/C5), HDLP, IGN 4 - Underhood Fuse Block, MARKER, PWR WINDOW, and RADIO Fuses/Circuit Breakers
AXLE/4WD, BRAKE, CHASSIS, and HTR/AC Fuses/Circuit Breakers
Figure 15:

BRAKE LAMP (C6/C7/C8), DRL, ELECTRIC BRAKE (C4/C5), HDLP, IGN 4: Fuse Block - Underhood, MARKER, PWR WINDOW, and RADIO Fuses/Circuit Breakers


Object Number: 786413  Size: FS
Master Electrical Component List
COURTESY, HVAC, ILLUM, LH PARK LP, LIGHTING, PARK, and RH PARK LP Fuses/Circuit Breakers - 1 of 2
AUX RLY and IGN 4 - I/P Fuse Block Fuses/Circuit Breakers
B+ Bus Bar
Figure 16:

COURTESY and LH PARK LP Fuses/Circuit Breakers - 1 of 2, HVAC, ILLUM, LIGHTING, PARK, and RH PARK LP Fuses/Circuit Breakers


Object Number: 786418  Size: FS
Master Electrical Component List
COURTESY and LH PARK LP Fuses/Circuit Breakers - 2 of 2
BRAKE LAMP (C6/C7/C8), DRL, ELECTRIC BRAKE (C4/C5), HDLP, IGN 4 - Underhood Fuse Block, MARKER, PWR WINDOW, and RADIO Fuses/Circuit Breakers
B+ Bus Bar
COURTESY and LH PARK LP Fuses/Circuit Breakers - 2 of 2
COURTESY and LH PARK LP Fuses/Circuit Breakers - 2 of 2
COURTESY and LH PARK LP Fuses/Circuit Breakers - 2 of 2
Figure 17:

COURTESY and LH PARK LP Fuses/Circuit Breakers - 2 of 2


Object Number: 819196  Size: FS
Master Electrical Component List
BATT/HAZ, HAZARD, PWR ACCY, STOP, and TRLR TRN/HAZ Fuses/Circuit Breakers
COURTESY, HVAC, ILLUM, LH PARK LP, LIGHTING, PARK, and RH PARK LP Fuses/Circuit Breakers - 1 of 2
COURTESY, HVAC, ILLUM, LH PARK LP, LIGHTING, PARK, and RH PARK LP Fuses/Circuit Breakers - 1 of 2
COURTESY, HVAC, ILLUM, LH PARK LP, LIGHTING, PARK, and RH PARK LP Fuses/Circuit Breakers - 1 of 2
COURTESY, HVAC, ILLUM, LH PARK LP, LIGHTING, PARK, and RH PARK LP Fuses/Circuit Breakers - 1 of 2
Figure 18:

BATT/HAZ, HAZARD, PWR ACCY, STOP, and TRLR TRN/HAZ Fuses/Circuit Breakers


Object Number: 786420  Size: FS
Master Electrical Component List
BRAKE ISO Fuse/Circuit Breaker
COURTESY and LH PARK LP Fuses/Circuit Breakers - 2 of 2
B+ Bus Bar
CHMSL, PWR POST, and RADIO/CHIME FuseS/Circuit Breakers
BRAKE ISO Fuse/Circuit Breaker
TURN/BACKUP Fuse/Circuit Breaker
Figure 19:

BRAKE ISO Fuse/Circuit Breaker


Object Number: 1464254  Size: FS
Master Electrical Component List
ABS 1, ABS 2, ABS 3, E/A PUMP, and HORN Fuses/Circuit Breakers
BATT/HAZ, HAZARD, PWR ACCY, STOP, and TRLR TRN/HAZ Fuses/Circuit Breakers
BATT/HAZ, HAZARD, PWR ACCY, STOP, and TRLR TRN/HAZ Fuses/Circuit Breakers
Figure 20:

ABS 1, ABS 2, ABS 3, E/A PUMP, and HORN Fuses/Circuit Breakers


Object Number: 786434  Size: FS
Master Electrical Component List
A/C COMP, HTD FUEL, PCM-B, and RR DEFOG Fuses
BRAKE ISO Fuse/Circuit Breaker
B+ Bus Bar
Figure 21:

A/C COMP, HTD FUEL, PCM-B, and RR DEFOG Fuses


Object Number: 786444  Size: FS
Master Electrical Component List
FUEL Fuse/Circuit Breaker (L18/LB7), PCV Circuit Breaker (LG4), and ECM-B Circuit Breaker (LG5)
ABS 1, ABS 2, ABS 3, E/A PUMP, and HORN Fuses/Circuit Breakers
FUEL Fuse/Circuit Breaker (L18/LB7), PCV Circuit Breaker (LG4), and ECM-B Circuit Breaker (LG5)
Figure 22:

FUEL Fuse/Circuit Breaker (L18/LB7), PCV Circuit Breaker (LG4), and ECM-B Circuit Breaker (LG5)


Object Number: 819211  Size: FS
Master Electrical Component List
CHMSL, PWR POST, and RADIO/CHIME FuseS/Circuit Breakers
A/C COMP, HTD FUEL, PCM-B, and RR DEFOG Fuses
B+ Bus Bar
A/C COMP, HTD FUEL, PCM-B, and RR DEFOG Fuses
Figure 23:

CHMSL, PWR POST, and RADIO/CHIME Fuses/Circuit Breakers


Object Number: 786445  Size: FS
Master Electrical Component List
FUEL Fuse/Circuit Breaker (L18/LB7), PCV Circuit Breaker (LG4), and ECM-B Circuit Breaker (LG5)
BATT/HAZ, HAZARD, PWR ACCY, STOP, and TRLR TRN/HAZ Fuses/Circuit Breakers