GM Service Manual Online
For 1990-2009 cars only
Makes
🢒
GMC_Truck
🢒
2005
🢒
TopKick C-Series (Conventional) C4/C5
🢒
Body
🢒
Wiring Systems
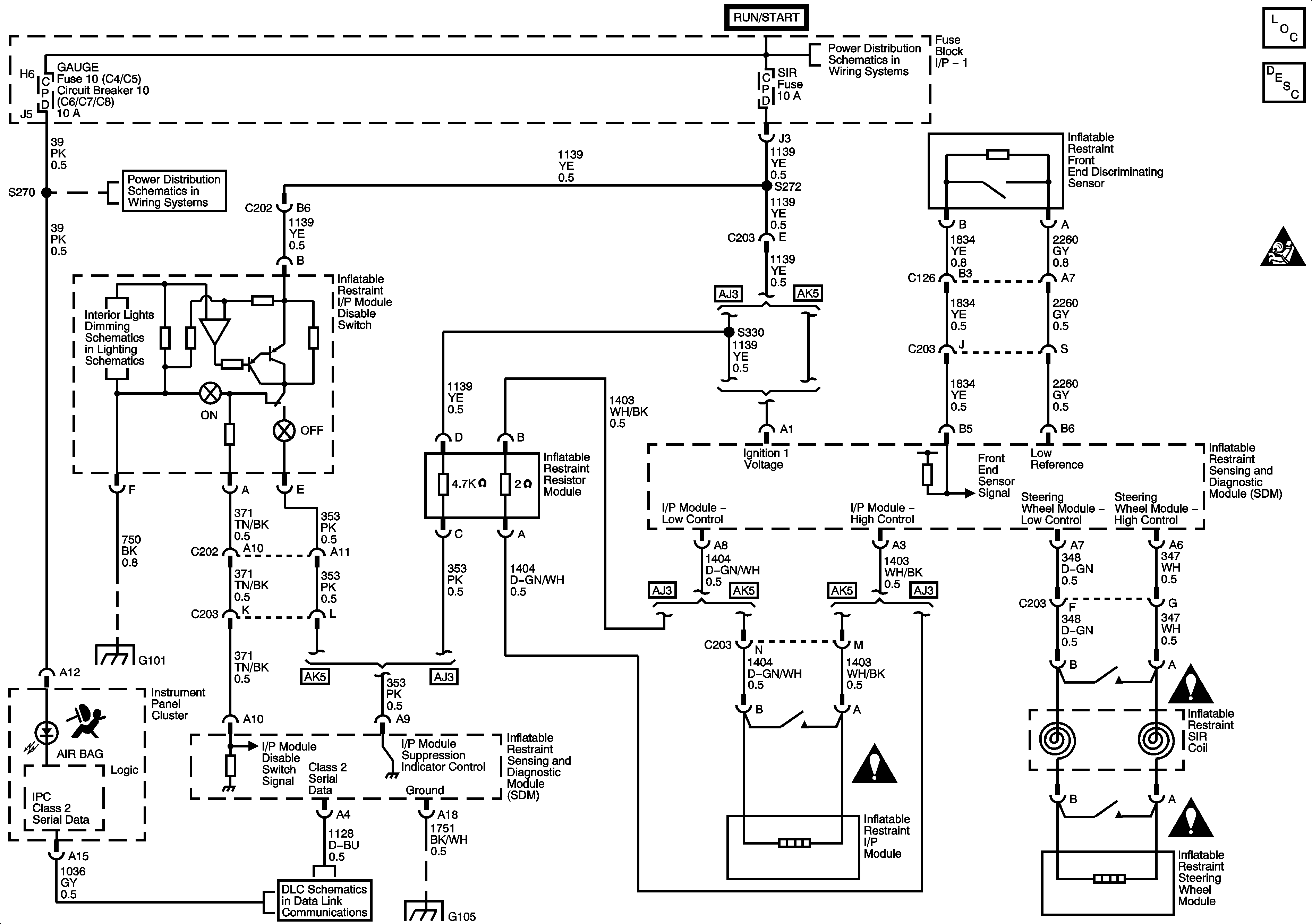
🢒 SIR Schematics
Master Electrical Component List
SIR System Description and Operation
SIR Caution for Zoning
I/P Fuse Block, R-RR TRUCK, L-RR TRUCK, GAGES, and SIR Fuses/Circuit Breaker
Ignition Switch, OFF/RUN/START, RUN/START, and START Bus Bars
Interior Dimming Lamps System
G101 - 2 of 2
Splice Pack SP203 (L18/LB7/LG4)
G103 - 1 of 2, G105, and G106
SIR Schematic Icons
SIR Schematic Icons
SIR Schematic Icons