GM Service Manual Online
For 1990-2009 cars only
Makes
🢒
GMC_Truck
🢒
2005
🢒
TopKick C-Series (Conventional) C4/C5
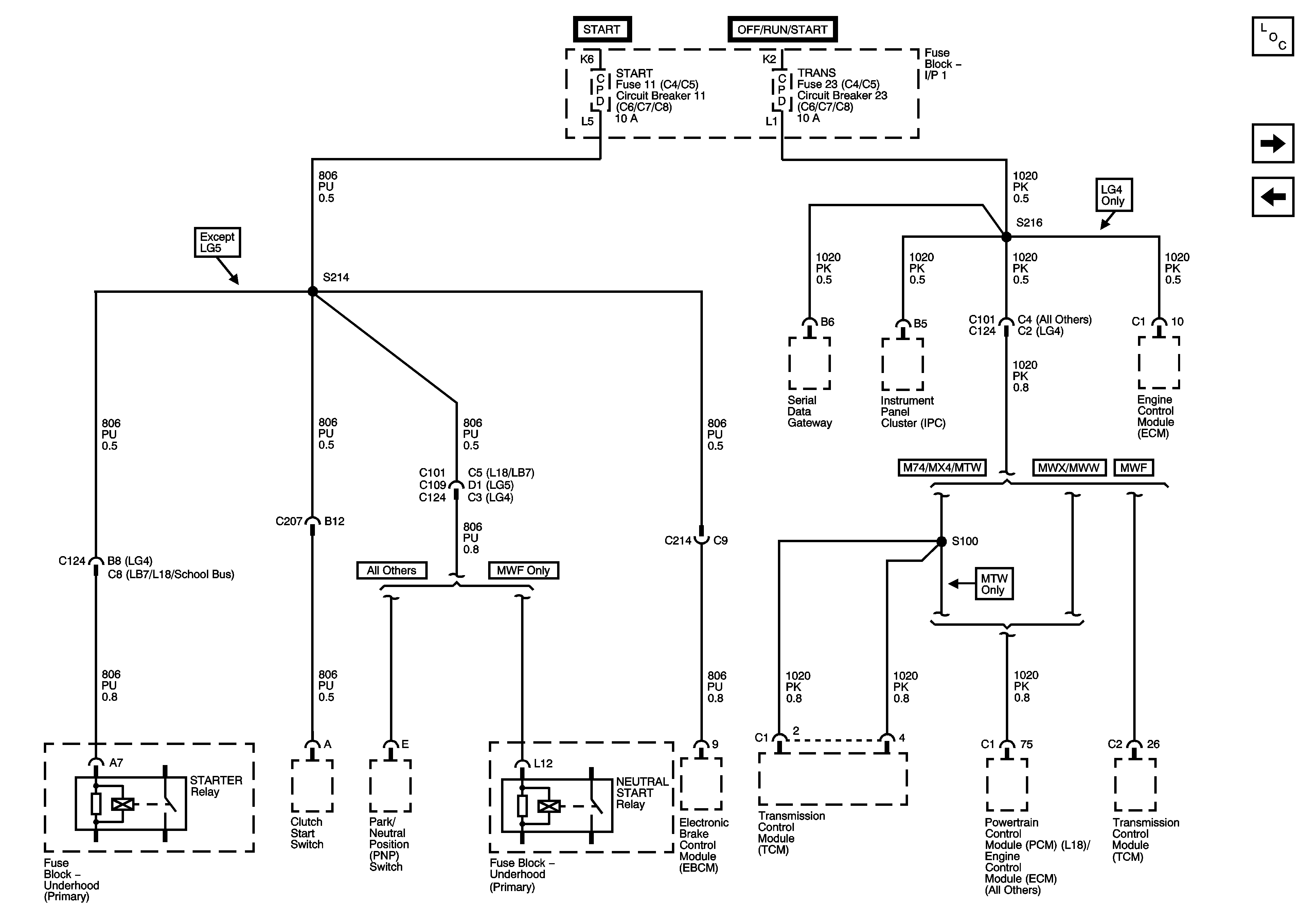
🢒 I/P Fuse Block, START and TRANS Fuses/Circuit Breakers
I/P Fuse Block, START and TRANS Fuses/Circuit Breakers
I/P Fuse Block, START and TRANS Fuses/Circuit Breakers
Master Electrical Component List
I/P Fuse Block, TURN/BACKUP Fuse/Circuit Breaker
Ignition Switch, RUN and ACC/RUN Bus Bars