GM Service Manual Online
For 1990-2009 cars only
Makes
🢒
GMC_Truck
🢒
2005
🢒
TopKick C-Series (Conventional) C4/C5
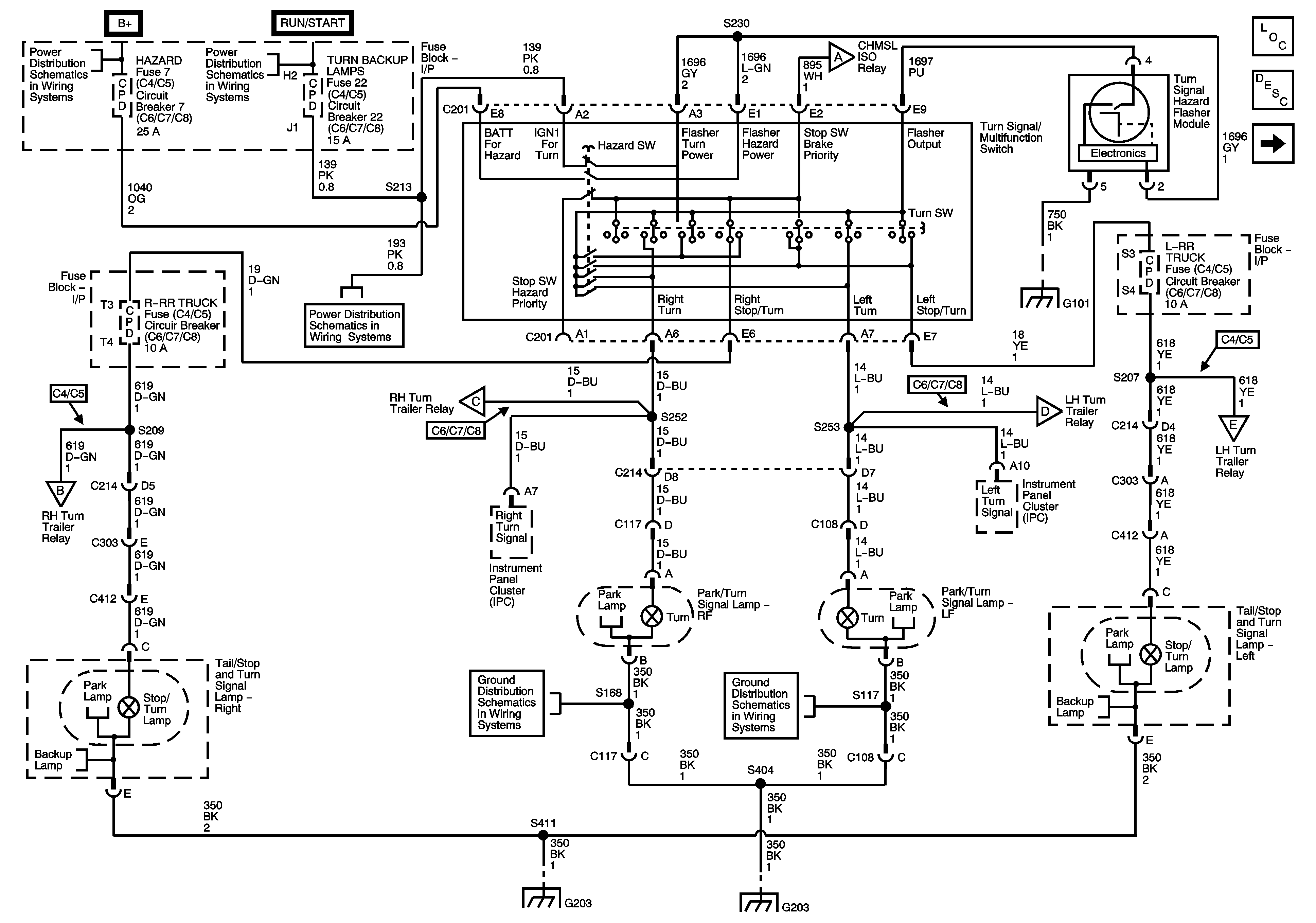
🢒 Hazard and Turn Signal
Hazard and Turn Signal
Hazard and Turn Signal
Master Electrical Component List
Exterior Lighting Systems Description and Operation
Park Lamps, Roof Marker Lamps
Underhood Fuse Block, I/P Fuse Block, BATT/HAZ Fuse, PWR ACCY, HAZARD, TRLR TRN/HAZ, and STOP Fuses/Circuit Breakers
Ignition Switch, OFF/RUN/START, RUN/START, and START Bus Bars
I/P Fuse Block, TURN/BACKUP Fuse/Circuit Breaker
Stoplamp Switch
G101 - 1 of 2
Upfitter Connector
Upfitter Connector
Upfitter Connector
Upfitter Connector
G112, G113, G203 - 4 of 4, G204, G205 and G400
G112, G113, G203 - 4 of 4, G204, G205 and G400
G112, G113, G203 - 4 of 4, G204, G205 and G400
G112, G113, G203 - 4 of 4, G204, G205 and G400