GM Service Manual Online
For 1990-2009 cars only
Makes
🢒
GMC_Truck
🢒
2005
🢒
TopKick C-Series (Conventional) C4/C5
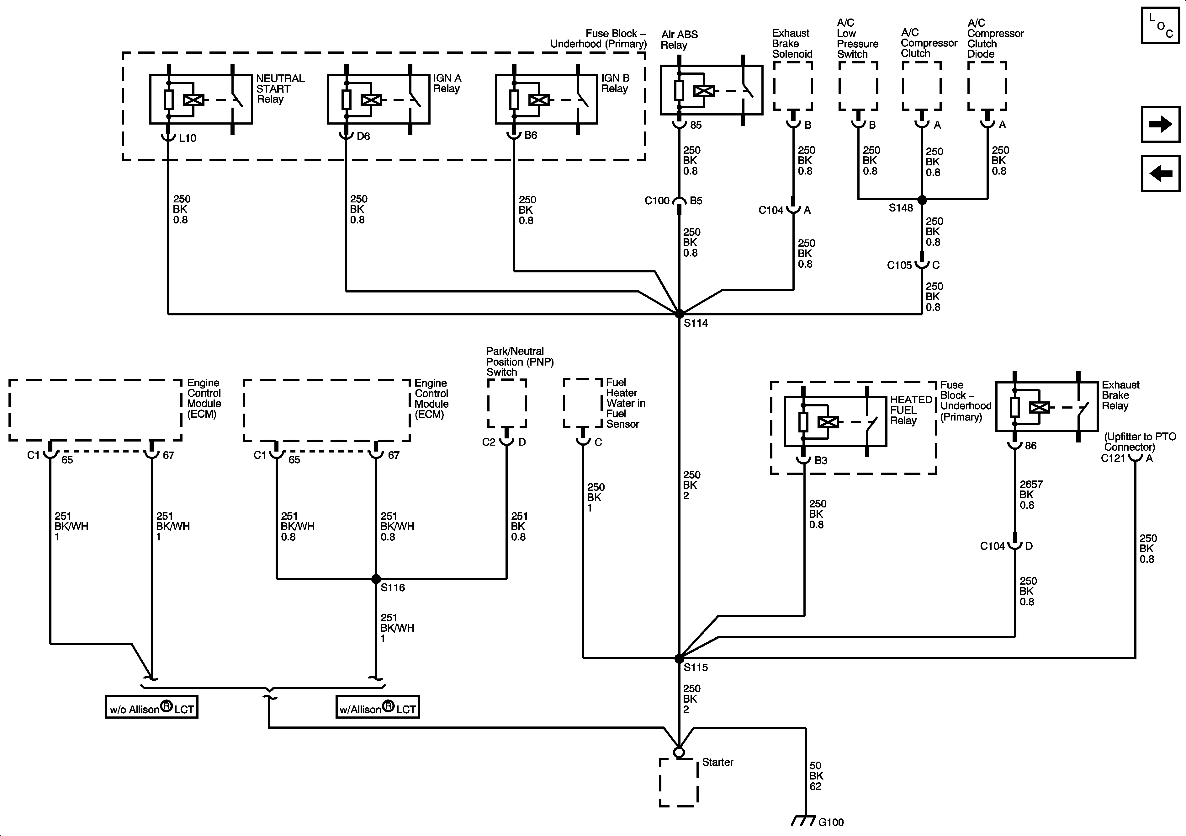
🢒 G100 (LG5)
G100 (LG5)
G100 (LG5)
Master Electrical Component List
G101 - 1 of 2
G100 (LG4)