GM Service Manual Online
For 1990-2009 cars only
Makes
🢒
GMC_Truck
🢒
2006
🢒
TopKick C-Series (Conventional) C4/C5
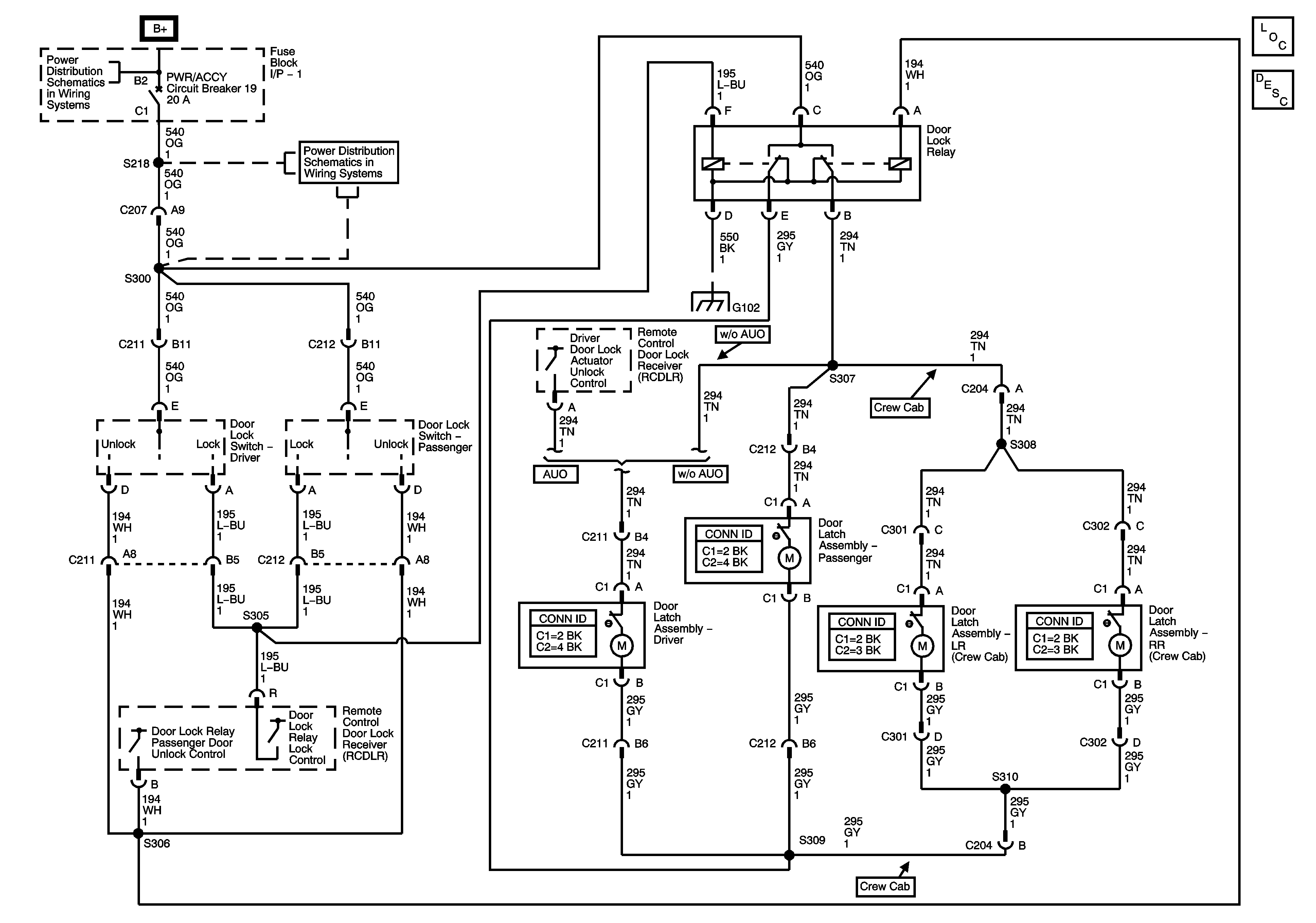
🢒 Door Lock/Indicator Schematics
Door Lock/Indicator Schematics
Master Electrical Component List
Power Door Locks Description and Operation
BAT/HAZ, HAZRD, PWR/ACCY, STOP, and TRLR Fuses/Circuit Breakers
BAT/HAZ, HAZRD, PWR/ACCY, STOP, and TRLR Fuses/Circuit Breakers