GM Service Manual Online
For 1990-2009 cars only
Makes
🢒
GMC_Truck
🢒
2006
🢒
TopKick C-Series (Conventional) C4/C5
🢒 Horns Schematics
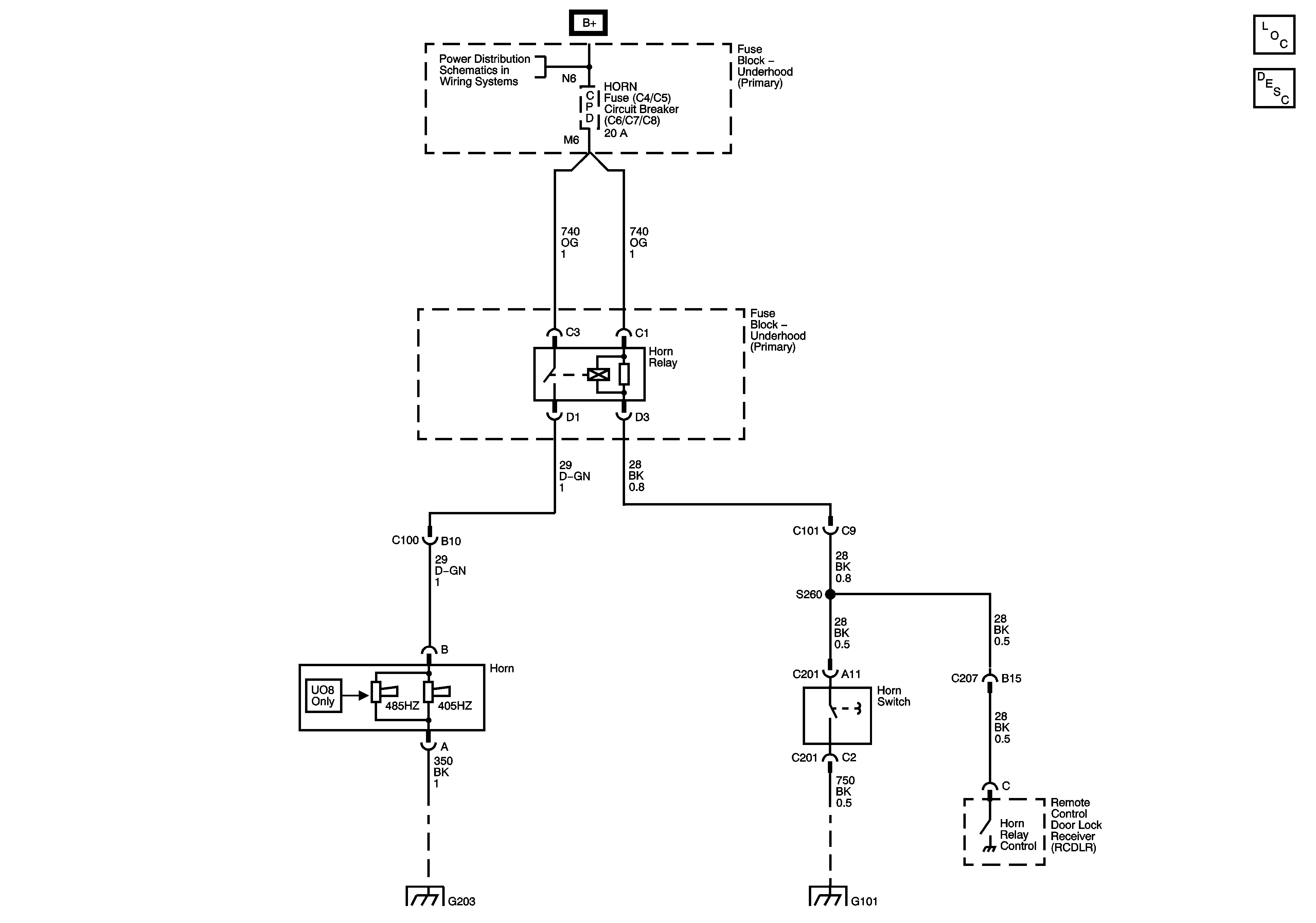
Horns Schematics
Master Electrical Component List
Horns System Description and Operation
Batteries - LG4/LG5 and B+ Bus
G112, G113, G203 - 4 of 4, G204, G205, and G400
G101 - 1 of 2