GM Service Manual Online
For 1990-2009 cars only
Makes
🢒
GMC_Truck
🢒
2003
🢒
TopKick C-Series (Conventional) C6/C7/C8
🢒
Body and Accessories
🢒
Doors
🢒 Outside Rearview Mirror Schematics
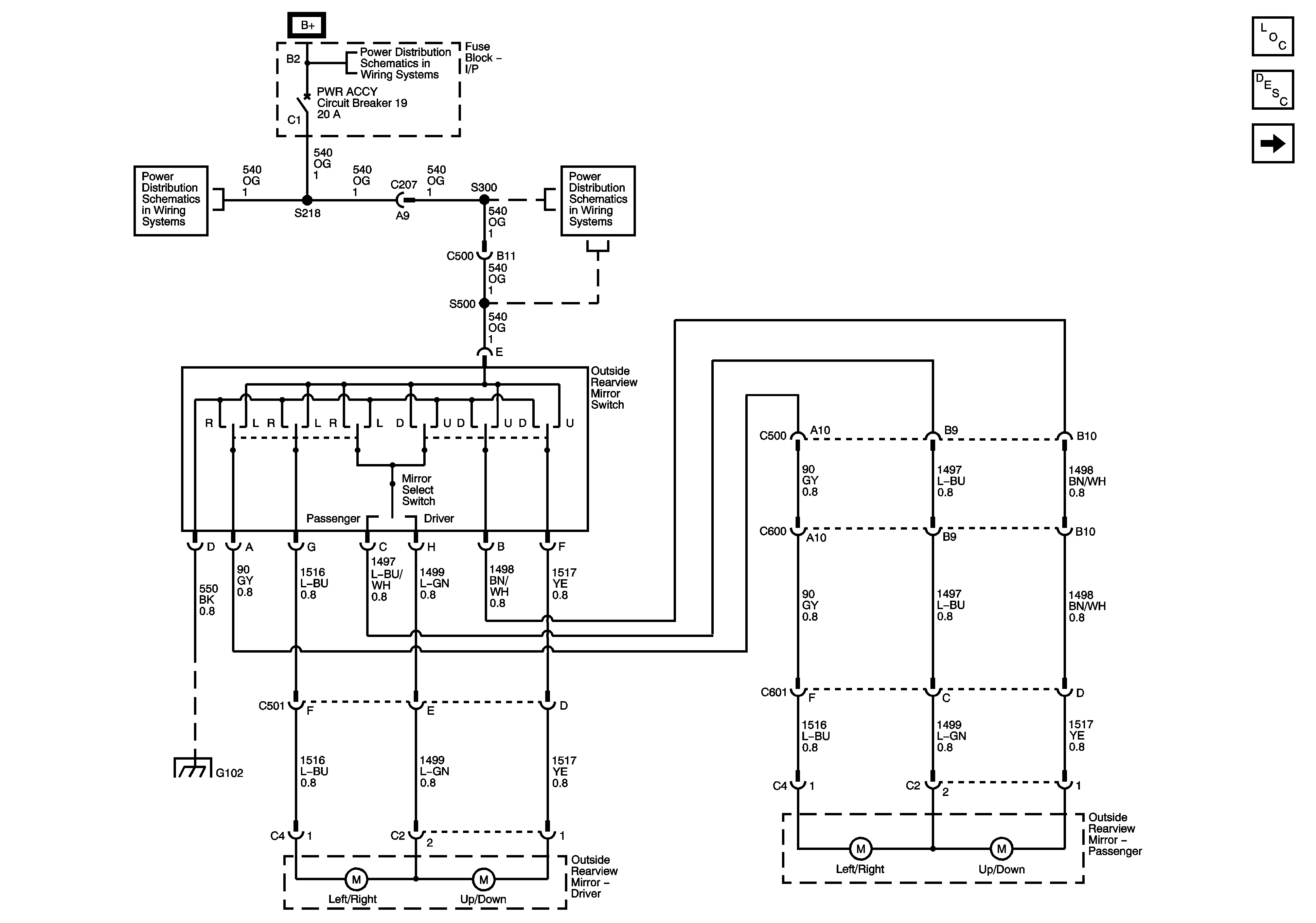
Figure
1:
Mirror Switches and Motors
Master Electrical Component List
Outside Mirror Description and Operation (Power Mirrors)
Outside Heated Mirror Switches
Underhood Fuse Block, I/P Fuse Block, BATT/HAZ Fuse, PWR ACCY, HAZARD, TRLR TRN/HAZ, and STOP Fuses/Circuit Breakers
Underhood Fuse Block, I/P Fuse Block, BATT/HAZ Fuse, PWR ACCY, HAZARD, TRLR TRN/HAZ, and STOP Fuses/Circuit Breakers
Underhood Fuse Block, I/P Fuse Block, BATT/HAZ Fuse, PWR ACCY, HAZARD, TRLR TRN/HAZ, and STOP Fuses/Circuit Breakers
G102 - 1 of 2
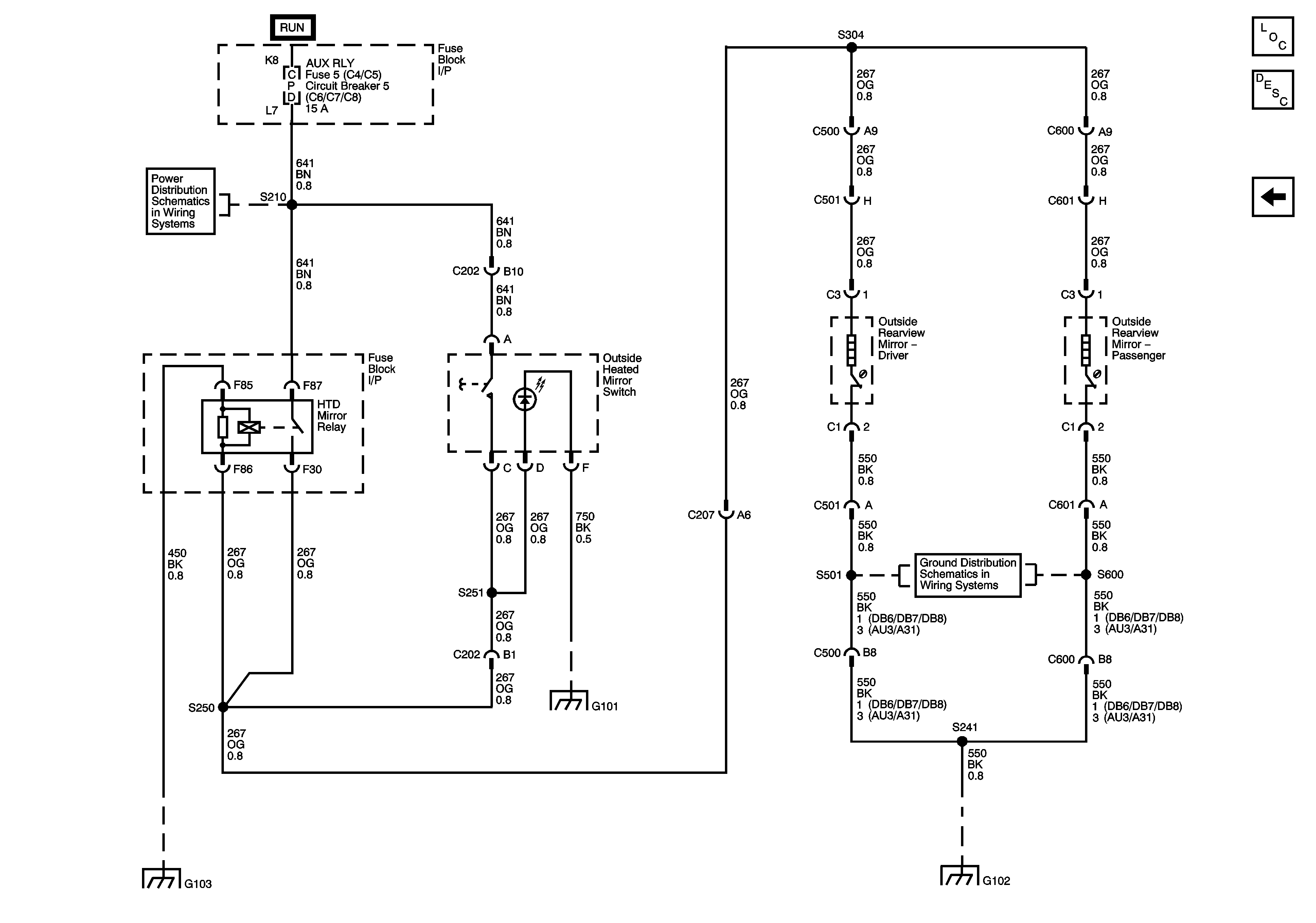
Figure
2:
Mirror Heater and Switches
Master Electrical Component List
Outside Mirror Description and Operation (Heated Mirrors)
Outside Heated Mirror Switches and Motors
I/P Fuse Block, IGN 4, and AUX RLY Fuses/Circuit Breakers
G101 - 2 of 2
G103 - 1 of 2, G105, and G106
G102 - 1 of 2
G102 - 1 of 2