GM Service Manual Online
For 1990-2009 cars only

Fuel System Description Without RPO CTF

System Operation


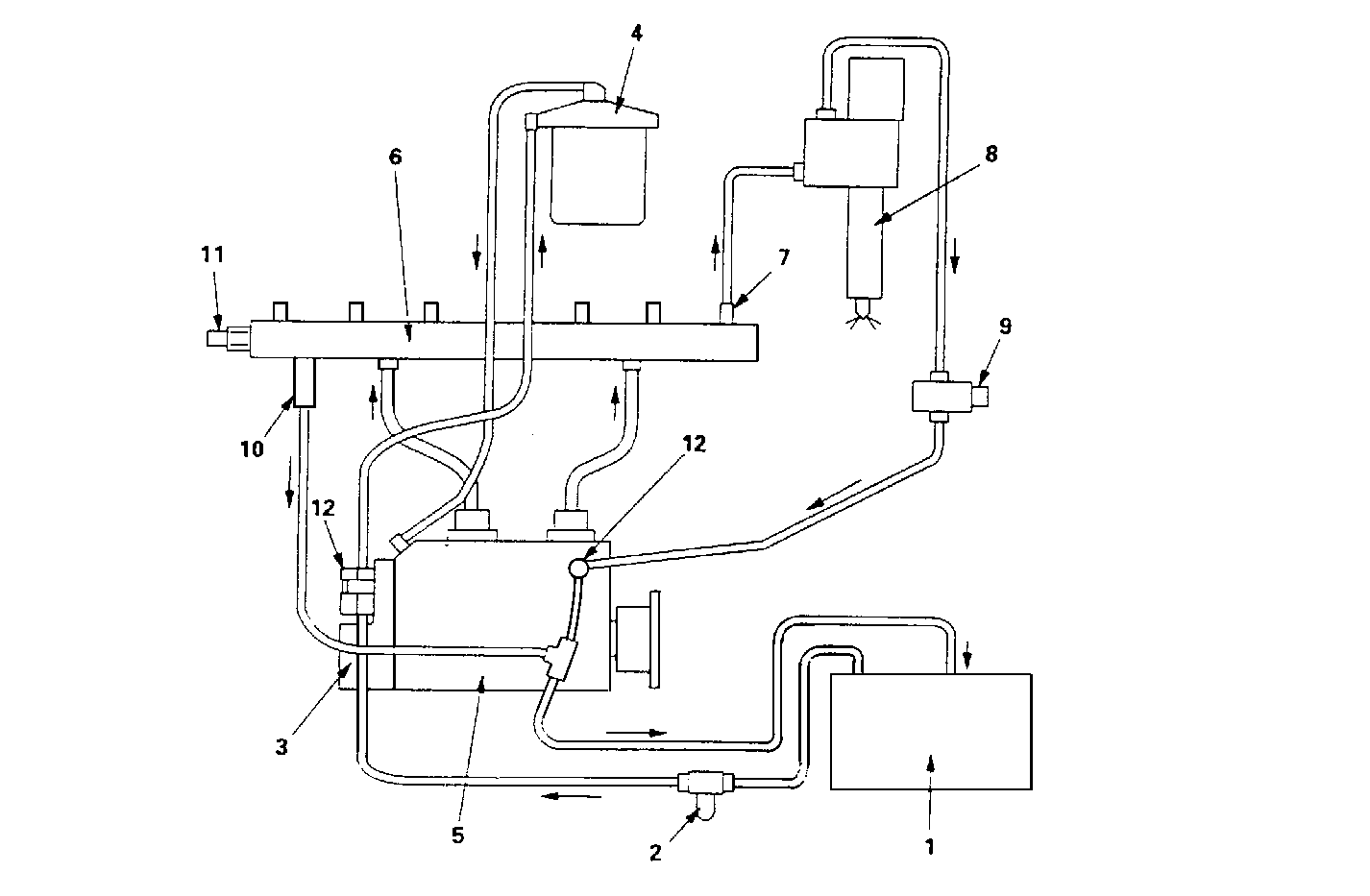
Object Number: 736734  Size: MF

Fuel is drawn from the fuel tank (1) through the fuel pre-filter (2) by the fuel feed pump (3). The fuel feed pump, sends the fuel into the fuel filter (4) and then into the fuel supply pump (5). The fuel supply pump then pressurizes and supplies the fuel to the fuel common rail (6).

The pressurized fuel is distributed through the fuel injector lines (7) to the fuel injectors (8). The high pressure fuel enters the fuel injector and forces the needle off the seat. At the same time, the fuel enters the control chambers of the fuel injectors. The fuel injection timing is controlled by the ECM. The ECM is commanded to open the fuel return line of the solenoid valve (TWV) on top of the injector, then the fuel is forced out of the fuel injector into the cylinder.

Fuel Injection Rate Control


Object Number: 736724  Size: SF

The Main Injection is the same as the conventional system.

Pilot Injection


Object Number: 736726  Size: SF

There is a small amount of fuel injected prior to the conventional fuel injection, main injection, which is know as the Pilot Injection. The injection rate is increased as there is a rising tide of high pressure injection. However, there is a time lag from fuel injection to a combustion start, ignition delay, which cannot be shortened over a certain value. As a result, the fuel injected could be increased until ignition which will cause an instantaneous explosive combustion. This combustion increases NOx and noise. Pilot injection cuts down the initial injection rate to a minimum to lessen the explosive combustion so that NOx and noise can be reduced.


Object Number: 736730  Size: SF

Split injection occurs when 2 or more small amounts of fuel are injected prior to the conventional fuel injection, main injection, for easy engine starts during cold weather.

Fuel Injectors

Fuel System Description


Object Number: 736719  Size: MF
(1)Common Rail Pressure Sensor
(2)TWV Injector Timing and Quantity Control
(3)Outlet Orifice
(4)Inlet Orifice
(5)Control Chamber
(6)Hydraulic Piston
(7)Injector
(8)Needle
(9)Injection Pressure Control

The TWV (2) receives signals from the engine control module (ECM) and opens and closes to change the pressure in the pressure adjustment chamber (5) on top of the hydraulic piston (6). This allows the hydraulic piston to work and allows the fuel to be injected from the nozzle (8).

Action of Injector -- Non Injection

When there is no continuity to the two-way valve (TWV) with the outer valve down, outer seat closed, the piston is commanded down, pushing the nozzle downward to close the injection hole. This ensures that the fuel pressure does not escape from the control chamber.

Action of Injector -- Injection Start

When there is continuity to the TWV with the outer valve up, outer seat open, the piston is commanded up moving the nozzle upward to open the injection holes. This allows the fuel pressure to escape from the control chamber. This type of injection is conducted twice. First, only injecting a small amount of fuel, pilot injection, and second injecting fuel when combustion occurs, main injection.

Action of Injector -- Injection Finish

When there is no continuity to the TWV with the outer valve down, outer seat closed, the piston is commanded down, pushing the nozzle further downward to close the injection hole. This eliminates the possibility of fuel pressure escaping from the control chamber.

Common Rail System


Object Number: 736701  Size: SH

Important: Do not open the fuel supply pump and injector assembly, as this will void the manufacturers warranty.

The electronically controlled fuel injection system consists of the following:

    • Fuel tank
    • Fuel hoses and lines
    • Water separator
    • Fuel filter
    • Fuel feed pump
    • Fuel supply pump
    • Fuel common rail
    • Steel lines
    • Six fuel injectors

The fuel supply pump has an identification tag (1) attached to the fuel supply pump body.

Common Rail System Outline

The common rail systemadjust fuel delivery based on engine conditions such as:

    • Engine speed
    • Accelerator pedal angle
    • Coolant temperature

Engine conditions are detected by means of common rail sensors and affects fuel injection amount, timing, and pressure. This is controlled by the engine control module (ECM) which ensures the best running condition for the engine.

The system performs the self-diagnosis lamp lighting function to help diagnose main components. This self diagnosis can serve as a driver warning as well. Built into the system is a backup function which automatically switches over to a control function. This function ensures the vehicle will run continuously.

Common Rail System Composition

The system can be divided into two systems, fuel and control.

Fuel System


Object Number: 736707  Size: SF

The high pressure fuel generated by the supply pump is distributed to each cylinder. The solenoid valve in the injector opens and closes the injector needle valve, thereby controlling the start and end of fuel injection.

Control System


Object Number: 736709  Size: SF

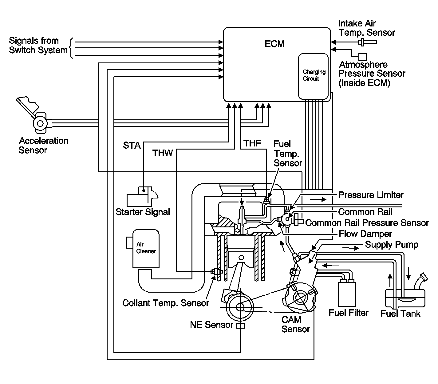
The engine control module (ECM) is used to compute electric passing timing and electric supply time by using signals from the sensors which are installed on the engine and vehicle. This controls the optimum fuel injection quantity and timing.


Object Number: 736717  Size: LF

The control system is comprised mainly of sensors, ECM, and actuators.

Common Rail System Description and Operation

The common rail system hardware consists of:

    • The supply pump
    • The common rail
    • The injectors
    • The engine control module (ECM)
    • The sensors

The supply pump generates the fuel pressure in the common rail. Fuel pressure is controlled depending on the fuel amount discharged from the supply pump. The fuel discharge amount is controlled by means of a pressure control valve (PCV) provided in the supply pump which is opened/closed in response to electric signals from the ECM.

The common rail receives and distributes the fuel pressure made by the supply pump to each cylinder. Fuel pressure is detected by means of a common rail pressure sensor. This is feedback controlled so that the instructed pressure value is set according to the engine speed and load which should agree with the actual pressure value.

The fuel pressure in the common rail is applied through the injection pipe of each cylinder to the injector side and control chamber of the injector.

The injector controls injection amount and time by switching a two-way valve (TWV) ON and OFF . When the TWV is switched ON high pressure fuel in the control chamber flows out through the outlet orifice. The needle valve is lifted to start fuel injection when the injector valve opening is forced up by the high pressure fuel. When the TWV is switched OFF high pressure fuel flows back through the inlet orifice into the control chamber. The needle valve comes down to stop fuel injection. The fuel injection time and amount can be electronically controlled by the TWV switching ON and OFF.

Fuel Injection Controls


Object Number: 736721  Size: SF

The engine control module (ECM) computes fuel requirements by signals coming from sensors installed to both the engine and vehicle. The ECM also controls the time point and length for carrying current to the injector so that the optimum injection can be performed at the optimum timing.

Fuel Pilot Injection Control Function

This function controls the fuel pilot injection.

Fuel Injection Amount Control Function

This is a function to control fuel injection based on signals from engine speed and accelerator opening sensors so that the optimum injection amount can be obtained. This can be known as a substitute for the conventional mechanical governor.

Fuel Injection Timing Control Function

This is a function to obtain the optimum injection timing from the engine speed and the fuel injection amount. This is a substitute for the conventional timer.

Fuel Injection Pressure Control Function--Common Rail Pressure Control Function

This is a function to measure fuel pressure with the common rail sensor and feedback the measurement to the ECM in order to control the discharge amount of the pump. Pressure feedback controls is carried out so that the optimum value, instructed value, is set according to the engine speed and fuel injection amount.

Fuel System Description With RPO CTF

Fuel Injection System Overview


Object Number: 1550455  Size: MF
(1)Pressure Sensor
(2)Fuel Rail
(3)Pressure Limiter
(4)Flow Dampers
(5)Injector
(6)Engine Control Module (ECM)
(7)Crankshaft Position (CKP) Sensor
(8)Camshaft Position (CMP) Sensor
(9)Fuel Tank
(10)Fuel Filter
(11)Supply Pump

The common rail system uses a type of accumulator chamber called the fuel rail to store pressurized fuel, and injectors that contain electronically controlled solenoid valves to spray the pressurized fuel in the combustion chambers. The injection system, injection pressure, injection rate, and injection timing is controlled by the engine control module (ECM), and therefore the common rail system can be controlled independently, free from the influence of engine speed and load. This ensures a stable injection pressure at all times, particularly in the low engine speed range, so that black smoke specific to diesel engines generated during vehicle starting or acceleration can be reduced dramatically. As a result, exhaust gas emissions are clear and reduced, and higher output is achieved.

    • High Pressure Control
       - Enables high pressure injection from low engine speed range
       - Optimizes control to minimize particulate matter and NOx emissions
    • Injection Timing Control--Enables finely tuned optimized control in accordance with running conditions
    • Injection Rate Control--Pilot injection control that performs a small amount of injection before the main injection

The fuel rail system consists of the following components:

    • A fuel supply pump
    • A fuel rail
    • Fuel Injectors
    • An ECM

Fuel System Component Description

Fuel Injector


Object Number: 1550457  Size: MH
(1)Terminal Stud
(2)QR Plate
(3)Injector Parts Number Marking
(4)Fuel Inlet Port
(5)O-ring
(6)Fuel Leak Off Port

Electronic control type injectors controlled by the engine control module (ECM) are used. Compared with conventional injection nozzles, a com and piston, solenoid valve, etc. are added. Quick Response (QR) codes displaying various injector characteristics are laser marked in the QR plate, and ID codes showing these in numeric form, 22 alphanumeric figures are laser marked in QR plate. This system uses QR code information to optimize injection quantity control. When an injector is newly installed in a vehicle, it is necessary to input the ID codes in the ECM. QR codes have been adopted to enhance the injection quantity precision of the injectors. The adoption of QR codes enables injection quantity dispersion control throughout all pressure ranges, contributing to improvement in combustion efficiency, reduction in exhaust gas emissions.


Object Number: 1550459  Size: MF
    • Non-injection state
        The 2-way valve (TWV) closes the outlet orifice by means of a spring force, when no current is supplied from the ECM to the solenoid. At this time, the fuel pressure applied to the nozzle leading end is equal to the fuel pressure applied to the control chamber through the inlet orifice. As for the force competition in this state, the pressure on the command piston upper surface + nozzle spring force defeat the pressure on the nozzle leading end, and consequently the nozzle is pushed downward to close the injection holes.
    • Injection start
        The TWV is pulled up to open the outlet orifice, and thus the fuel leaks toward the return port when the current is supplied from the ECM to the solenoid. As a result, the nozzle is pushed up together with the command piston by the fuel pressure applied to the nozzle leading end, and then the nozzle injection holes open to inject the fuel.
    • Injection end
        The TWV lowers to close the outlet orifice, when the ECM shuts off a current supply to the solenoid. As a result, the fuel cannot leak from the control chamber, and thus the fuel pressure in the control chamber rises abruptly and then the nozzle is pushed down by the command piston to close the nozzle injection holes, resulting in the end of fuel injection.

Fuel Supply System


Object Number: 1550460  Size: MF
(1)Suction Valve
(2)Plunger
(3)SCV
(4)Regulation Valve
(5)Feed Pump
(6)Fuel Inlet
(7)Fuel Filter Manual Hand Priming Pump

The fuel supply pump is the heart of the common rail type electronic fuel injection system. The fuel supply pump is installed at the same location as the conventional injection type pump, which spins at a 1 to 1 ratio to crankshaft speed. A suction control valve and fuel temperature sensor are part of the fuel supply pump assembly. Fuel is drawn fro the fuel tank via the fuel supply pump by the use of an internal feed pump, a trochoid type. This feed pump pumps fuel into a 3-plunger chamber also internal to the fuel supply pump. Fuel into this chamber is regulated by the suction control valve (SCV) solely controlled by current supplied fro the ECM. No current to the solenoid results in maximum fuel flow whereas full current to the solenoid produces no fuel flow. As the engine spins, these three plungers produce high pressure in the fuel rail. Since the ECM controls the flow of fuel into this 3-plunger chamber, it therefore controls the quantity and pressure of the fuel supply to the fuel rail. This optimizes performance, improves economy and reduces NOx emissions.

The fuel pump must be timed to the engine cylinder number 1 TDC or fuel oscillations ay result. This may adversely affect driveability or set diagnostic trouble code, which may turn ON the MIL and force a Limp-Home condition.

Fuel Rail Assembly


Object Number: 1550462  Size: MF
(1)Flow Damper
(2)Pressure Limiter
(3)Fuel Rail Pressure Sensor

Along with the employment of a com on rail type electronic control fuel injection system, the fuel rail is provided to store high pressure fuel between supply pump and injectors. A pressure sensor and a pressure limiter are installed on the fuel rail. The pressure sensor detects the fuel pressure inside the fuel rail and sends its signal to the ECM. Based on this signal, the ECM controls the fuel pressure inside the fuel rail via the suction control valve of the supply pump. The pressure limiter opens the valve mechanically to relieve the pressure when the fuel pressure inside the fuel rail is excessive.

Flow Damper


Object Number: 1550465  Size: SH
(1)Orifice
(2) Slit
(3)Piston
(4)Return Spring
(5)Housing
(6)Injector
(7)Fuel Rail

The flow dampers are installed at the outlet of fuel rail to damper the pulsation of fuel pressure inside the fuel rail or to cut off the fuel supply when the fuel leaks downstream of the flow damper. The fuel is supplied to the injectors through an orifice of the piston. The pressure pulsation occurring in the fuel rail is dampered by a resistive force of the return spring and a passing resistance of the orifice, wherein the piston acts as a damper. Also, the leading end of the piston closes the fuel supply port to cut off the fuel supply, if the fuel leak occurs in the injection pipe or injectors. Since the fuel pressure on the downstream side of flow damper supplied through an orifice +resistive force of return spring do not balance, the fuel pressure applied on the piston surface prior to the orifice will allow the fuel to be cut off. The piston will return when the fuel pressure inside the fuel rail is less than 145 psi (1 MPa).

Fuel Rail Pressure Sensor

Refer to Engine Control Component Description .

Pressure Limiter


Object Number: 1550467  Size: SH
(1)Valve
(2) Valve Body
(3)Valve Guide
(4) Spring
(5)Housing
(6)Fuel Rail Pipe
(7)Fuel Rail

The pressure limiter relieves pressure by opening the valve if abnormally high pressure is generated. The valve opens when pressure in rail reaches approximately 32 045 psi (221 MPa), and closes when pressure falls to approximately 7 250 psi (50 MPa). Fuel leakage through the pressure limiter re-turns to the fuel tank.

Fuel Pump Assembly


Object Number: 1550468  Size: MF
(1)Fuel Temperature (FT) Sensor
(2) Suction Control Valve (SCV)

The ECM controls the duty ratio of the linear type suction control valve (SCV), the length of time that the current is applied to the SCV in order to control the quantity of fuel that is supplied to the high-pressure plungers. Since only the quantity of fuel that is required for achieving the target rail pressure is drawn in, the drive load of the supply pumps is decreased.

When current flows to the SCV, variable electromotive force is created in accordance with the duty ratio, moving the armature to the left side. The armature moves the cylinder to the left side, changing the opening of the fuel passage and thus regulating the fuel quantity. With the SCV OFF, the return spring contracts, completely opening the fuel passage and supplying fuel to the plungers, full quantity intake and full quantity discharge. When the SCV is ON, the force of the return spring moves the cylinder to the right, closing the fuel passage, normally opened.

By turning the SCV ON/OFF, fuel is supplied in an amount corresponding to the actuation duty ratio and fuel is discharged by the plungers.

Fuel Injection Quantity Control Description

This control determines the fuel injection quantity by adding coolant temperature, fuel temperature, intake air temperature, and boost pressure corrections to the basic injection quantity is calculated by the engine control module (ECM), based on the engine operating conditions and driving conditions.

Normal Running Control

During normal running, optimum fuel injection quantity is controlled according to the engine speed and accelerator pedal pressing amount. Combined with high pressure injection of atomized fuel, this control improves exhaust gas and ensures proper fuel consumption. Compared with conventional mechanical governors, an electronic control system provides higher degree of freedom of fuel injection quantity control, thereby presenting high accelerator response, acceleration feeling and pressing feeling.

Maximum Fuel Injection Quantity Control

The maximum injection quantity is calculated by adding the mass air flow correction, intake air temperature correction, barometric pressure correction and cold operation maximum injection quantity correction to the basic maximum injection quantity that is determined by the engine speed.

Starting Injection Quantity Control

At the engine starting, after the key switch is turned to the START position to start the engine, up to return of key switch to the ON position, optimum fuel injection quantity is controlled based on the information on the starter switch, engine speed, and coolant temperature. At low temperature, the fuel injection quantity increases. When the engine started completely, this boosted quantity mode at the starting is cancelled and normal running mode is restored.

Idle Speed Variation Stabilize Control

    • Idle Speed Control
        A control is made so as to achieve stable idling speed at all time regardless of engine secular changes or engine condition variations. The engine control module (ECM) sets target idling speed and controls the fuel injection quantity according to the engine conditions (actual engine speed, coolant temperature, engine load ON/OFF signals of air conditioner) to follow actual engine speed to the target idling speed so as to ensure stable idling speed.
    • Idle Vibration Control
        A control is made so as to reduce the engine vibration caused by torque variations between cylinders due to variations in fuel injection quantity of each cylinder or injector performance. The ECM corrects the injection quantity between cylinders based on the revolution signals from the crankshaft position (CKP) sensor. Normal range of correction quantity between cylinders is within 5 mm³ /STK.

Fuel Injection Timing Control Description

The injection timing suitable for the vehicle conditions is controlled based on the inputs from respective sensors. The injection timing is determined by comparing actual measured values of pulse signals from the crankshaft position (CKP) sensor and camshaft position (CMP) sensor with the target injection timing stored in the map of the engine control module (ECM) in advance.

Coolant Temperature Compensation

The engine control module will advance the fuel injection timing with a decrease in engine coolant temperature. This is performed to reduce white smoke emission.

High Altitude Compensation

The engine control module with advance the fuel injection timing with an increase in altitude due to the lower air density. This is performed to reduce white smoke emission.

Cold Start Compensation

The engine control module will advance the fuel injection timing with a decrease in intake air temperature. This is performed to reduce white smoke mission.