GM Service Manual Online
For 1990-2009 cars only
Figure 1:

Back Right of the Engine Compartment


Object Number: 822087  Size: LF
(1)Powertrain Control Module (PCM) Connector
(2)Powertrain Control Module (PCM)
(3)Throttle Actuator Control (TAC) Module
(4)I/P Harness
(5)Throttle Actuator Control (TAC) Module - C1
(6)Throttle Actuator Control (TAC) Module - C2
(7)Engine Harness
Figure 2:

Front Left of Engine


Object Number: 822073  Size: LF
(1)Camshaft Position (CMP) Sensor
(2)Knock Sensor (KS) Bank 1
(3)Knock Sensor (KS) Bank 1 Connector
(4)Engine Harness
(5)Camshaft Position (CMP) Sensor Connector
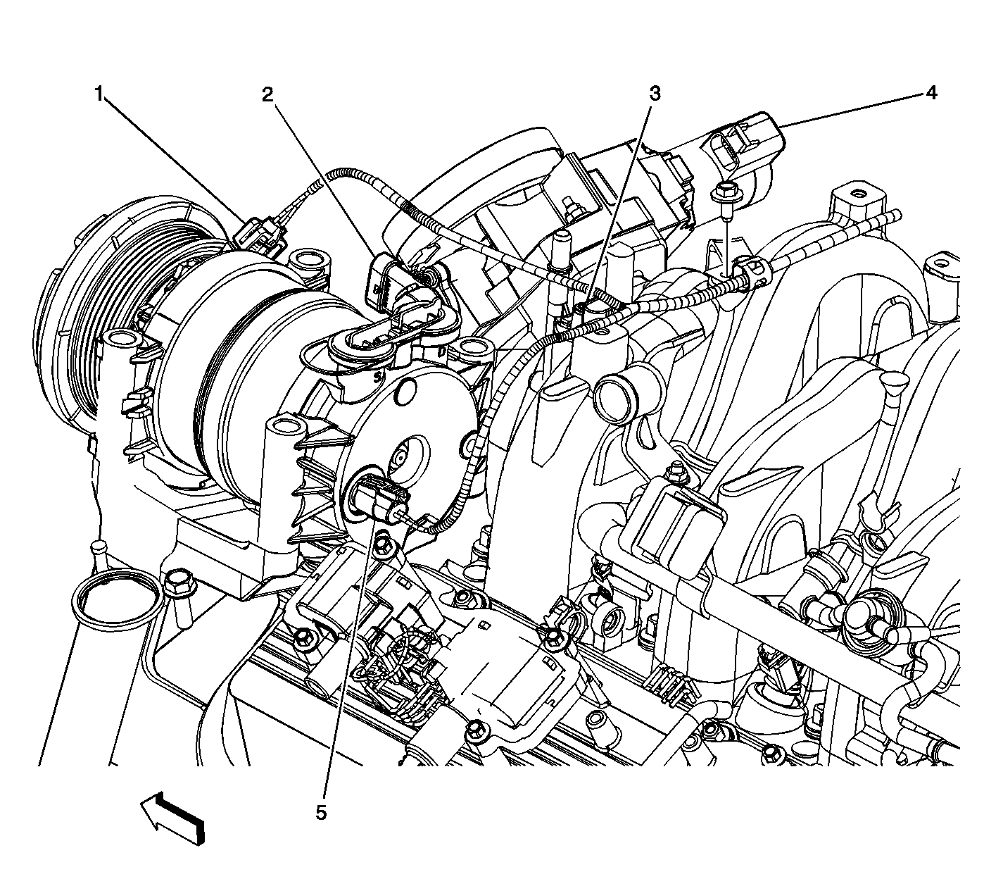
Figure 3:

Lower Back of Engine


Object Number: 1702248  Size: LF
(1)Knock Sensor (KS) Bank 2
(2)Engine Oil Level Switch
(3)Starter Solenoid
(4)Engine Chassis Harness
Figure 4:

Front of Engine (L18)


Object Number: 822076  Size: LF
(1)Generator
(2)Generator Assembly
(3)Engine Harness
(4)Generator Ring Terminal
Figure 5:

Back Right of the Engine Compartment


Object Number: 822091  Size: LF
(1)C101
(2)C124
(3)Engine Harness
(4)C124
(5)I/P Harness
(6)C101
Figure 6:

Center of the I/P


Object Number: 826775  Size: LF
(1)Marker Lamp Switch (RQ2 and U86 or RQ3)
(2)Air Brake Pressure Gage (JE4)
(3)High Idle Switch (UF3)
(4)Automatic Transmission Fluid Temperature (TFT) Gage (Allison® LCT/UTX)
(5)Traction Control Switch (NW9)
(6)Outside Heated Mirror Switch (DB6/DB8)
(7)Exhaust Brake Switch (K40)
(8)Rear Axle Driver Control Switch (HPZ/Automatic Transmission)
(9)Inflatable Restraint I/P Module Disable Switch (AK5 w/o AQR)
(10)Air Suspension Dump Switch (G40/G45/GSJ)
(11)Power Take-Off (PTO) Switch
(12)Driver Information Center (DIC)
Figure 7:

Engine View-Upper Right


Object Number: 750169  Size: LF
(1)Engine Harness
(2)Manifold Absolute Pressure (MAP) Sensor
(3)Manifold Absolute Pressure (MAP) Sensor Connector
(4)Engine
(5)Ignition Coil Connector (Engine Side)
(6)Throttle Actuator Control (TAC) Motor
(7)Ignition Coil Connector (Harness Side)
(8)Engine Coolant Temperature (ECT) Sensor Connector
(9)Ignition Coil
Figure 8:

Front of the Engine Compartment


Object Number: 822039  Size: LF
(1)A/C Compressor Clutch (C60)
(2)Throttle Position (TP) Sensor (part of the Throttle Body)
(3)Evaporative Emission (EVAP) Canister Purge Solenoid Valve
(4)Throttle Actuator (part of the Throttle Body)
(5)A/C High Pressure Switch (C60)
Figure 9:

Center of Vehicle


Object Number: 822020  Size: LF
(1)Fuel Pump and Sender Assembly
(2)Primary Fuel Tank
(3)C420
(4)Fuel Sender - Secondary
Figure 10:

Top of Engine


Object Number: 822047  Size: LF
(1)Engine Chassis Harness
(2)C110
(3)Engine Coolant Temperature (ECT) Sensor
(4)C116
(5)C110
Figure 11:

Under the Hood


Object Number: 822049  Size: LF
(1)Engine Chassis Harness
(2)Mass Air Flow (MAF) Sensor
Figure 12:

Top of Engine


Object Number: 822051  Size: LF
(1)Engine Harness
(2)C111
(3)C111
(4)Fuel Rail Pressure Regulator
Figure 13:

Rear of Engine Block


Object Number: 822069  Size: LF
(1)Engine Oil Pressure (EOP) Switch
(2)Engine Chassis Harness
(3)Engine Oil Pressure (EOP) Switch Connector
(4)Crankshaft Position (CKP) Sensor Connector
(5)G115
(6)Heated Oxygen Sensor (HO2S) Bank 1
(7)Crankshaft Position (CKP) Sensor
Figure 14:

Rear Crossmember


Object Number: 858052  Size: LF
(1)Fuel Pump Relay - Secondary
(2)C420
(3)C304 (8 cavities - RQ2 and U86 or RQ3)
(4)Heated Oxygen Sensor (HO2S) Bank 2
(5)Heated Oxygen Sensor (HO2S) Bank 1
(6)SP400 (Ground Block - part of the Negative Battery Cable)
(7)Rear Chassis Harness
Figure 15:

Front Of Rear Crossmember


Object Number: 858081  Size: LF
(1)Fuel Tank Transfer Pump - Secondary
(2)Fuel Harness
(3)Fuel Tank Transfer Pump Connector - Secondary