GM Service Manual Online
For 1990-2009 cars only
Makes
🢒
GMC_Truck
🢒
2004
🢒
TopKick C-Series (Conventional) C6/C7/C8
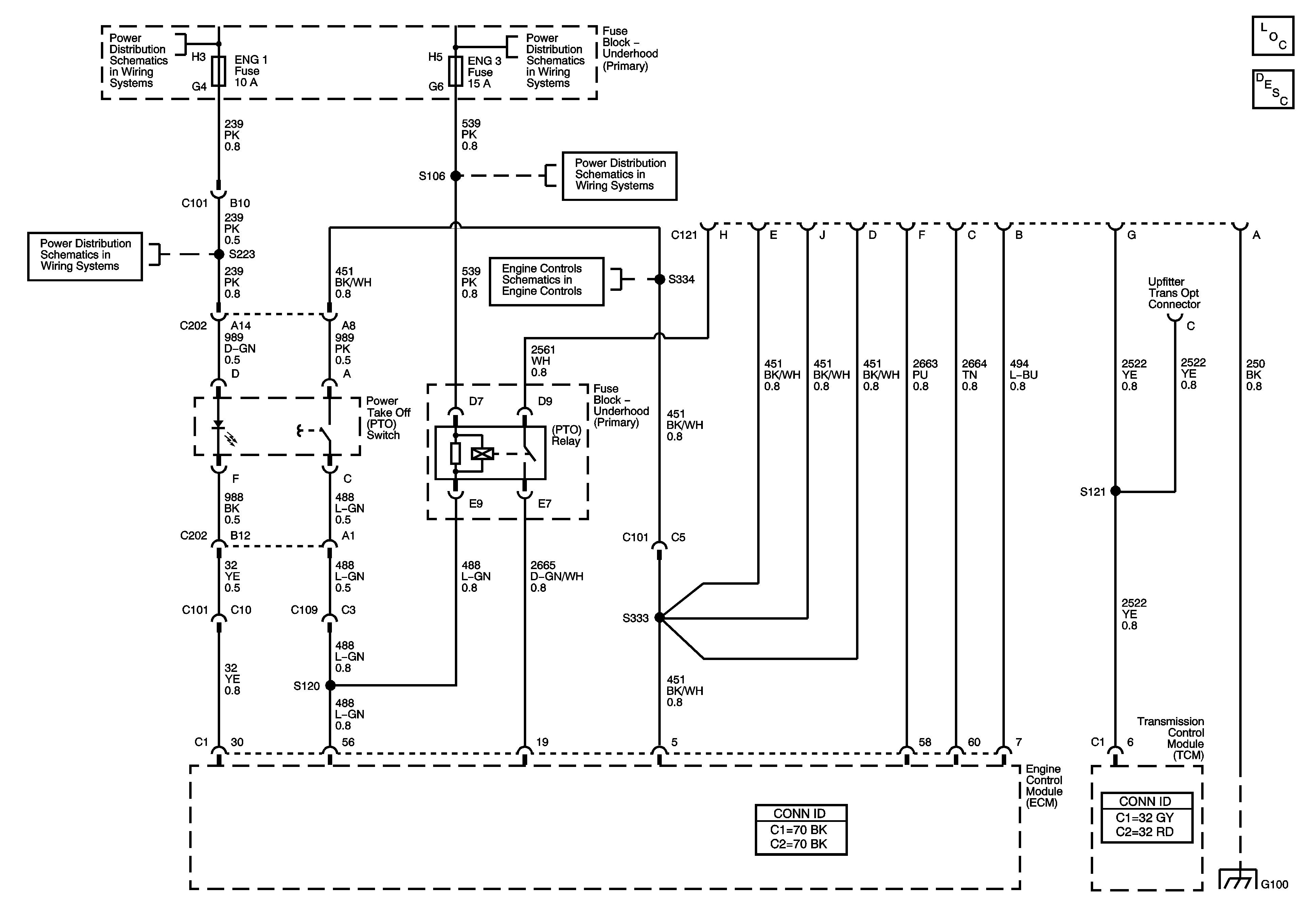
🢒 Power Take-Off (LG5)
Power Take-Off (LG5)
Power Take-Off (LG5)
Master Electrical Component List
Power Take-Off (PTO) Description and Operation
ENG 1 and ENG 4 Fuses (LG4/LG5)
ENG 2 and ENG 3 Fuses (LG5/LB7/LLY)
ENG 1 and ENG 4 Fuses (LG4/LG5)
ENG 2 and ENG 3 Fuses (LG5/LB7/LLY)
Device Controls - Switches
G100 (LB7)